指南生活
首页
美食营养
手工爱好
生活家居
返回
指南生活
首页
美食营养
游戏数码
手工爱好
生活家居
健康养生
运动户外
职场理财
情感交际
母婴教育
时尚美容
搜索
RCS-978ZJ系列220KV变压器保护装置说明书:[5]
2025-11-01 13:10:01
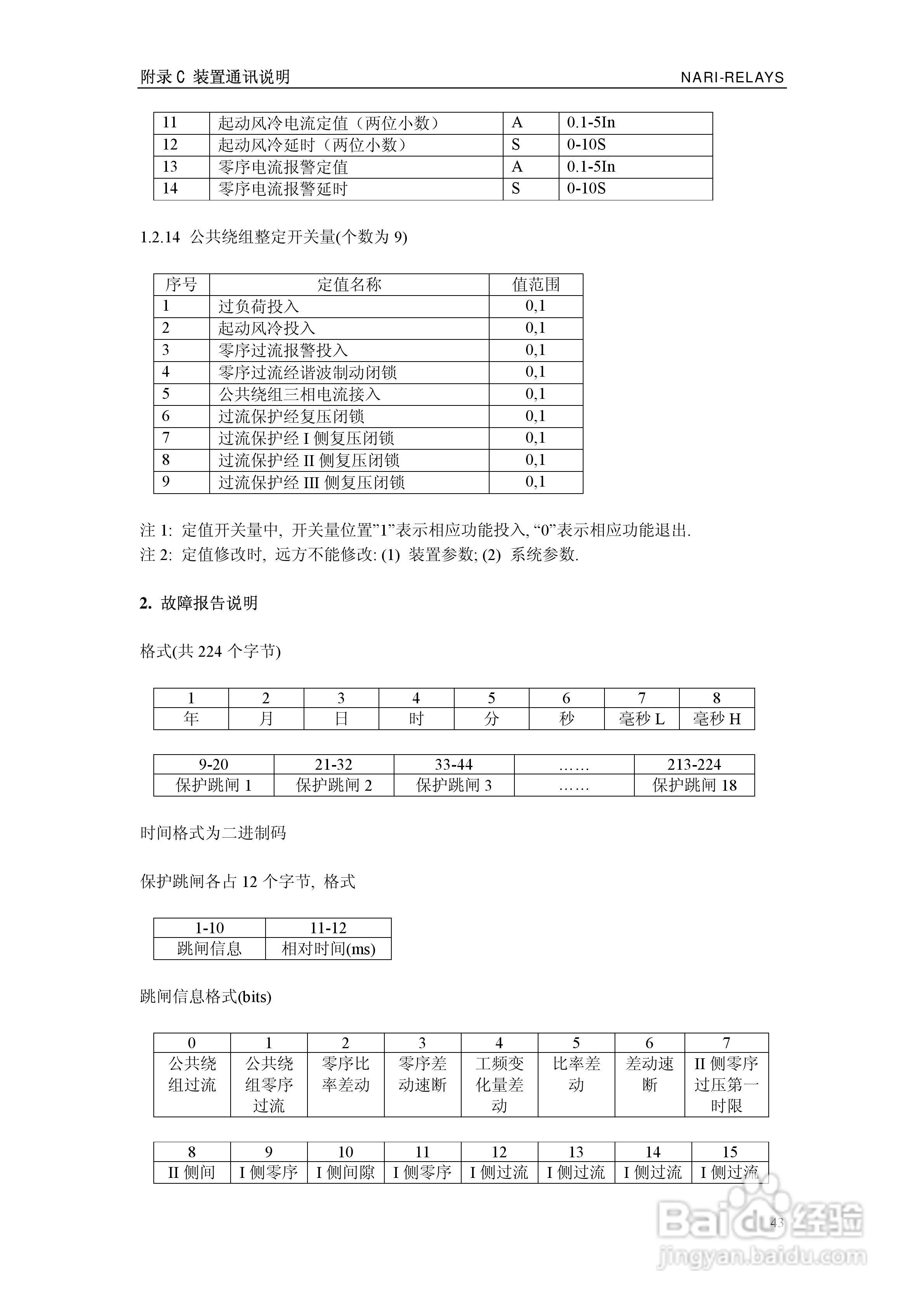
本篇为《RCS-978ZJ系列220KV变压器保护装置说明书》,主要介绍该产品的使用方法以及常见故障解决方案。
(共篇)
上一篇:
|
下一篇:
声明:
本网站引用、摘录或转载内容仅供网站访问者交流或参考,不代表本站立场,如存在版权或非法内容,请联系站长删除,联系邮箱:site.kefu@qq.com。
相关推荐
RCS-978ZJ系列220KV变压器保护装置说明书:[2]
阅读量:40
RCS-978ZJ型变压器成套保护装置技术和使用说明书:[5]
阅读量:146
RCS-978ZJ型变压器成套保护装置技术和使用说明书:[2]
阅读量:169
RCS-978ZJ型变压器成套保护装置技术和使用说明书:[6]
阅读量:164
变压器满负载的测试方法
阅读量:77
猜你喜欢
微粒贷怎么开通
做灯笼手工视频简单做法
左眼皮老跳是怎么回事
咖喱饭的做法大全
晚上睡不着怎么办
檐怎么读
仓鼠怎么分公母
肺部结节是怎么回事
炒米粉的做法大全
口干舌燥喝水也不解渴怎么办
猜你喜欢
微信视频聊天怎么开美颜
三七粉怎么吃
猫为什么要吃老鼠
失业金怎么申请领取
为什么现在人欠钱不怕被起诉
熵怎么读
酸菜的做法大全
临时身份证怎么办理
自制黄豆酱的做法
word怎么做表格