指南生活
首页
美食营养
手工爱好
生活家居
返回
指南生活
首页
美食营养
游戏数码
手工爱好
生活家居
健康养生
运动户外
职场理财
情感交际
母婴教育
时尚美容
知识问答
生活知识
生活百科
搜索
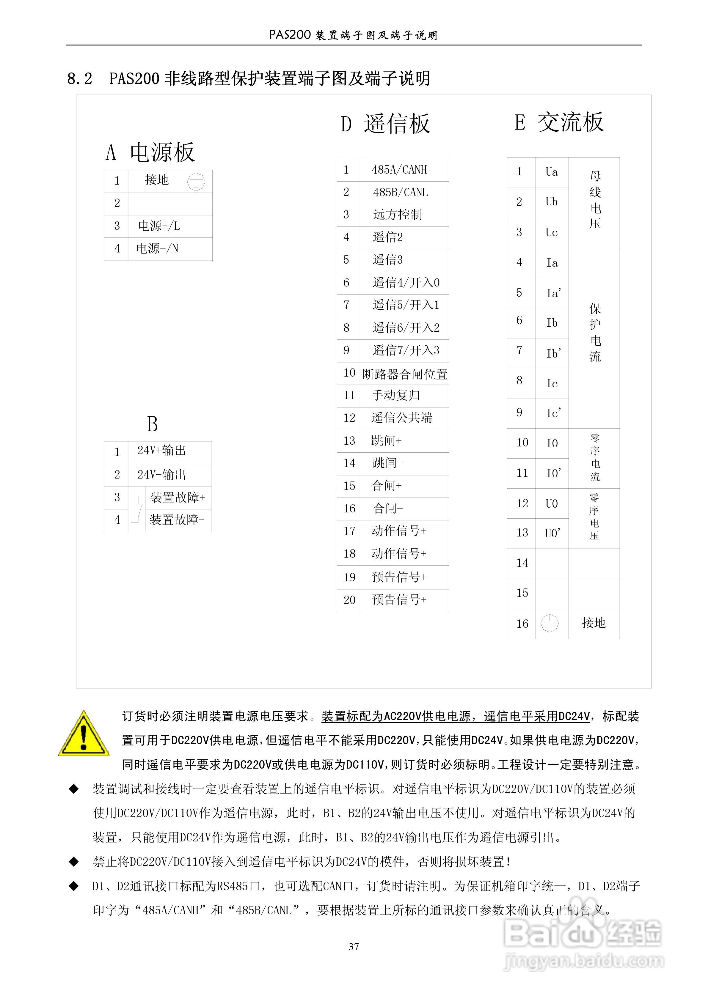
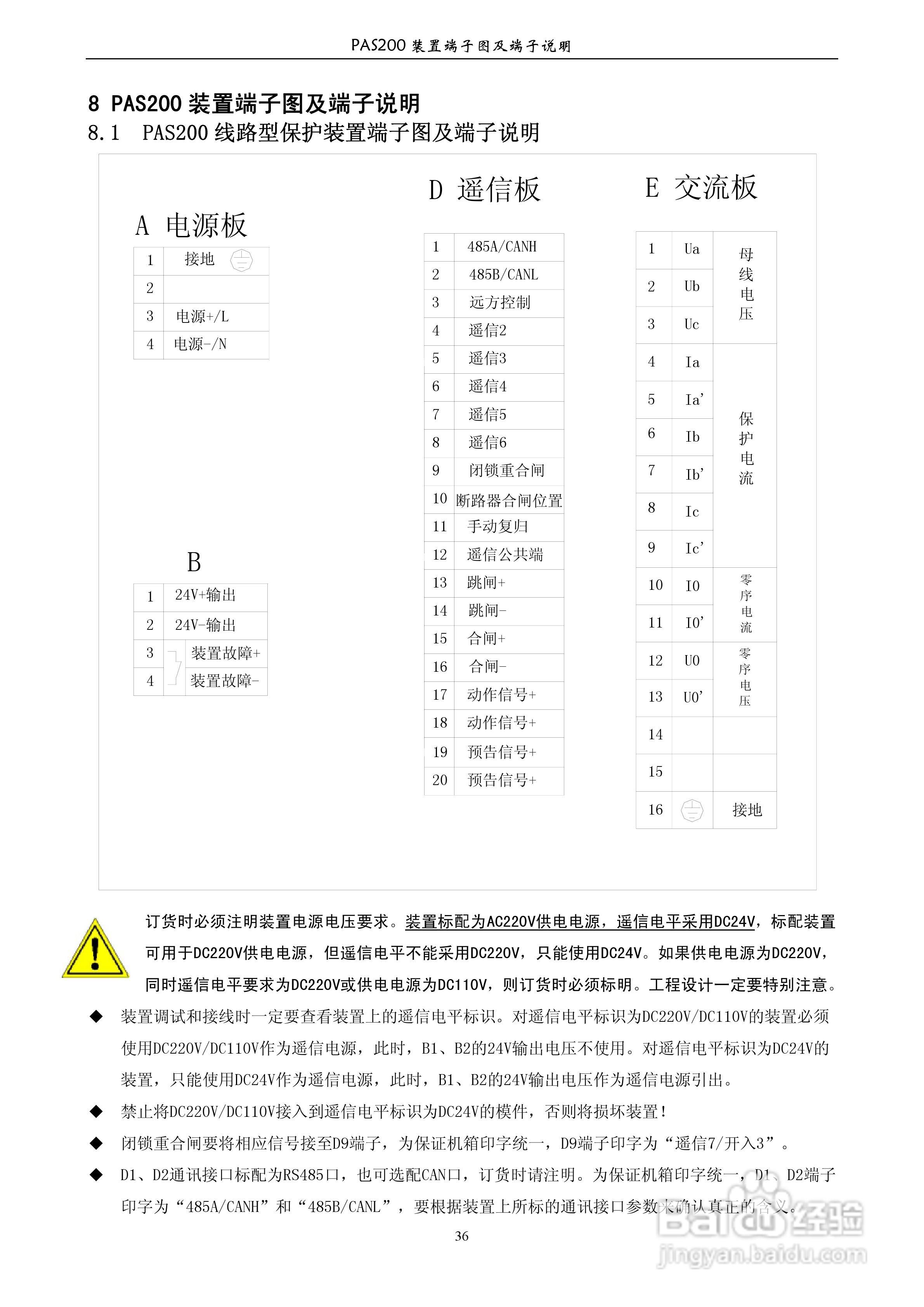
安能PAS200综合保护器产品技术使用说明书:[4]
2026-04-24 00:18:39
本篇为《安能PAS200综合保护器产品技术使用说明书》,主要介绍该产品的使用方法以及常见故障解决方案。
(共篇)
上一篇:
|
下一篇:
声明:
本网站引用、摘录或转载内容仅供网站访问者交流或参考,不代表本站立场,如存在版权或非法内容,请联系站长删除,联系邮箱:site.kefu@qq.com。
相关推荐
安能PAS200综合保护器产品技术使用说明书:[5]
阅读量:57
桨保护器的使用方法
阅读量:180
如何理解光电保护器?
阅读量:165
DLB-S 漏电保护器使用说明书
阅读量:77
汽车电力保护器对汽车的重要作用
阅读量:24
猜你喜欢
情殇是什么意思
紧锣密鼓的意思
白热化是什么意思
武汉什么时候解封
浴盐什么牌子好
农场蜂王浆有什么用
新社保卡有什么功能
什么动漫很黄
爬爬垫什么牌子好
leather是什么意思
猜你喜欢
临空墙是什么意思
吾日三省吾身的意思
杜兰特什么时候复出
劳燕分飞指什么动物
梗的意思
清高的意思
什么dj好听超嗨劲爆
april是什么意思
祛痘洗面奶什么牌子好
三点一线是什么意思