指南生活
首页
美食营养
手工爱好
生活家居
返回
指南生活
首页
美食营养
游戏数码
手工爱好
生活家居
健康养生
运动户外
职场理财
情感交际
母婴教育
时尚美容
知识问答
生活知识
搜索
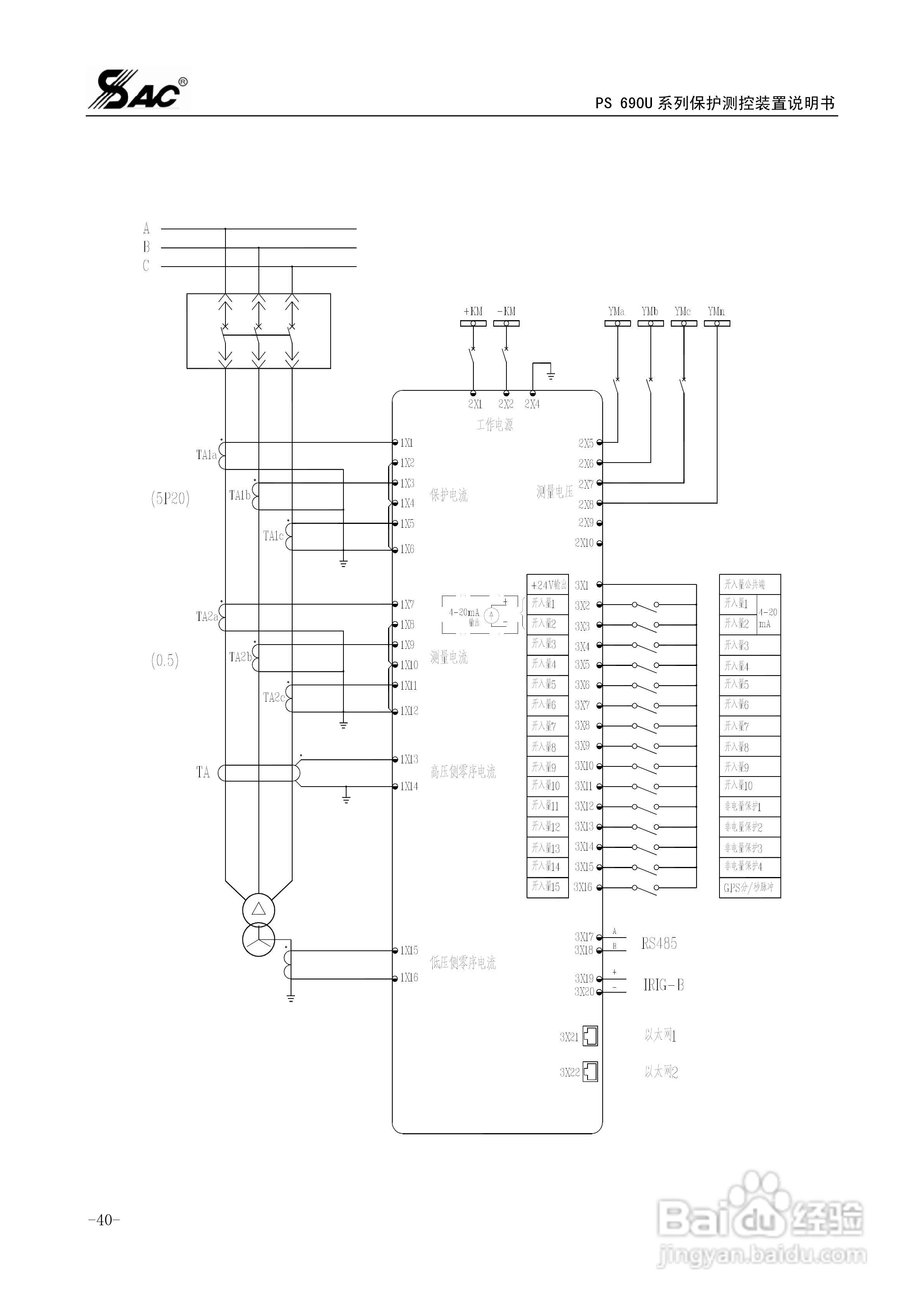
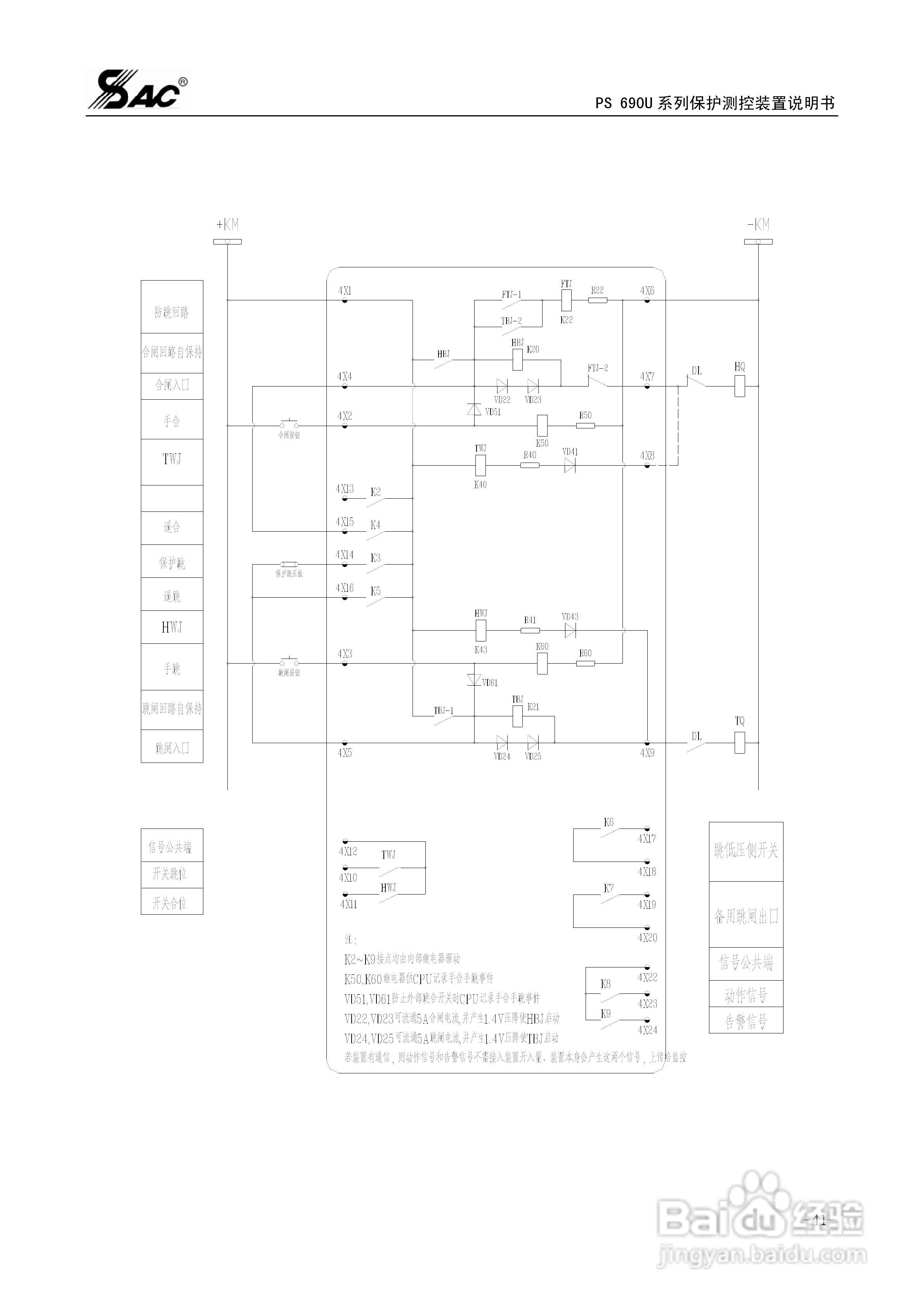
PSM691U电动机差动综合保护装置说明书:[5]
2026-02-25 12:28:10
本篇为《PSM691U电动机差动综合保护装置说明书》,主要介绍该产品的使用方法以及常见故障解决方案。
(共篇)
上一篇:
|
下一篇:
声明:
本网站引用、摘录或转载内容仅供网站访问者交流或参考,不代表本站立场,如存在版权或非法内容,请联系站长删除,联系邮箱:site.kefu@qq.com。
相关推荐
PSM691U电动机差动综合保护装置说明书:[12]
阅读量:119
电动机三相电流不平衡的原因及表现
阅读量:41
PSM691U电动机差动综合保护装置说明书:[11]
阅读量:66
PSM669B数字式电动机保护装置技术说明书:[3]
阅读量:196
PSM669B数字式电动机保护装置技术说明书:[4]
阅读量:122
猜你喜欢
自贸区是什么意思
sheet是什么意思
结婚三年是什么婚
编导是做什么的
人为什么会长智齿
规培是什么意思
苏木是什么意思
贷记卡是什么
千什么百什么的成语
崩溃是什么意思
猜你喜欢
名媛是什么
什么是法律
miss you是什么意思
今天有什么考试
多人运动是什么意思
example是什么意思
华为和荣耀是什么关系
tiktok是什么意思
deal是什么意思
现在买什么手机好