指南生活
首页
美食营养
手工爱好
生活家居
返回
指南生活
首页
美食营养
游戏数码
手工爱好
生活家居
健康养生
运动户外
职场理财
情感交际
母婴教育
时尚美容
知识问答
生活知识
搜索
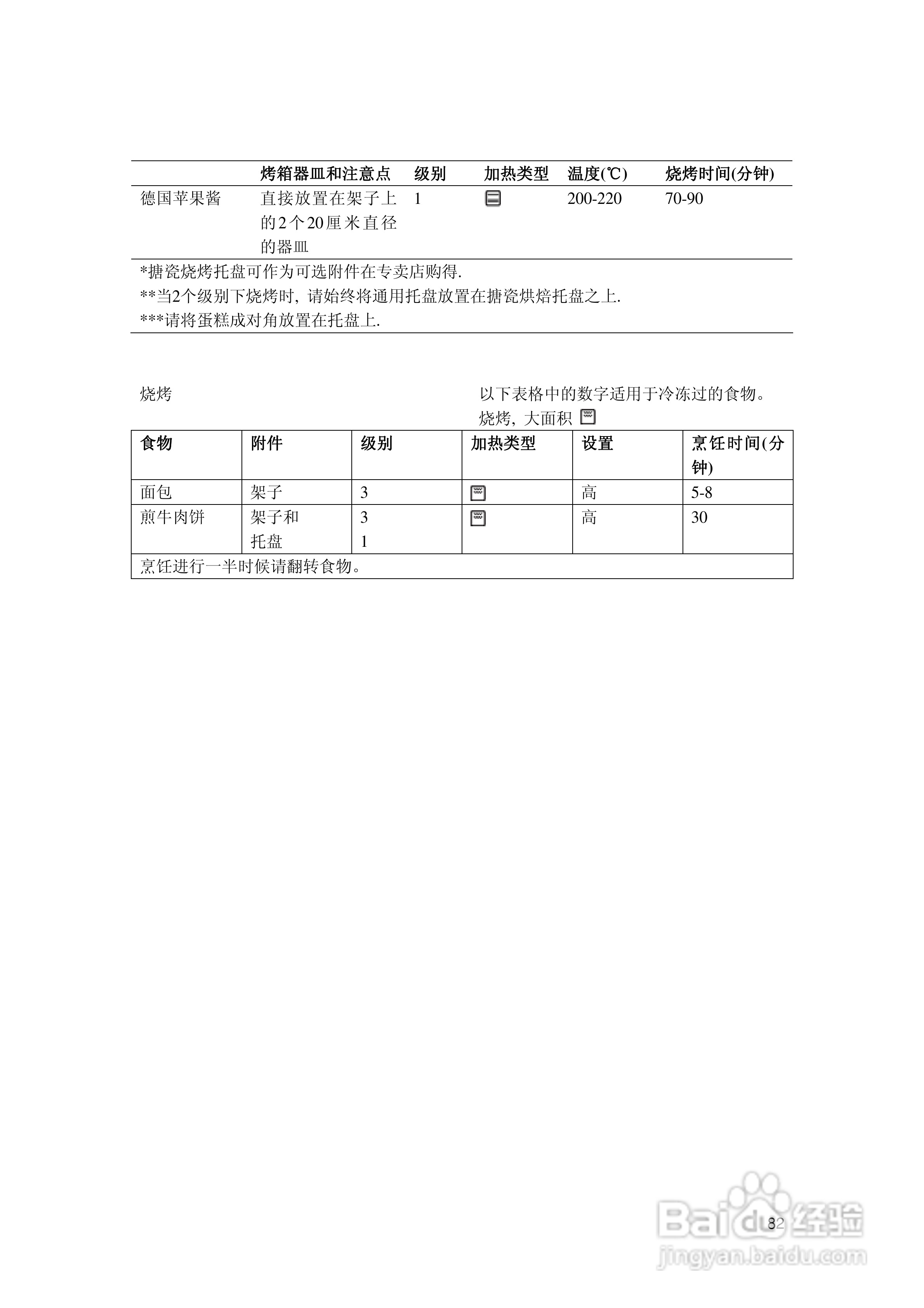
西门子HB86k581B烤箱使用说明书:[9]
2026-02-27 03:31:37
(共篇)
上一篇:
声明:
本网站引用、摘录或转载内容仅供网站访问者交流或参考,不代表本站立场,如存在版权或非法内容,请联系站长删除,联系邮箱:site.kefu@qq.com。
相关推荐
怎么打开dll文件,dll反编译
阅读量:84
海参品质怎么鉴别方法
阅读量:194
解决ubuntu的apt-get命令被占用
阅读量:112
php如何打印一个变量的类型
阅读量:46
CSS+js实现点击按钮触发loading加载
阅读量:115
猜你喜欢
家常炒菜的做法大全
移动短号怎么开通
不想上班怎么赚钱
横批大全
屋里潮湿怎么办
246zl天天好·彩免费资料大全
七言绝句大全
动物声音叫声大全
卓依婷歌曲大全
鲁迅简介
猜你喜欢
小狗感冒了怎么办
世界之最大全
鸡尾酒大全
2345游戏大全
陈若仪个人资料简介
碱性食物有哪些大全
淡水鱼大全
泰拉瑞亚合成表大全
朱自清简介
u盾怎么使用