指南生活
首页
美食营养
手工爱好
生活家居
返回
指南生活
首页
美食营养
游戏数码
手工爱好
生活家居
健康养生
运动户外
职场理财
情感交际
母婴教育
时尚美容
知识问答
生活知识
生活百科
搜索
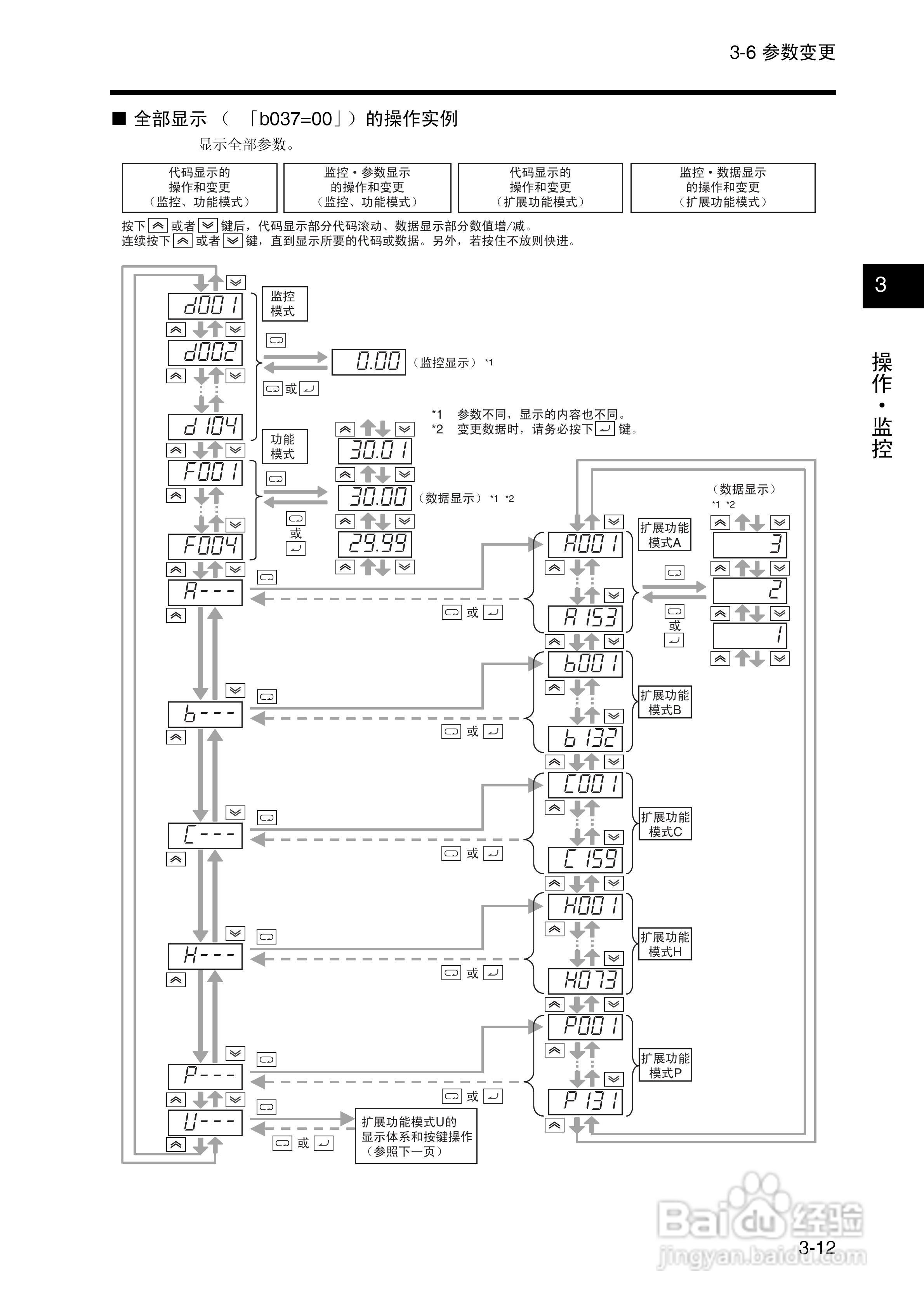
欧姆龙(OMRON)3G3RX-A4550-Z变频器说明书:[6]
2026-04-12 06:07:10
本篇为《欧姆龙(OMRON)3G3RX-A4550-Z变频器说明书》,主要介绍该产品的使用方法以及常见故障解决方案。
(共篇)
上一篇:
声明:
本网站引用、摘录或转载内容仅供网站访问者交流或参考,不代表本站立场,如存在版权或非法内容,请联系站长删除,联系邮箱:site.kefu@qq.com。
相关推荐
欧姆龙软件安装教程
阅读量:92
欧姆龙(OMRON)3G3MV-A4075变频器说明书:[6]
阅读量:59
欧姆龙(OMRON)3G3FV-A430K-E变频器说明书:[4]
阅读量:23
欧姆龙(OMRON)3G3FV-A430K-E变频器说明书:[6]
阅读量:57
欧姆龙(OMRON)3G3XV-A4037-EV2变频器说明书:[2]
阅读量:55
猜你喜欢
2010属什么生肖
家用除湿机什么牌子好
turkey是什么意思
制裁是什么意思
媛是什么意思
什么叫淘宝客
什么叫非首都功能
认筹是什么意思
什么粉底液遮瑕效果好
飨是什么意思
猜你喜欢
去台湾买什么
pressure是什么意思
江河日下的意思
什么东西好玩
题记是什么意思
学校附近开什么店好
puppet是什么意思
重阳节是什么意思
淘宝贷款需要什么条件
立秋是什么意思