指南生活
首页
美食营养
手工爱好
生活家居
返回
指南生活
首页
美食营养
游戏数码
手工爱好
生活家居
健康养生
运动户外
职场理财
情感交际
母婴教育
时尚美容
知识问答
生活知识
生活百科
搜索
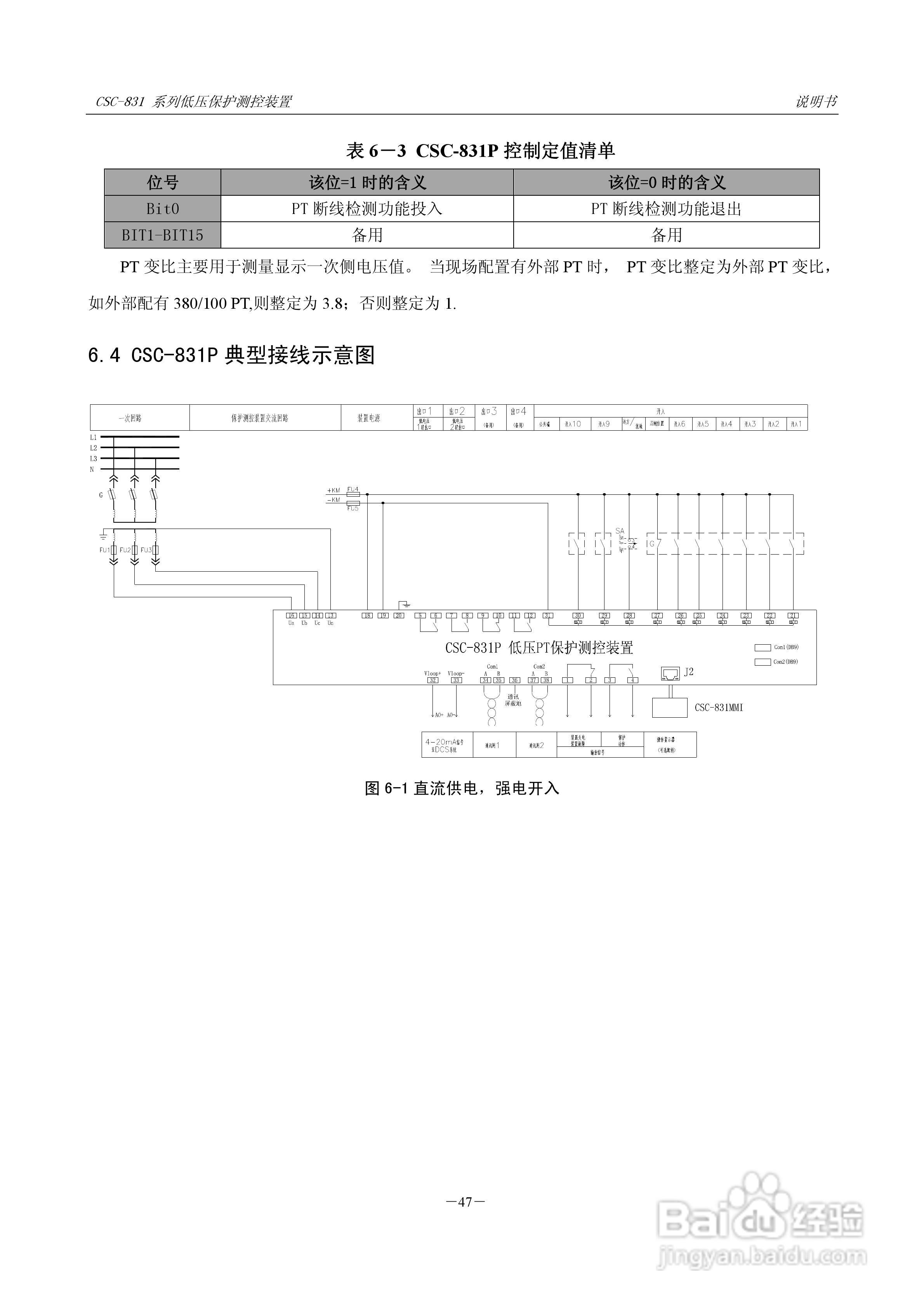
CSC-831P低压PT 保护测控装置说明书:[6]
2026-04-27 07:39:20
本篇为《CSC-831P低压PT 保护测控装置说明书》,主要介绍该产品的使用方法以及常见故障解决方案。
(共篇)
上一篇:
|
下一篇:
声明:
本网站引用、摘录或转载内容仅供网站访问者交流或参考,不代表本站立场,如存在版权或非法内容,请联系站长删除,联系邮箱:site.kefu@qq.com。
相关推荐
CSC-831P低压PT 保护测控装置说明书:[3]
阅读量:157
CSC-831P低压PT 保护测控装置说明书:[1]
阅读量:184
四方CSC-150数字式母线保护装置说明书:[6]
阅读量:101
四方CSC-163T数字式线路保护装置说明书:[6]
阅读量:145
CSC-326CN数字式变压器保护装置说明书:[6]
阅读量:88
猜你喜欢
tvoc是什么意思
盗抢险是什么意思
oem什么意思
手电钻什么牌子好
老公生日送什么
苏打水有什么作用和功效
又什么又什么的成语
运动型轿车
上网口令是什么
forty是什么意思
猜你喜欢
扬州有什么好玩的
油然而生是什么意思
致八百米运动员加油稿
公虾米是什么歌
兰芝适合什么年龄
运动型轿车
南柯一梦什么意思
舌头白苔厚是什么原因
iphone是什么
鳝鱼养殖