指南生活
首页
美食营养
手工爱好
生活家居
返回
指南生活
首页
美食营养
游戏数码
手工爱好
生活家居
健康养生
运动户外
职场理财
情感交际
母婴教育
时尚美容
知识问答
生活知识
搜索
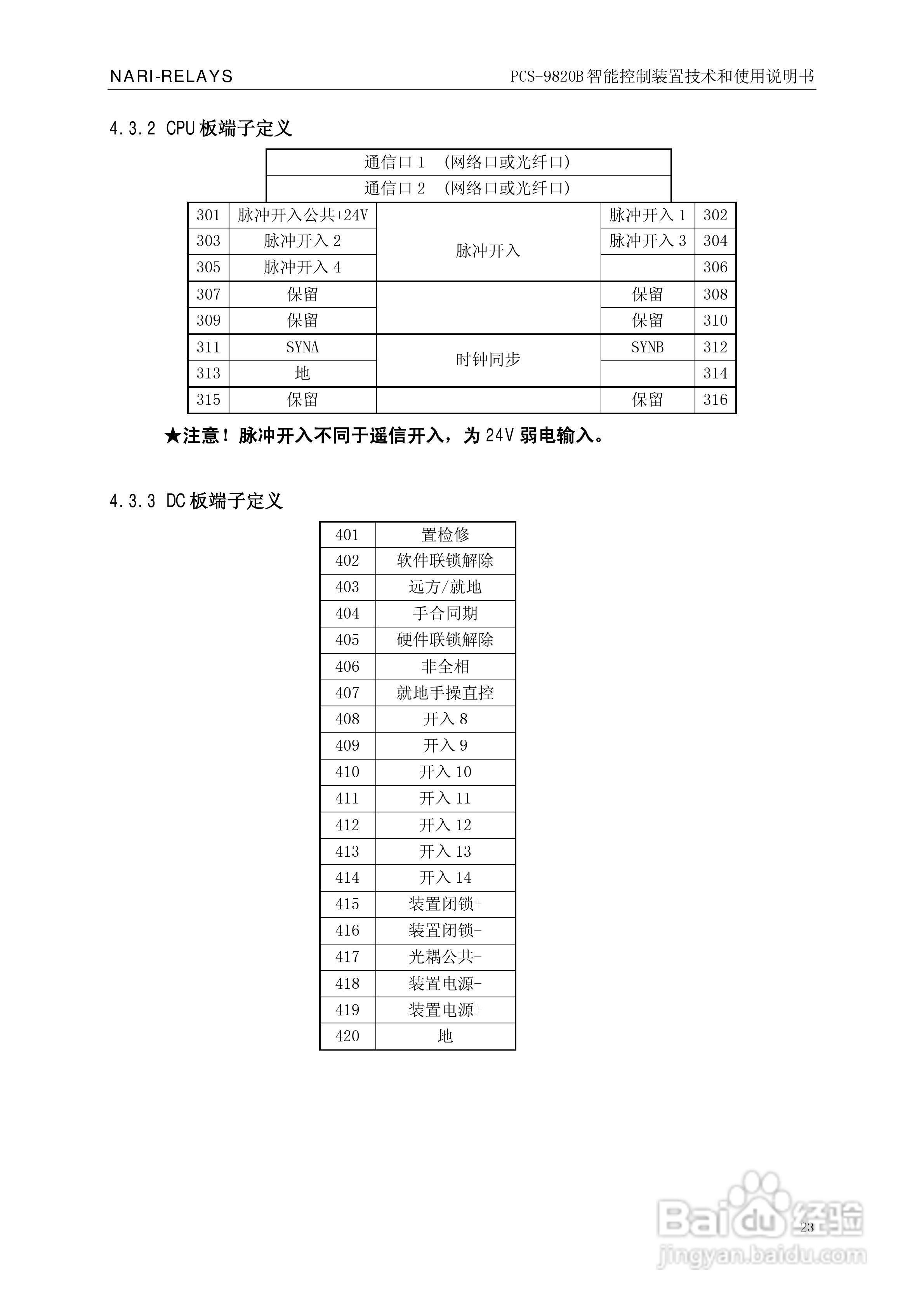
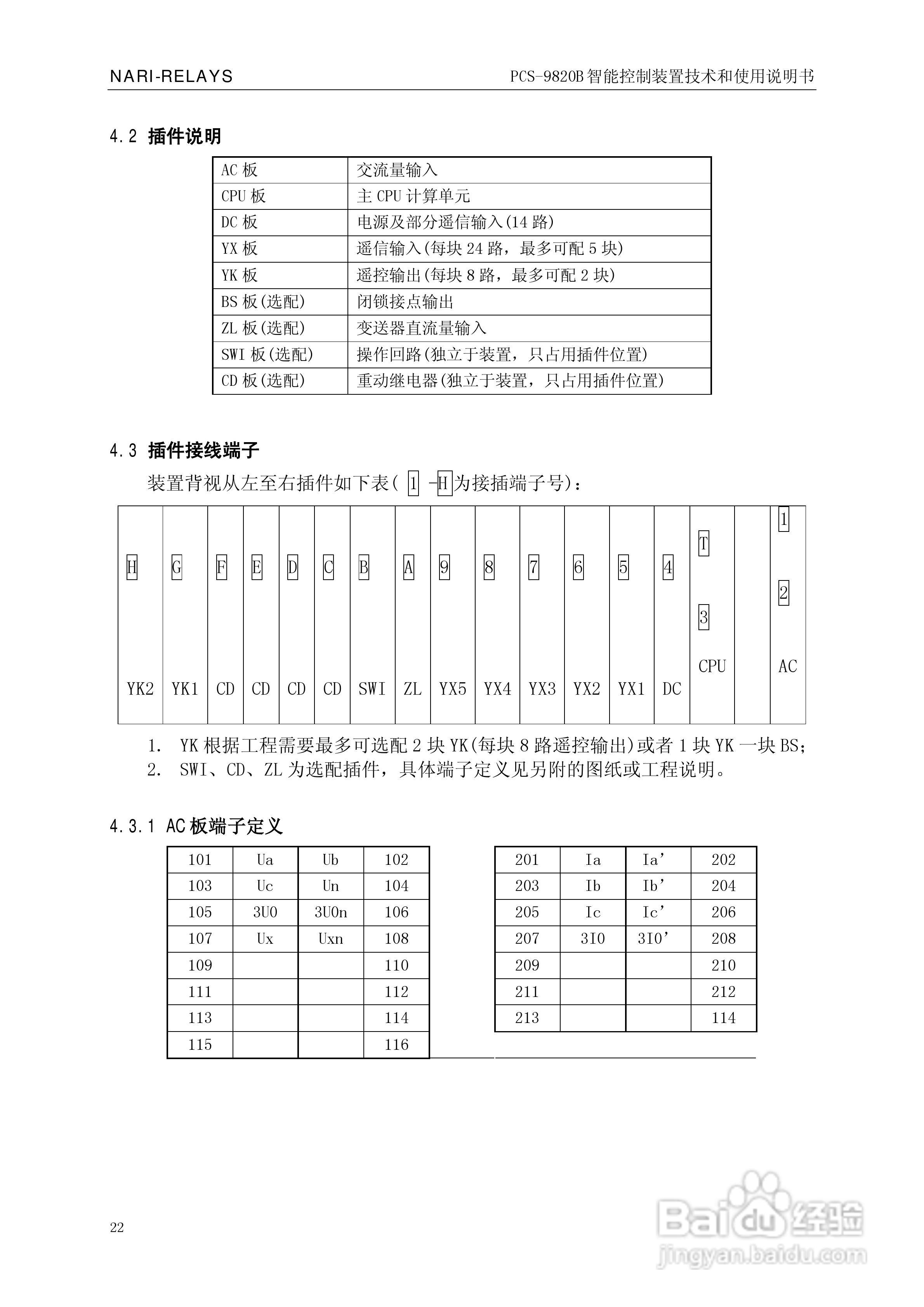
南瑞继保PCS-9820B智能控制装置使用说明书:[3]
2025-12-16 20:37:55
本篇为《南瑞继保PCS-9820B智能控制装置使用说明书》,主要介绍该产品的使用方法以及常见故障解决方案。
(共篇)
上一篇:
|
下一篇:
声明:
本网站引用、摘录或转载内容仅供网站访问者交流或参考,不代表本站立场,如存在版权或非法内容,请联系站长删除,联系邮箱:site.kefu@qq.com。
相关推荐
南瑞继保PCS-9820B智能控制装置使用说明书:[4]
阅读量:121
南瑞继保PCS-9820B智能控制装置使用说明书:[1]
阅读量:30
南瑞继保PCS-9820A智能控制装置使用说明书:[1]
阅读量:86
南瑞继保PCS-9820B智能控制装置使用说明书:[2]
阅读量:59
南瑞继保PCS-9820A智能控制装置使用说明书:[3]
阅读量:137
猜你喜欢
克徕帝钻戒怎么样
大便出血怎么办
七个月宝宝拉肚子怎么办
蛇皮果怎么吃
鼻塞怎么通
头发干燥怎么办
扇贝肉怎么做
怎么做汤圆
沃尔沃xc60怎么样
怎么注册谷歌账号
猜你喜欢
微信视频号怎么发视频
手机信号不好怎么办
酒精过敏怎么办
ppt怎么自动播放
录音笔怎么用
杨康怎么死的
今日头条怎么赚钱
个人事迹怎么写
青豆怎么做好吃
ps怎么改变图片颜色