指南生活
首页
美食营养
手工爱好
生活家居
返回
指南生活
首页
美食营养
游戏数码
手工爱好
生活家居
健康养生
运动户外
职场理财
情感交际
母婴教育
时尚美容
知识问答
生活知识
搜索
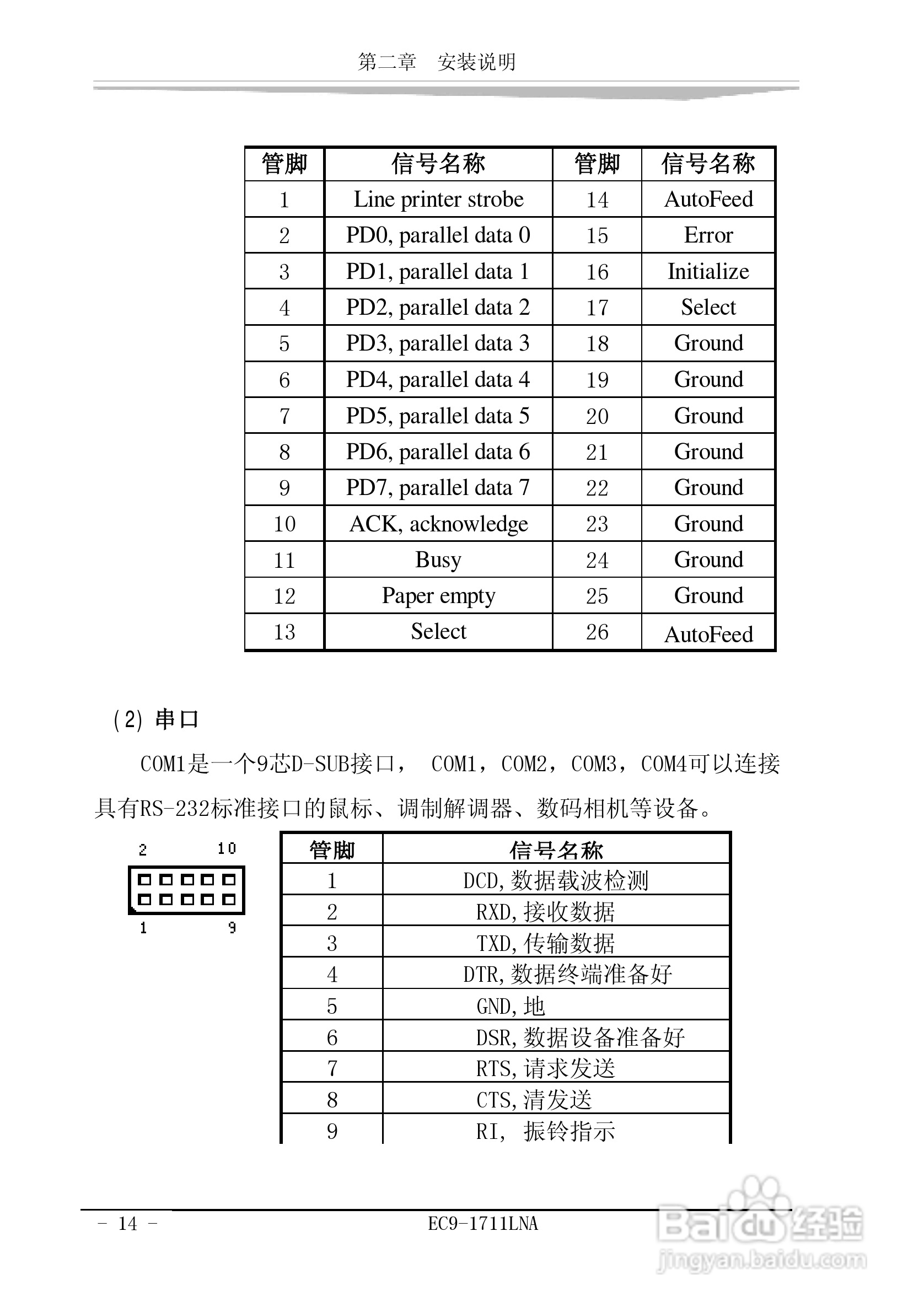
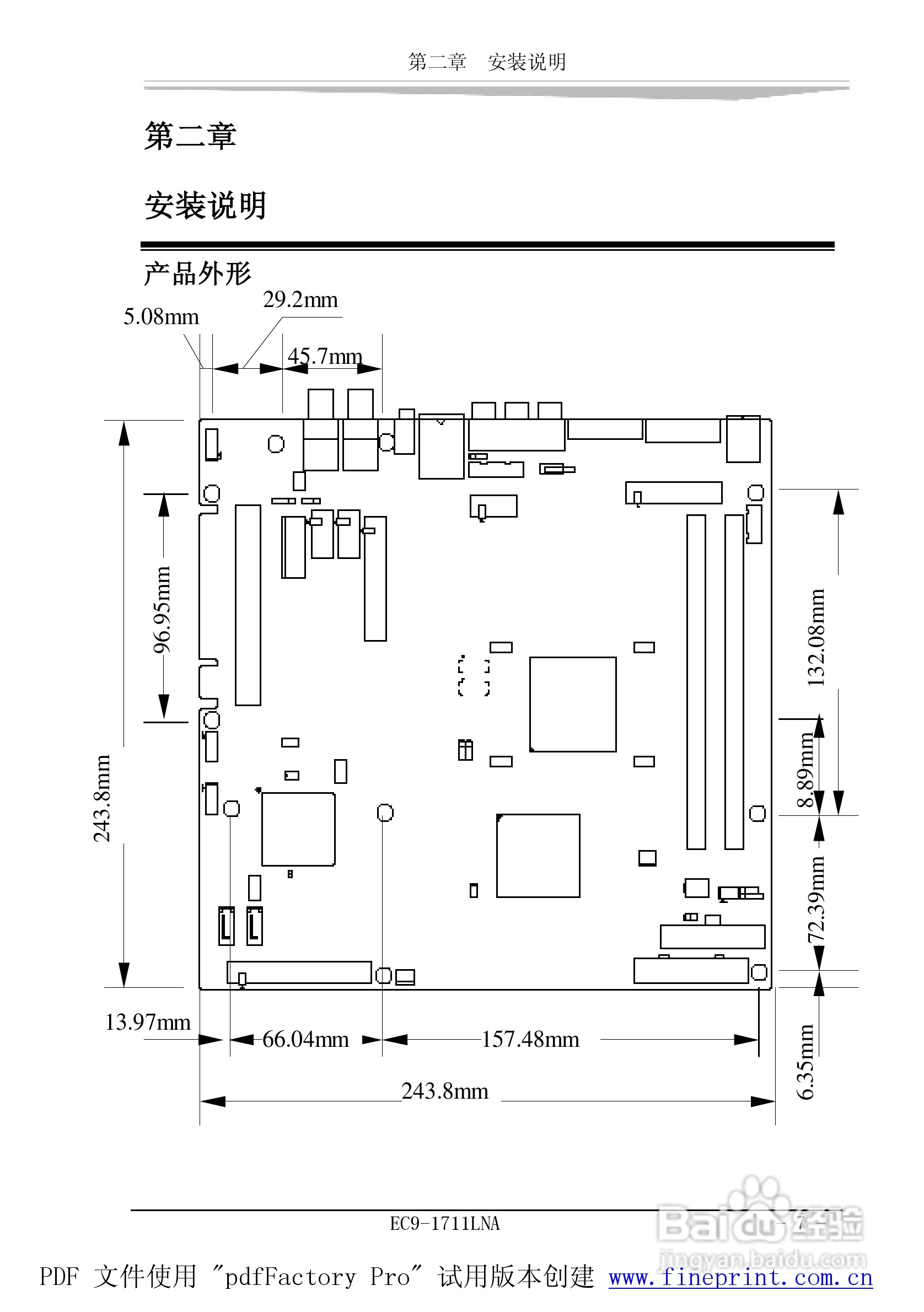
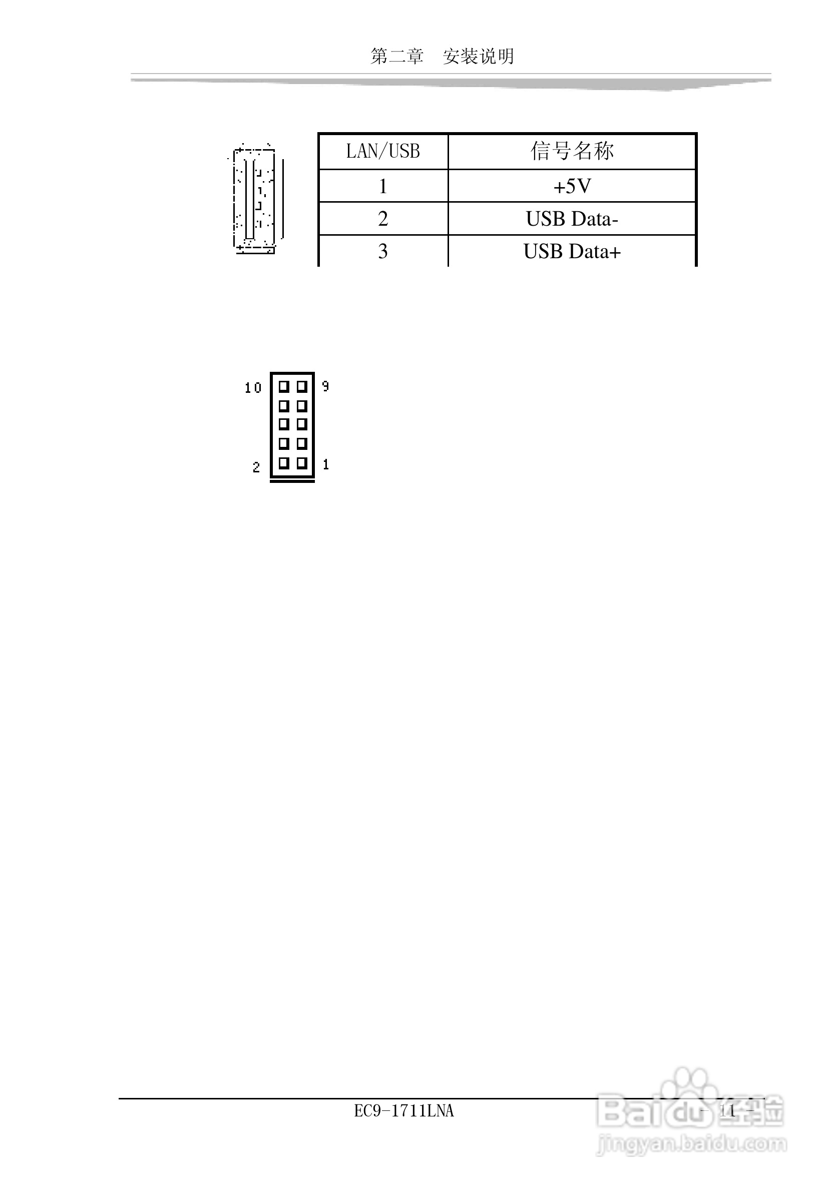
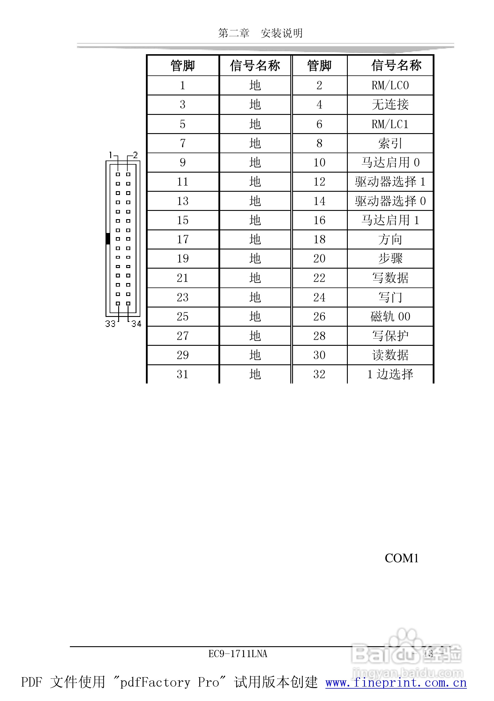
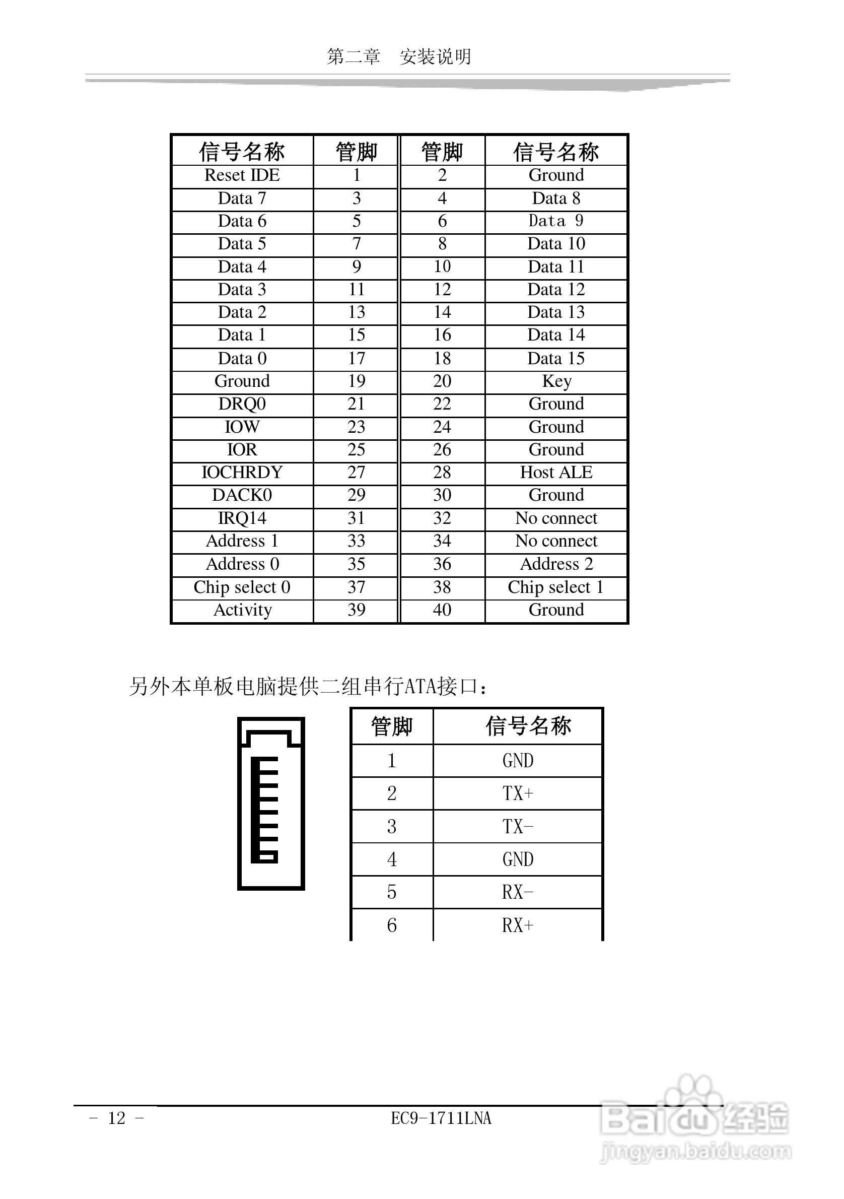
研祥EC9-1711LNA工业级CPU板卡说明书:[2]
2026-01-10 02:11:28
本篇为《研祥EC9-1711LNA工业级CPU板卡说明书》,主要介绍该产品的使用方法以及常见故障解决方案。
(共篇)
上一篇:
|
下一篇:
声明:
本网站引用、摘录或转载内容仅供网站访问者交流或参考,不代表本站立场,如存在版权或非法内容,请联系站长删除,联系邮箱:site.kefu@qq.com。
相关推荐
研祥EC9-1711LNA工业级CPU板卡说明书:[1]
阅读量:139
研祥NET-1711VD4N工业级CPU板卡说明书:[2]
阅读量:130
研祥EC5-1711CLDNA工业级CPU板卡说明书:[7]
阅读量:149
研祥104-1711CLDN工业级CPU板卡说明书:[2]
阅读量:131
研祥104-1711CLDN工业级CPU板卡说明书:[3]
阅读量:43
猜你喜欢
生僻字怎么打
阳萎早泄怎么办
上汽大通g10怎么样
莲子心泡水
陆风汽车怎么样
进击的巨人哪里可以看
光猫路由器
螃蟹哪里不能吃
结婚证在哪里办
qq我的收藏在哪里
猜你喜欢
性功能障碍怎么治疗
个子如何长高
日产阳光车怎么样
产后如何恢复
如何降血糖
怎么在贴吧发帖
电脑如何设置自动关机
雅漾防晒霜怎么样
千年之后的你会在哪里
如何练习普通话