指南生活
首页
美食营养
手工爱好
生活家居
返回
指南生活
首页
美食营养
游戏数码
手工爱好
生活家居
健康养生
运动户外
职场理财
情感交际
母婴教育
时尚美容
知识问答
生活知识
生活百科
搜索
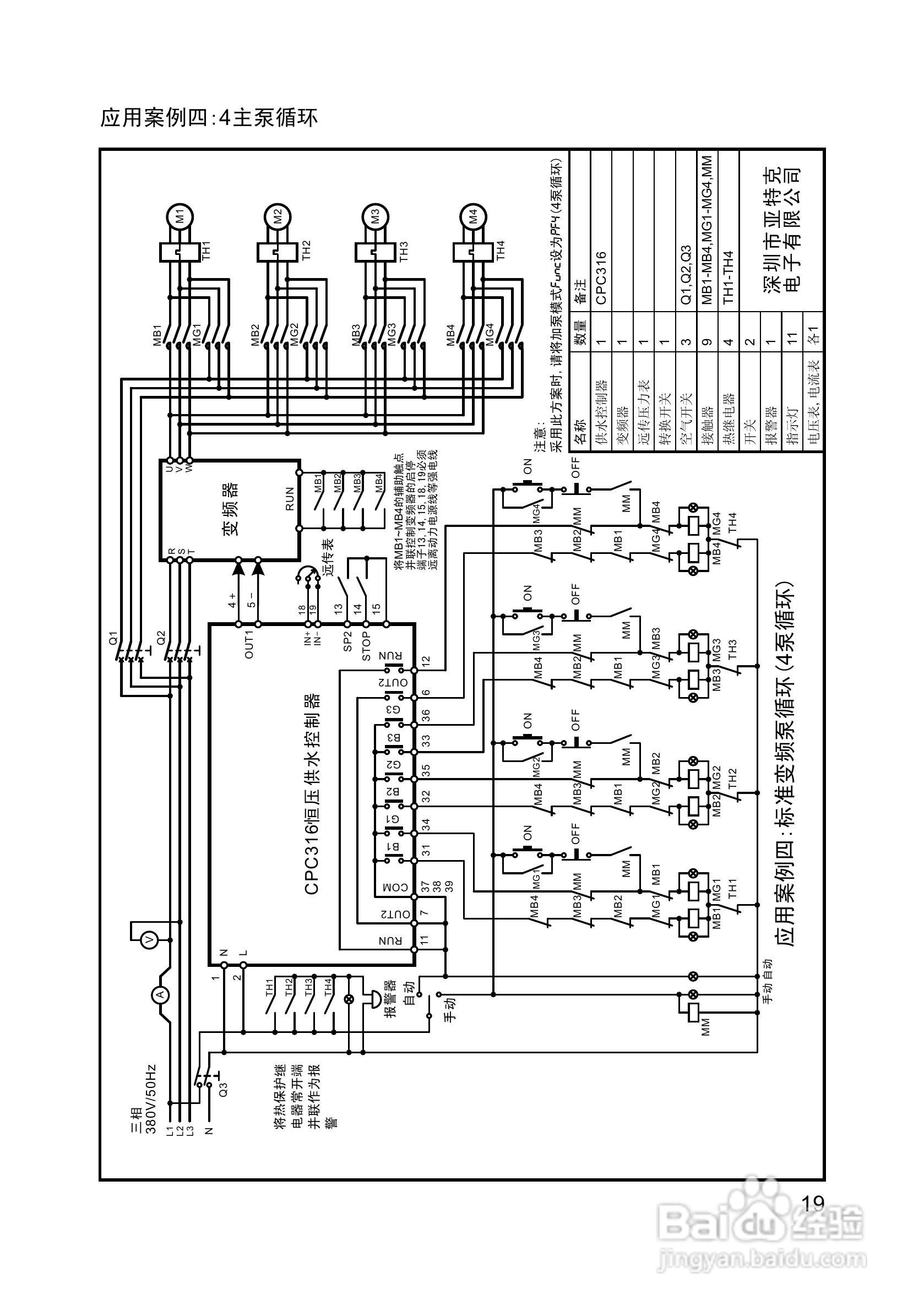
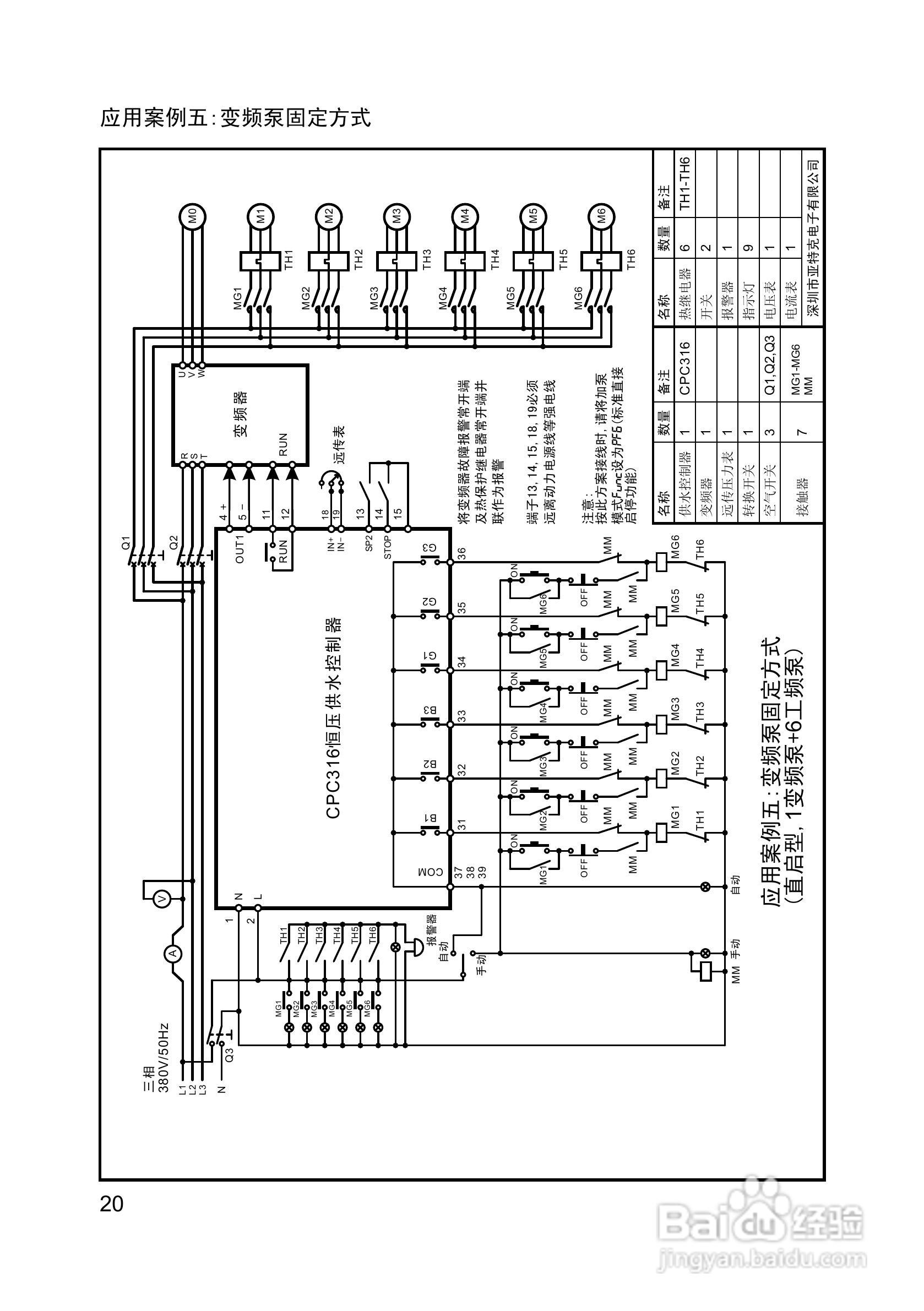
CPC316变频恒压供水控制器V4版使用说明书:[3]
2026-04-18 11:36:38
本篇为《CPC316变频恒压供水控制器V4版使用说明书》,主要介绍该产品的使用方法以及常见故障解决方案。
(共篇)
上一篇:
声明:
本网站引用、摘录或转载内容仅供网站访问者交流或参考,不代表本站立场,如存在版权或非法内容,请联系站长删除,联系邮箱:site.kefu@qq.com。
相关推荐
CPC316变频恒压供水控制器V4版使用说明书:[1]
阅读量:113
亚特克CPC316变频恒压供水控制器使用说明书:[1]
阅读量:185
HB-CPS646变频恒压供水控制器使用说明书:[2]
阅读量:75
宇恒电气YH646恒压供水控制器说明书:[3]
阅读量:35
HB-CPS646变频恒压供水控制器使用说明书:[1]
阅读量:187
猜你喜欢
cosplay什么意思
remember是什么意思
ttl是什么意思
面首是什么
flat是什么意思
joy是什么意思
原来我们都是过客是什么歌
走穴是什么意思
干咳是什么意思
什么是人生观
猜你喜欢
喜出望外的望什么意思
虔诚是什么意思
什么考生适合提前批
苏维埃是什么意思
详细的近义词是什么
什么是信托
哲学家们都干了些什么
noon是什么意思
黑匣子是什么东西
撸啊撸是什么游戏