指南生活
首页
美食营养
手工爱好
生活家居
返回
指南生活
首页
美食营养
游戏数码
手工爱好
生活家居
健康养生
运动户外
职场理财
情感交际
母婴教育
时尚美容
知识问答
生活知识
生活百科
搜索
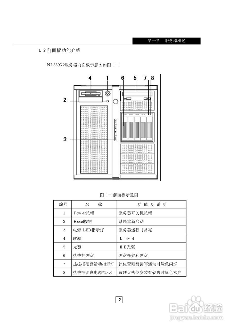
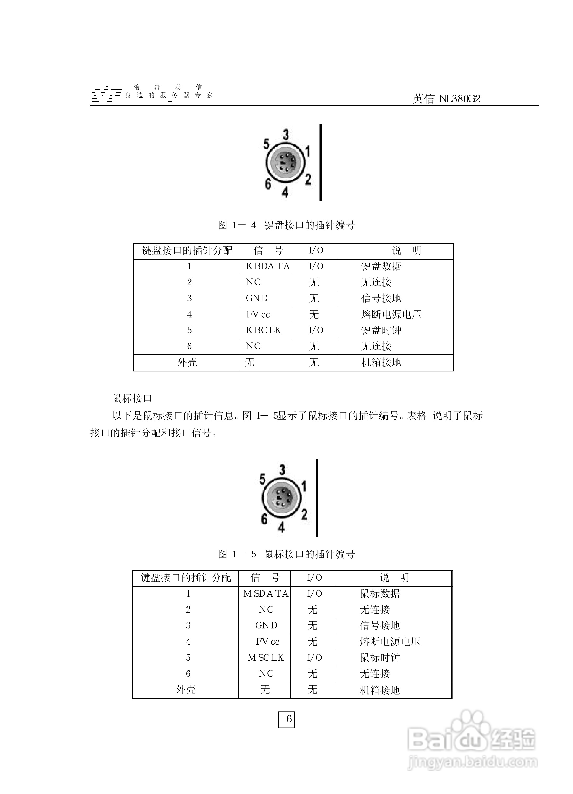
浪潮英信服务器NL380G2用户手册说明书:[1]
2026-04-26 08:06:48
本篇为《浪潮英信服务器NL380G2用户手册说明书》,主要介绍该产品的使用方法以及常见故障解决方案。
(共篇)
下一篇:
声明:
本网站引用、摘录或转载内容仅供网站访问者交流或参考,不代表本站立场,如存在版权或非法内容,请联系站长删除,联系邮箱:site.kefu@qq.com。
相关推荐
浪潮英信服务器NL380G2用户手册说明书:[3]
阅读量:116
浪潮英信服务器NL380G2用户手册说明书:[4]
阅读量:110
浪潮英信服务器NL230G2用户手册说明书:[5]
阅读量:180
浪潮英信服务器NP110G2用户手册说明书:[1]
阅读量:51
浪潮服务器系统安装
阅读量:165
猜你喜欢
熙熙攘攘的近义词
老年斑怎么消除
大饼脸适合什么发型
怎么看五线谱
绿豆沙怎么做
过敏性紫癜怎么治疗
蝈蝈怎么养
银行利息怎么计算
湖南工业大学怎么样
撸管撸多了会怎么样
猜你喜欢
意外保险怎么买
怎么样做蛋糕
长脸适合什么发型
结题报告怎么写
沉寂的近义词
太平公主怎么死的
会议记录怎么做
垂头丧气的近义词
建筑占地面积怎么算
上海儿童博物馆