指南生活
首页
美食营养
手工爱好
生活家居
返回
指南生活
首页
美食营养
游戏数码
手工爱好
生活家居
健康养生
运动户外
职场理财
情感交际
母婴教育
时尚美容
知识问答
生活知识
生活百科
搜索
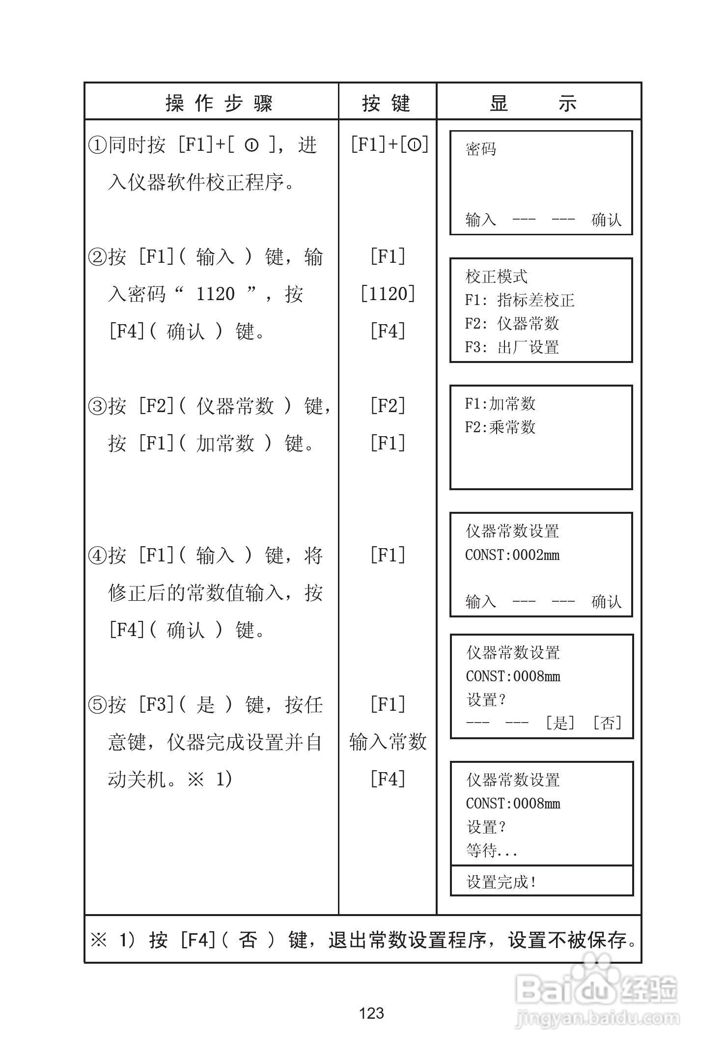
苏州一光RTS630D全站仪使用说明书:[14]
2026-03-26 01:40:20
本篇为《苏州一光RTS630D全站仪使用说明书》,主要介绍该产品的使用方法以及常见故障解决方案。
(共篇)
上一篇:
|
下一篇:
声明:
本网站引用、摘录或转载内容仅供网站访问者交流或参考,不代表本站立场,如存在版权或非法内容,请联系站长删除,联系邮箱:site.kefu@qq.com。
相关推荐
苏州一光RTS630D全站仪使用说明书:[12]
阅读量:35
苏州一光RTS630D全站仪使用说明书:[9]
阅读量:147
苏州一光RTS322R5全站仪使用说明书:[14]
阅读量:161
上煇RTS-630全站仪说明书:[14]
阅读量:167
使用说明书封面怎么做
阅读量:69
猜你喜欢
四讲四有是什么
摆布的近义词是什么
产检都检查什么
短路是什么意思
随迁子女是什么意思
今天是什么节气
置产是什么意思
仝是什么意思
编导是做什么的
痛苦的近义词是什么
猜你喜欢
补办房产证需要什么手续
青青子衿什么意思
吸猫是什么意思
kw是什么意思
蜱虫是什么
二次元是什么
shelf是什么意思
ssd是什么意思
pmc是什么意思
爱因斯坦发明了什么