指南生活
首页
美食营养
手工爱好
生活家居
返回
指南生活
首页
美食营养
游戏数码
手工爱好
生活家居
健康养生
运动户外
职场理财
情感交际
母婴教育
时尚美容
知识问答
生活知识
搜索
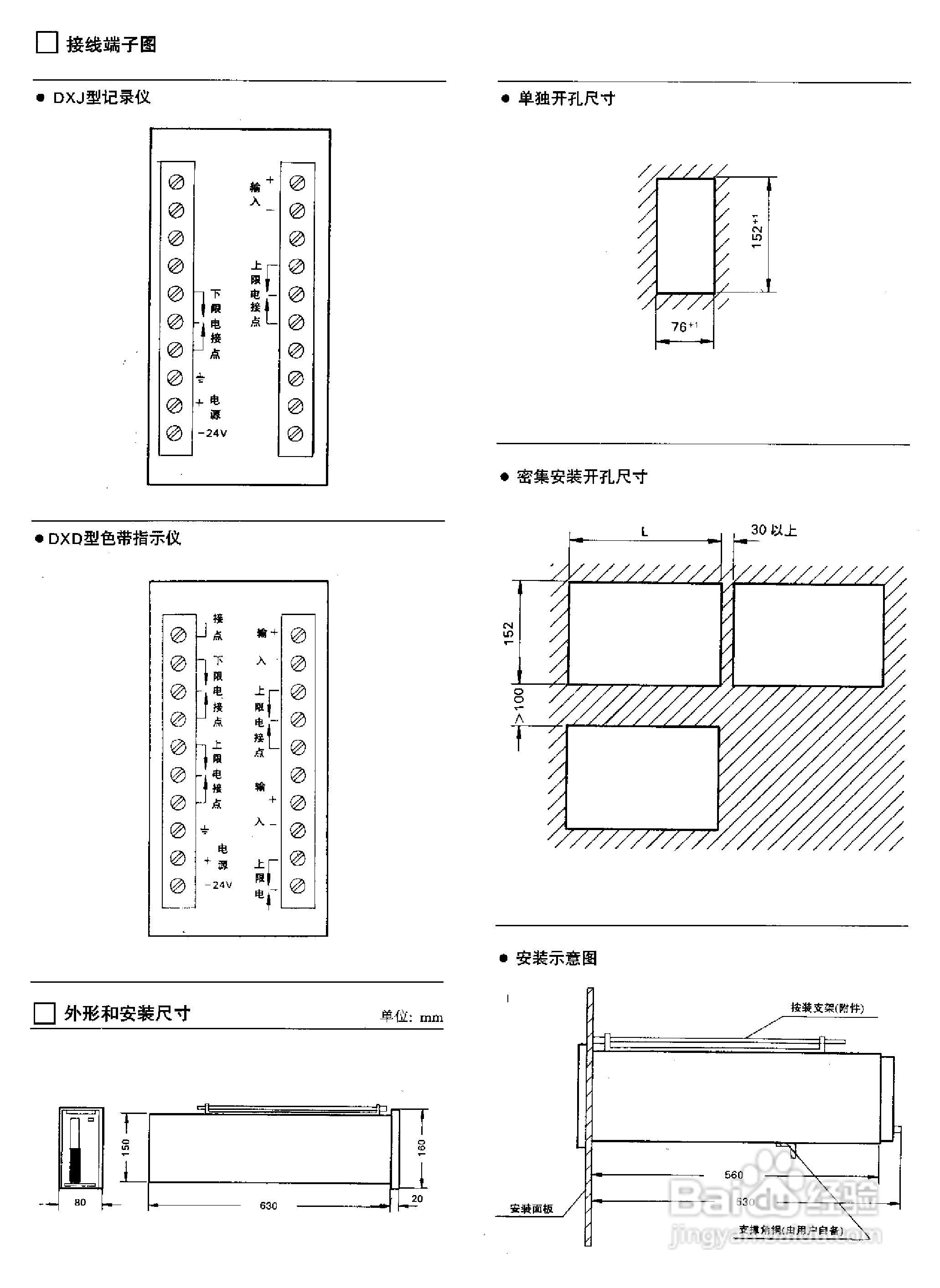
XWZK-1537A快速自动平衡显示记录仪说明书:[9]
2025-12-13 08:51:35
本篇为《XWZK-1537A快速自动平衡显示记录仪说明书》,主要介绍该产品的使用方法以及常见故障解决方案。
(共篇)
上一篇:
声明:
本网站引用、摘录或转载内容仅供网站访问者交流或参考,不代表本站立场,如存在版权或非法内容,请联系站长删除,联系邮箱:site.kefu@qq.com。
相关推荐
VX8100R记录仪使用说明书:[9]
阅读量:92
行车记录仪的用处
阅读量:150
【行车记录仪】行车记录仪的作用
阅读量:70
行车记录仪的作用
阅读量:158
行车记录仪是什么
阅读量:157
猜你喜欢
团结的反义词是什么
给老师送什么花
so that是什么意思
421是什么意思
电子商务是什么专业
skr是什么意思
踢脚线是什么
七夕送什么给女朋友
7月21日是什么星座
诲人不倦是什么意思
猜你喜欢
crm是什么意思
tph是什么意思
ram是什么
最好玩的游戏是什么
something是什么意思
海市蜃楼是什么意思
house是什么意思
家用保险柜什么牌子好
护照类型p是什么意思
容积率是什么