指南生活
首页
美食营养
手工爱好
生活家居
返回
指南生活
首页
美食营养
游戏数码
手工爱好
生活家居
健康养生
运动户外
职场理财
情感交际
母婴教育
时尚美容
知识问答
生活知识
生活百科
搜索
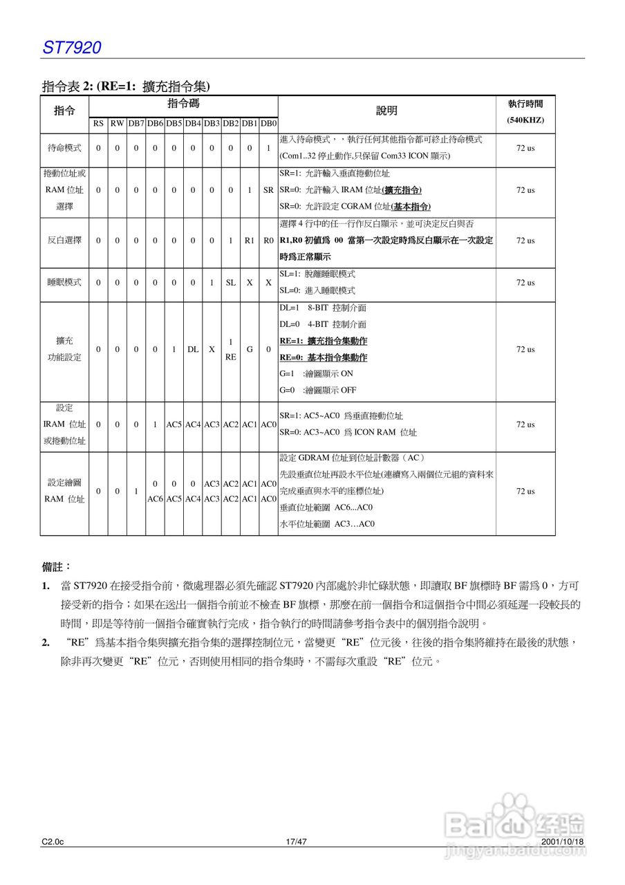
迪特福科技ST7920中文汉字库式控制器使用手册:[2]
2026-03-24 13:08:01
本篇为《迪特福科技ST7920中文汉字库式控制器使用手册》,主要介绍该产品的使用方法以及常见故障解决方案。
(共篇)
上一篇:
|
下一篇:
声明:
本网站引用、摘录或转载内容仅供网站访问者交流或参考,不代表本站立场,如存在版权或非法内容,请联系站长删除,联系邮箱:site.kefu@qq.com。
相关推荐
迪特福科技ST7920中文汉字库式控制器使用手册:[1]
阅读量:40
迪特福科技SED1520点阵图形式控制器使用手册:[2]
阅读量:90
控制器暂停功能的实现步骤
阅读量:168
迪特福科技ST7920中文汉字库式控制器使用手册:[3]
阅读量:101
迪特福科技ST7920中文汉字库式控制器使用手册:[4]
阅读量:111
猜你喜欢
amg是什么意思
秋天喝什么汤好
晚安祝福语
smtp是什么意思
没心没肺是什么意思
乌龙是什么意思
raise是什么意思
闺蜜生日快乐祝福语
浅尝辄止是什么意思
什么是黄蜡石
猜你喜欢
莺歌燕舞的意思
奠基的意思
情不自禁的意思是什么
民法典是什么意思
掉期是什么意思
审驾照需要什么
独特的意思
glue是什么意思
一到十的祝福语
什么取暖器效果好