指南生活
首页
美食营养
手工爱好
生活家居
返回
指南生活
首页
美食营养
游戏数码
手工爱好
生活家居
健康养生
运动户外
职场理财
情感交际
母婴教育
时尚美容
知识问答
生活知识
搜索
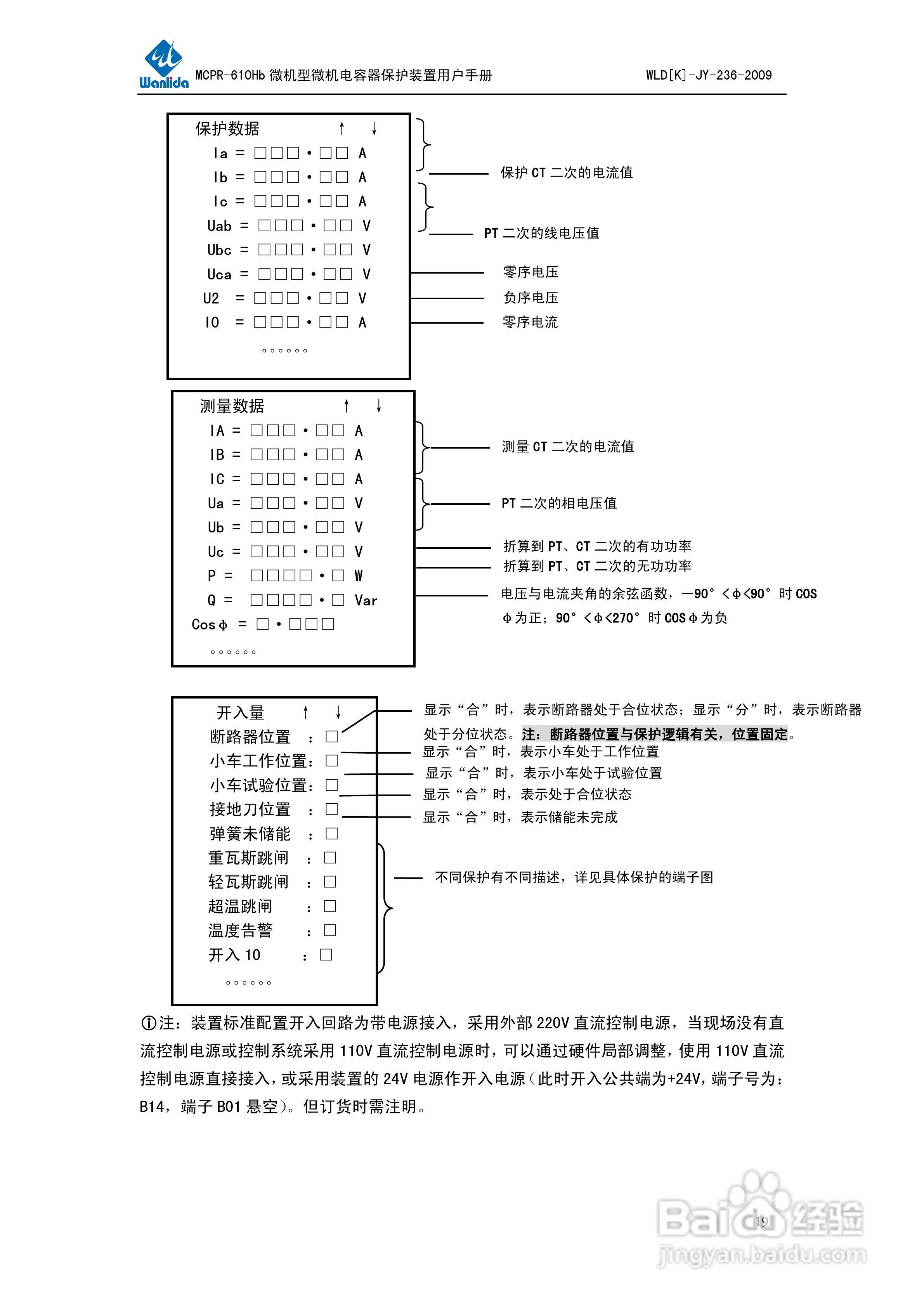
MCPR-610Hb微机型电容器保护测控装置用户手册:[2]
2025-12-05 21:09:00
本篇为《MCPR-610Hb微机型电容器保护测控装置用户手册》,主要介绍该产品的使用方法以及常见故障解决方案。
(共篇)
上一篇:
|
下一篇:
声明:
本网站引用、摘录或转载内容仅供网站访问者交流或参考,不代表本站立场,如存在版权或非法内容,请联系站长删除,联系邮箱:site.kefu@qq.com。
相关推荐
MCPR-610Hb微机型电容器保护测控装置用户手册:[4]
阅读量:191
MCPR-610Hb微机型电容器保护测控装置用户手册:[1]
阅读量:26
微机继电保护测试仪软件操作方法
阅读量:191
MCPR-610Hb微机型电容器保护测控装置用户手册:[3]
阅读量:141
MLPR-610Hb微机型线路保护测控装置用户手册:[2]
阅读量:183
猜你喜欢
妇宁栓效果怎么样
鬼鲛怎么死的
难度系数怎么算
痰多怎么办
馅饼怎么做
桐乡到乌镇怎么坐车
森林怎么联机
逆行怎么处罚
小孩消化不良怎么办
微信怎么发说说
猜你喜欢
胀气怎么办快速解决
怎么蒸馒头
房子面积怎么算
手机怎么改路由器密码
眼球突出怎么恢复
400米怎么跑
煮鸡蛋怎么煮
首行缩进怎么设置
香菇怎么做
柯珞克怎么样