指南生活
首页
美食营养
手工爱好
生活家居
返回
指南生活
首页
美食营养
游戏数码
手工爱好
生活家居
健康养生
运动户外
职场理财
情感交际
母婴教育
时尚美容
知识问答
生活知识
生活百科
搜索
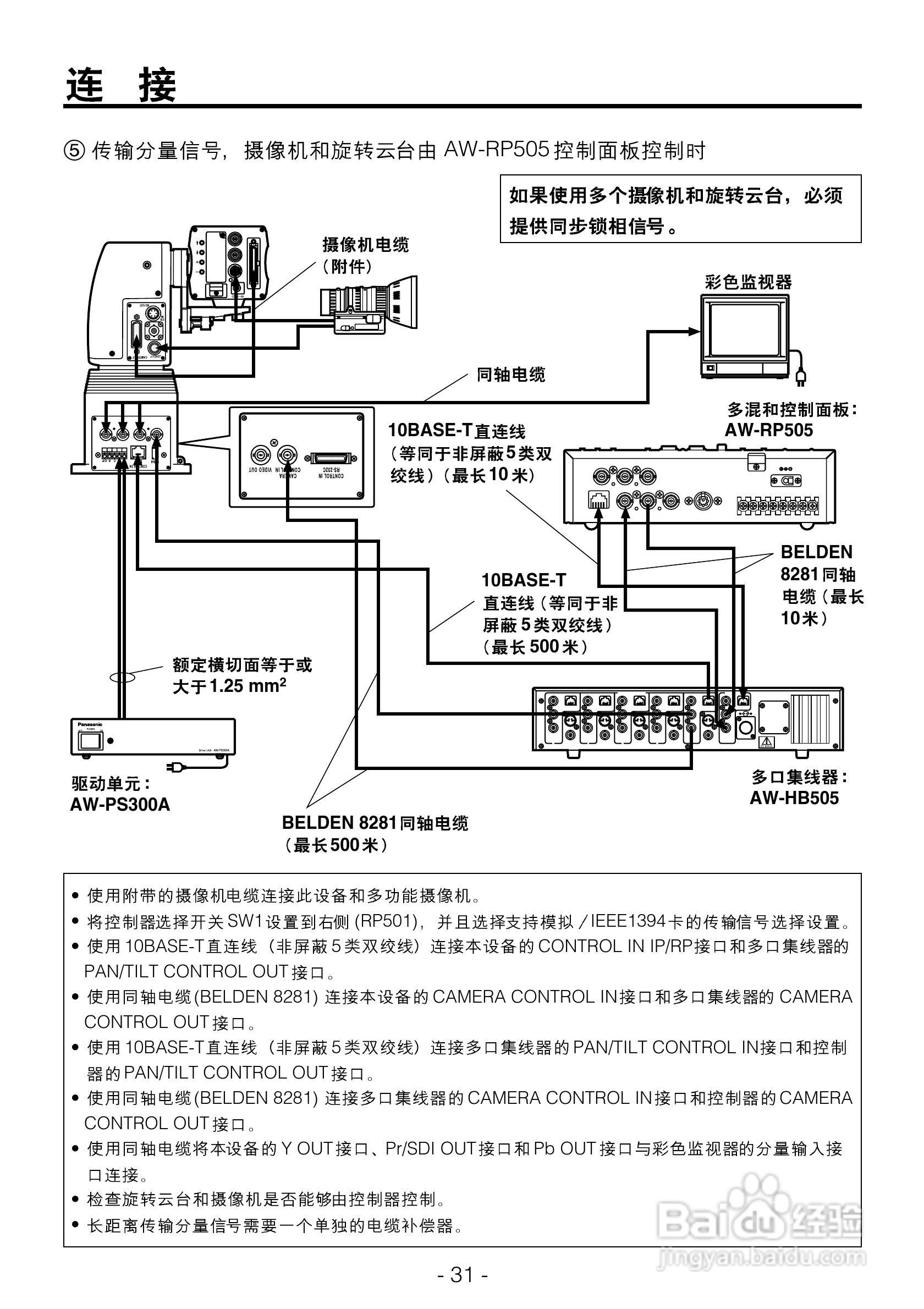
松下AW-PH360L室内旋转云台操作手册:[4]
2026-03-28 11:23:24
本篇为《松下AW-PH360L室内旋转云台操作手册》,主要介绍该产品的使用方法以及常见故障解决方案。
(共篇)
上一篇:
|
下一篇:
声明:
本网站引用、摘录或转载内容仅供网站访问者交流或参考,不代表本站立场,如存在版权或非法内容,请联系站长删除,联系邮箱:site.kefu@qq.com。
相关推荐
松下AW-PH360L室内旋转云台操作手册:[3]
阅读量:25
松下AW-PH360L室内旋转云台操作手册:[2]
阅读量:136
如何安装照相机云台
阅读量:131
三脚架云台是什么
阅读量:67
【手持云台教学】灵眸Osmo手机云台教程
阅读量:152
猜你喜欢
计提工资是什么意思
婴儿尿不湿什么牌子好
交易所是做什么的
谛听的意思
什么是哲学及其含义
回赠是什么意思
笑里藏刀的意思
bee是什么意思
improve是什么意思
娱乐的意思
猜你喜欢
飞蛾扑火是什么意思
八月十五又称什么节
蕾丝是什么意思
毁灭的意思
盛气凌人的凌是什么意思
崇拜的意思
梦见前男友代表什么
重阳节祝福老人的话
stdev是什么意思
华为什么型号的手机好