指南生活
首页
美食营养
手工爱好
生活家居
返回
指南生活
首页
美食营养
游戏数码
手工爱好
生活家居
健康养生
运动户外
职场理财
情感交际
母婴教育
时尚美容
知识问答
生活知识
生活百科
搜索
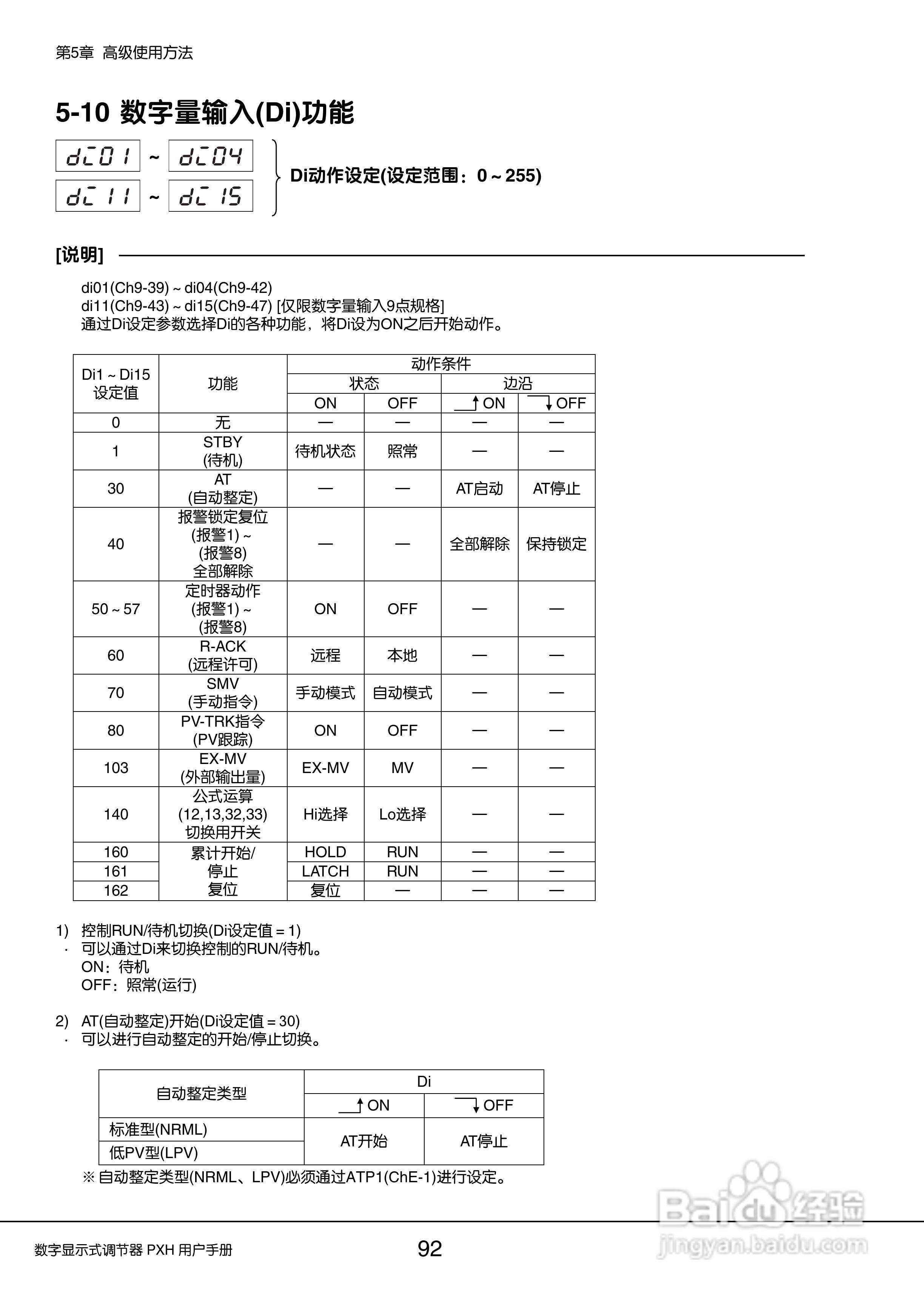
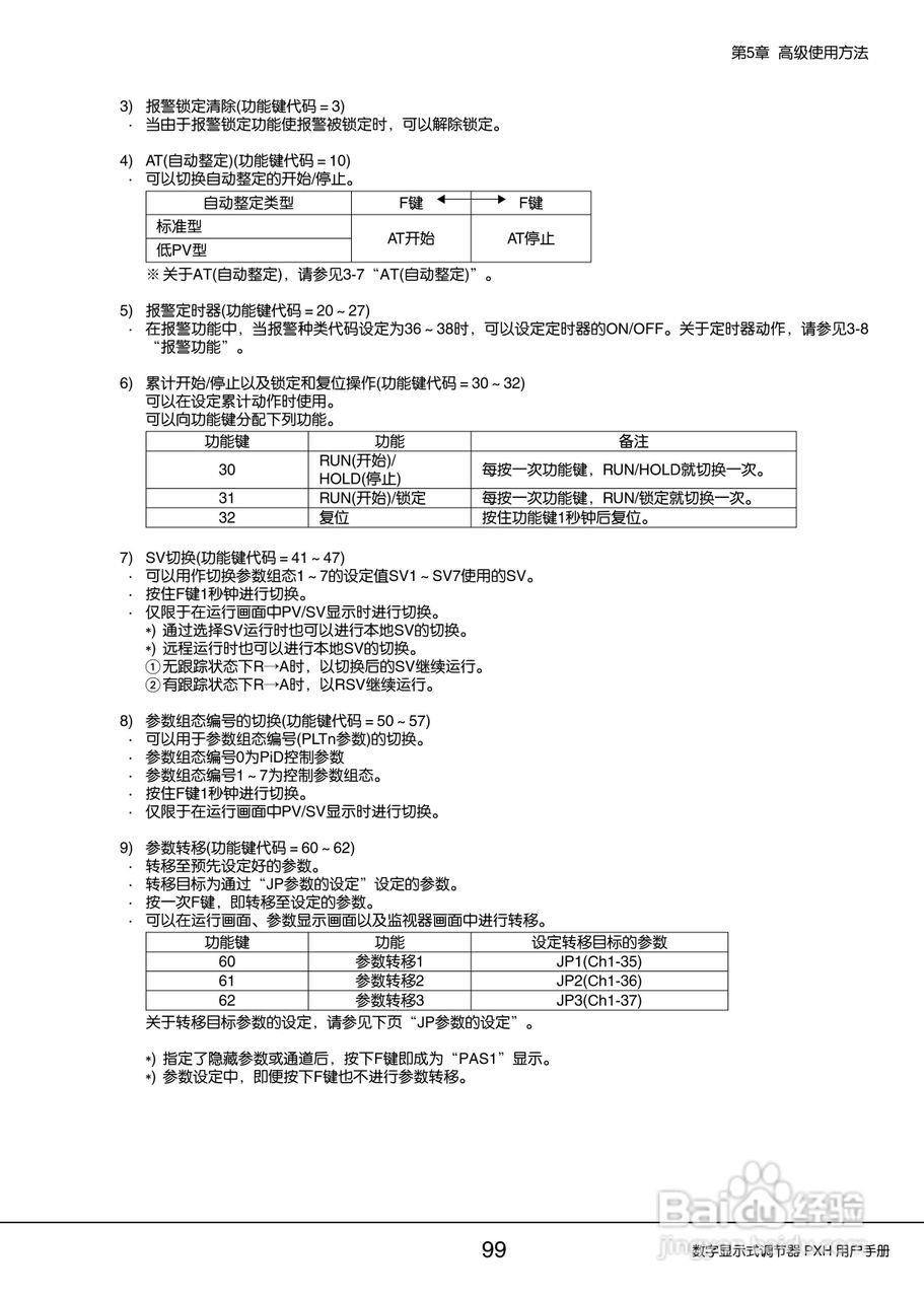
富士PXH加热/制冷控制型数字显示式调节器操作手册:[10]
2026-03-24 15:17:48
本篇为《富士PXH加热/制冷控制型数字显示式调节器操作手册》,主要介绍该产品的使用方法以及常见故障解决方案。
(共篇)
上一篇:
|
下一篇:
声明:
本网站引用、摘录或转载内容仅供网站访问者交流或参考,不代表本站立场,如存在版权或非法内容,请联系站长删除,联系邮箱:site.kefu@qq.com。
相关推荐
富士PXH加热/制冷控制型数字显示式调节器操作手册:[8]
阅读量:135
富士PXH加热/制冷控制型数字显示式调节器操作手册:[14]
阅读量:162
富士施乐s2110扫描设置
阅读量:23
富士施乐s2520扫描设置教程
阅读量:141
富士施乐硒鼓清零方法
阅读量:111
猜你喜欢
10月19日是什么星座
1973年属什么
用户名是什么
五月开什么花
科目四考什么
公司上市是什么意思
麻豆是什么意思
曦是什么意思
股癣用什么药最好
wear是什么意思
猜你喜欢
一次什么的尝试
全网通是什么意思
男士面膜什么牌子好
保险丝是什么材料
英语四级什么时候考
hkd是什么货币
受让是什么意思
arc是什么意思
poi是什么意思
有教无类什么意思