指南生活
首页
美食营养
手工爱好
生活家居
返回
指南生活
首页
美食营养
游戏数码
手工爱好
生活家居
健康养生
运动户外
职场理财
情感交际
母婴教育
时尚美容
知识问答
生活知识
生活百科
搜索
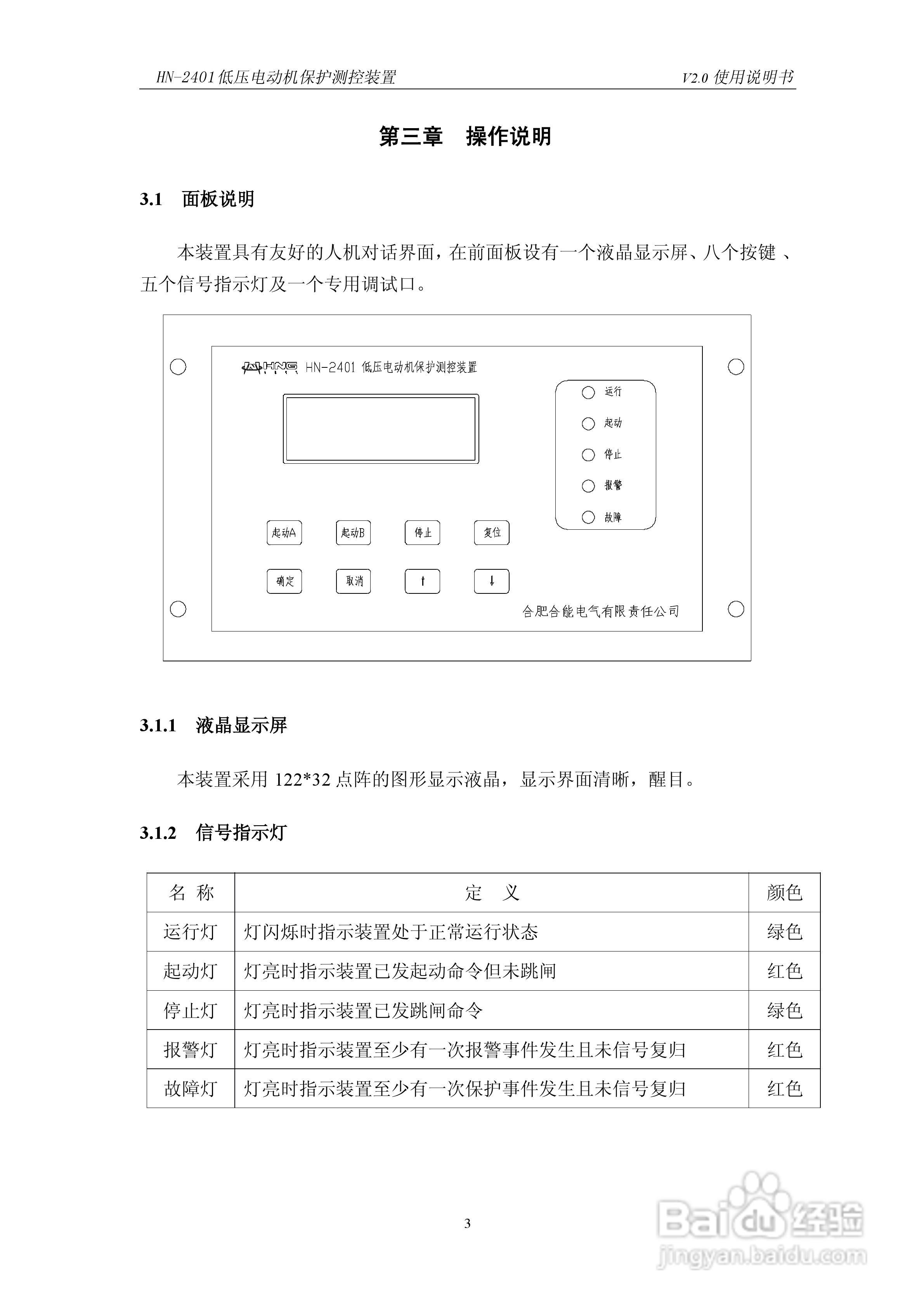
HN-2401低压电动机保护测控装置使用说明书:[1]
2026-05-11 06:06:02
本篇为《HN-2401低压电动机保护测控装置使用说明书》,主要介绍该产品的使用方法以及常见故障解决方案。
(共篇)
下一篇:
声明:
本网站引用、摘录或转载内容仅供网站访问者交流或参考,不代表本站立场,如存在版权或非法内容,请联系站长删除,联系邮箱:site.kefu@qq.com。
相关推荐
HN-2401低压电动机保护测控装置使用说明书:[2]
阅读量:45
WDH-823微机电动机保护测控装置说明书:[1]
阅读量:84
金智科技WDZ-5232电动机保护测控装置说明书:[1]
阅读量:184
金智科技WDZ-5233电动机综合保护测控装置说明书:[1]
阅读量:51
天能DMP-31B数字电动机保护测控装置说明书:[1]
阅读量:64
猜你喜欢
美图秀秀怎么换发型
板栗怎么吃
怎么治疗脂溢性脱发
倒三角发型
qq密保怎么设置
怎么分辨处男
孕期感冒怎么办
怎么才能学好英语
胃肠道感冒
搜索的近义词
猜你喜欢
玉米烫发型图片
文件夹怎么隐藏
诧异的近义词是什么
房子贷款利息怎么算
寻觅的近义词是什么
头屑多怎么办
湿润的近义词
古生物博物馆
碗莲种子怎么种
黑眼圈怎么快速消除