指南生活
首页
美食营养
手工爱好
生活家居
返回
指南生活
首页
美食营养
游戏数码
手工爱好
生活家居
健康养生
运动户外
职场理财
情感交际
母婴教育
时尚美容
知识问答
生活知识
生活百科
搜索
松下 AW-PH405MC室内旋转云台操作手册:[3]
2026-03-27 08:07:25
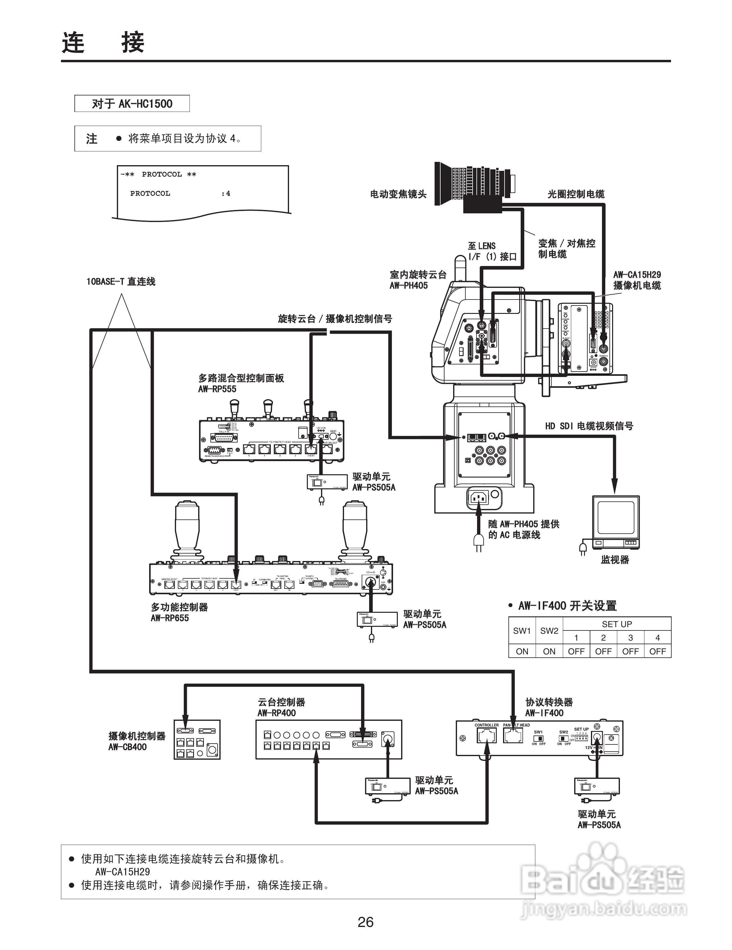
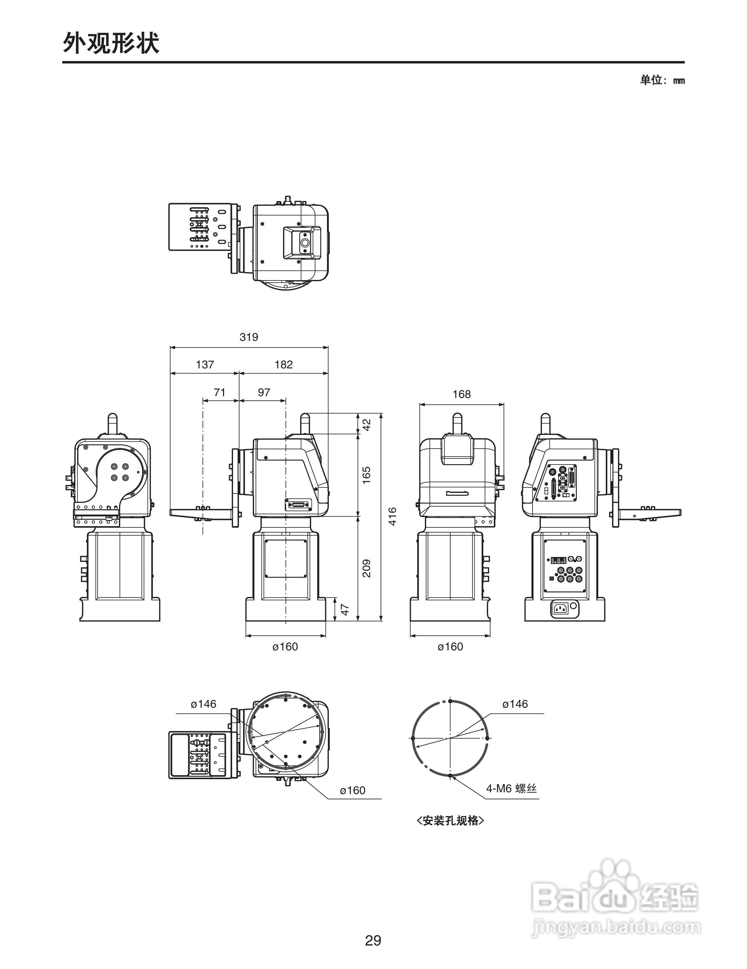
本篇为《松下 AW-PH405MC室内旋转云台操作手册》,主要介绍该产品的使用方法以及常见故障解决方案。
(共篇)
上一篇:
|
下一篇:
声明:
本网站引用、摘录或转载内容仅供网站访问者交流或参考,不代表本站立场,如存在版权或非法内容,请联系站长删除,联系邮箱:site.kefu@qq.com。
相关推荐
松下 AW-PH405MC室内旋转云台操作手册:[1]
阅读量:195
帝国OL刀侠攻略
阅读量:58
奇迹MU觉醒如何添加好友
阅读量:50
神之幻地1.10初级装备合成升级方法
阅读量:32
神仙道深度分析护送取经攻略
阅读量:134
猜你喜欢
partner是什么意思
过河拆桥的意思
无可救药的意思
房间隔断用什么材料
pin码是什么意思
神志不清的意思
三顾茅庐是什么意思
夜深人静的意思
囧读什么
儿童溜冰鞋什么牌子好
猜你喜欢
notice是什么意思
regard是什么意思
斡旋是什么意思
星罗棋布是什么意思
说三道四的意思
法考卷一卷二考什么
知己的意思
胆战心惊是什么意思
春眠不觉晓的意思
辗转的意思