指南生活
首页
美食营养
手工爱好
生活家居
返回
指南生活
首页
美食营养
游戏数码
手工爱好
生活家居
健康养生
运动户外
职场理财
情感交际
母婴教育
时尚美容
知识问答
生活知识
生活百科
搜索
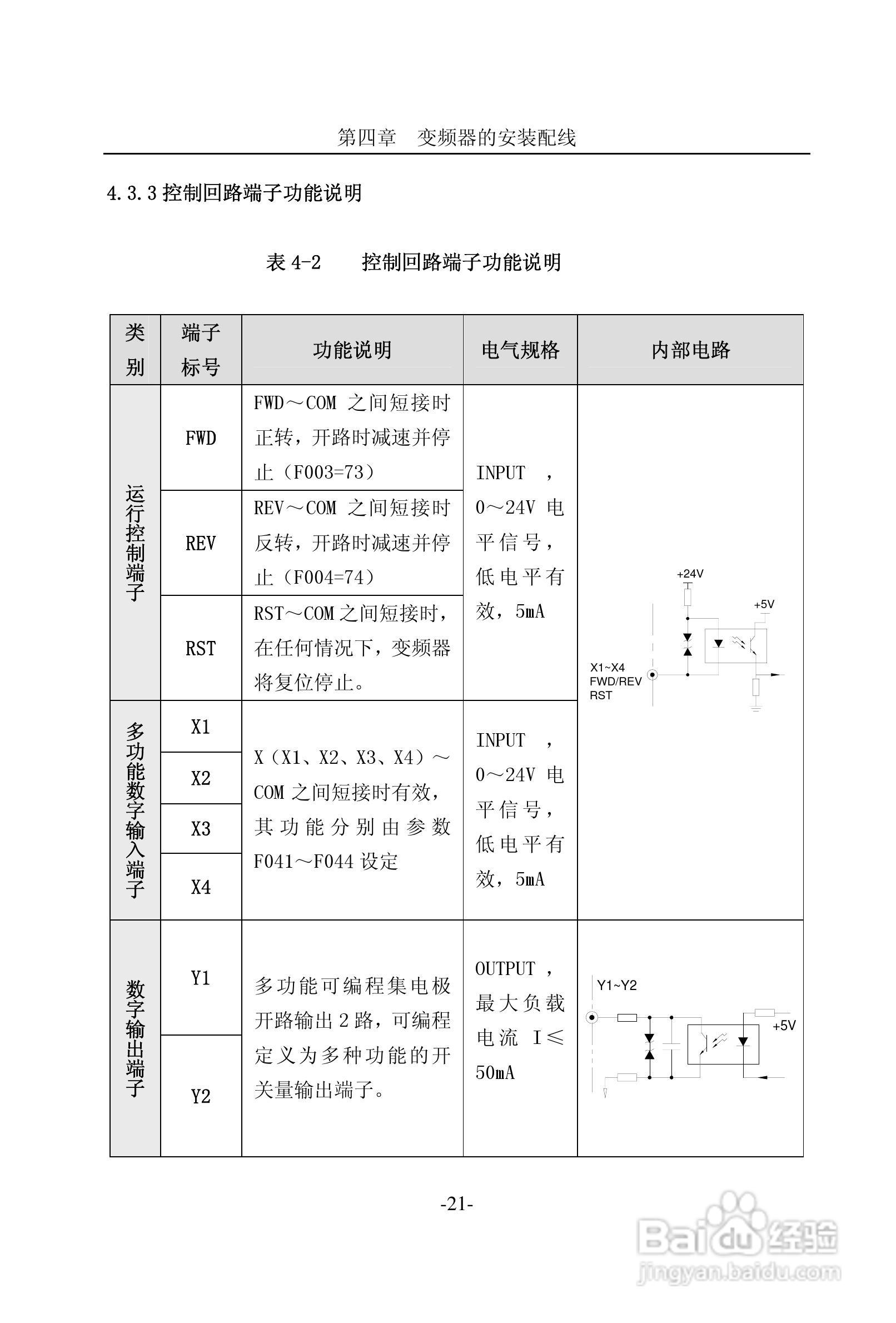
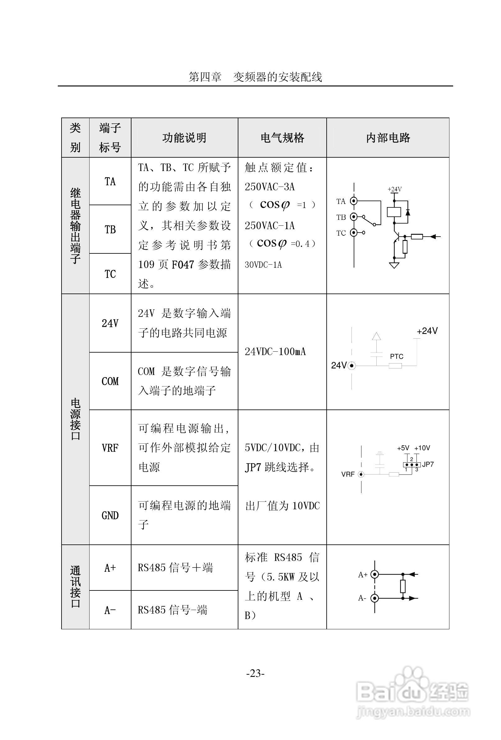
CM2000E系列变频器说明书:[3]
2026-04-23 20:34:47
本篇为《CM2000E系列变频器说明书》,主要介绍该产品的使用方法以及常见故障解决方案。
(共篇)
上一篇:
|
下一篇:
声明:
本网站引用、摘录或转载内容仅供网站访问者交流或参考,不代表本站立场,如存在版权或非法内容,请联系站长删除,联系邮箱:site.kefu@qq.com。
相关推荐
CM2000E系列变频器说明书:[5]
阅读量:27
KVF2000系列变频器使用说明书:[3]
阅读量:40
KVF2000系列变频器使用说明书:[4]
阅读量:86
KVF2000系列变频器使用说明书:[6]
阅读量:173
RY300系列变频器远程操作器说明书:[3]
阅读量:111
猜你喜欢
云南大理旅游攻略
九寨沟 旅游
蛋白打发不起来怎么办
无线局域网怎么设置
多囊卵巢可以怀孕吗
凉拌紫甘蓝
仙剑五攻略
梦幻西游造房子攻略
凉拌秋葵
怎么可以快速减肥
猜你喜欢
法兰琳卡化妆品怎么样
怎么用电脑打电话
世界旅游日
新社保卡怎么激活
可以结婚的游戏
蜈支洲岛旅游
糯米粉可以做什么好吃的
附睾头囊肿怎么治疗
还看今朝的还怎么读
见习报告怎么写