指南生活
首页
美食营养
手工爱好
生活家居
返回
指南生活
首页
美食营养
游戏数码
手工爱好
生活家居
健康养生
运动户外
职场理财
情感交际
母婴教育
时尚美容
知识问答
生活知识
搜索
苏州一光RTS322R5全站仪使用说明书:[4]
2025-12-28 03:26:18
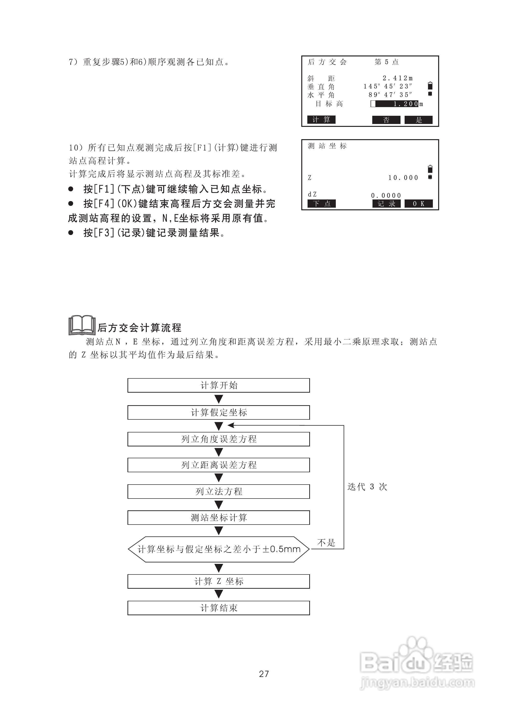
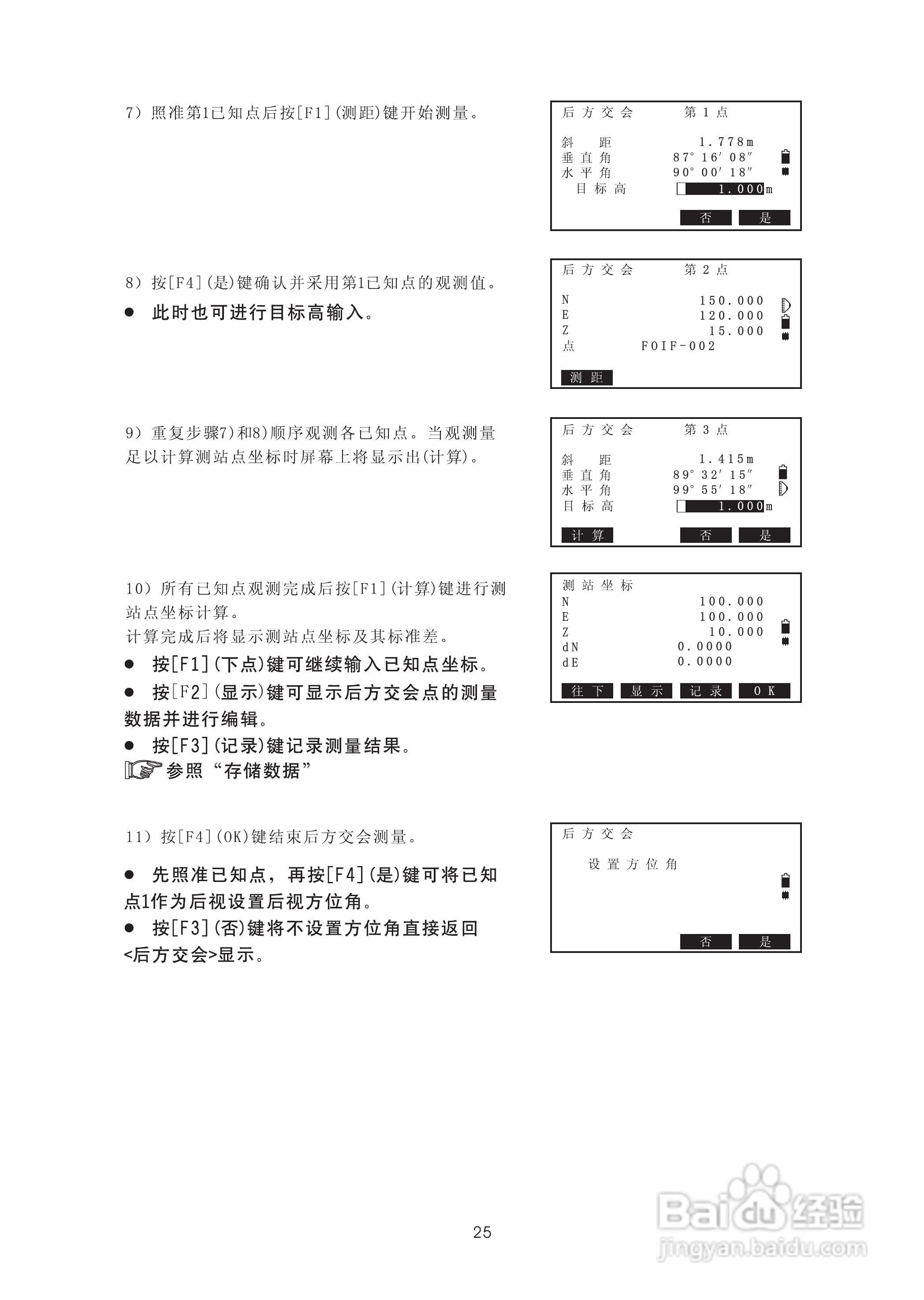
本篇为《苏州一光RTS322R5全站仪使用说明书》,主要介绍该产品的使用方法以及常见故障解决方案。
(共篇)
上一篇:
|
下一篇:
声明:
本网站引用、摘录或转载内容仅供网站访问者交流或参考,不代表本站立场,如存在版权或非法内容,请联系站长删除,联系邮箱:site.kefu@qq.com。
相关推荐
苏州一光RTS322R5全站仪使用说明书:[3]
阅读量:116
苏州一光RTS322R5全站仪使用说明书:[14]
阅读量:183
使用说明书封面怎么做
阅读量:25
使用说明书wf2651使用指南
阅读量:175
苏州一光RTS322R5全站仪使用说明书:[12]
阅读量:148
猜你喜欢
非暴力不合作运动
青蒿素作用
科学小知识大全
桂枝茯苓胶囊的作用
吃饭后多久可以运动
金钱草有什么功效
日加立念什么
运动会见闻600字
雪胆的功效与作用
什么叫小产权房
猜你喜欢
小学运动会开幕词
什么是药学
立体几何知识点
什么是表见代理
司法局属于什么机关
运动磁场
杨梅酒的功效和作用
金霉素眼膏的作用
党团知识
款冬花的功效与作用