指南生活
首页
美食营养
手工爱好
生活家居
返回
指南生活
首页
美食营养
游戏数码
手工爱好
生活家居
健康养生
运动户外
职场理财
情感交际
母婴教育
时尚美容
知识问答
生活知识
搜索
阿尔法(ALPHA)ALPHA2000-3280P变频器说明书:[3]
2025-11-20 14:16:25
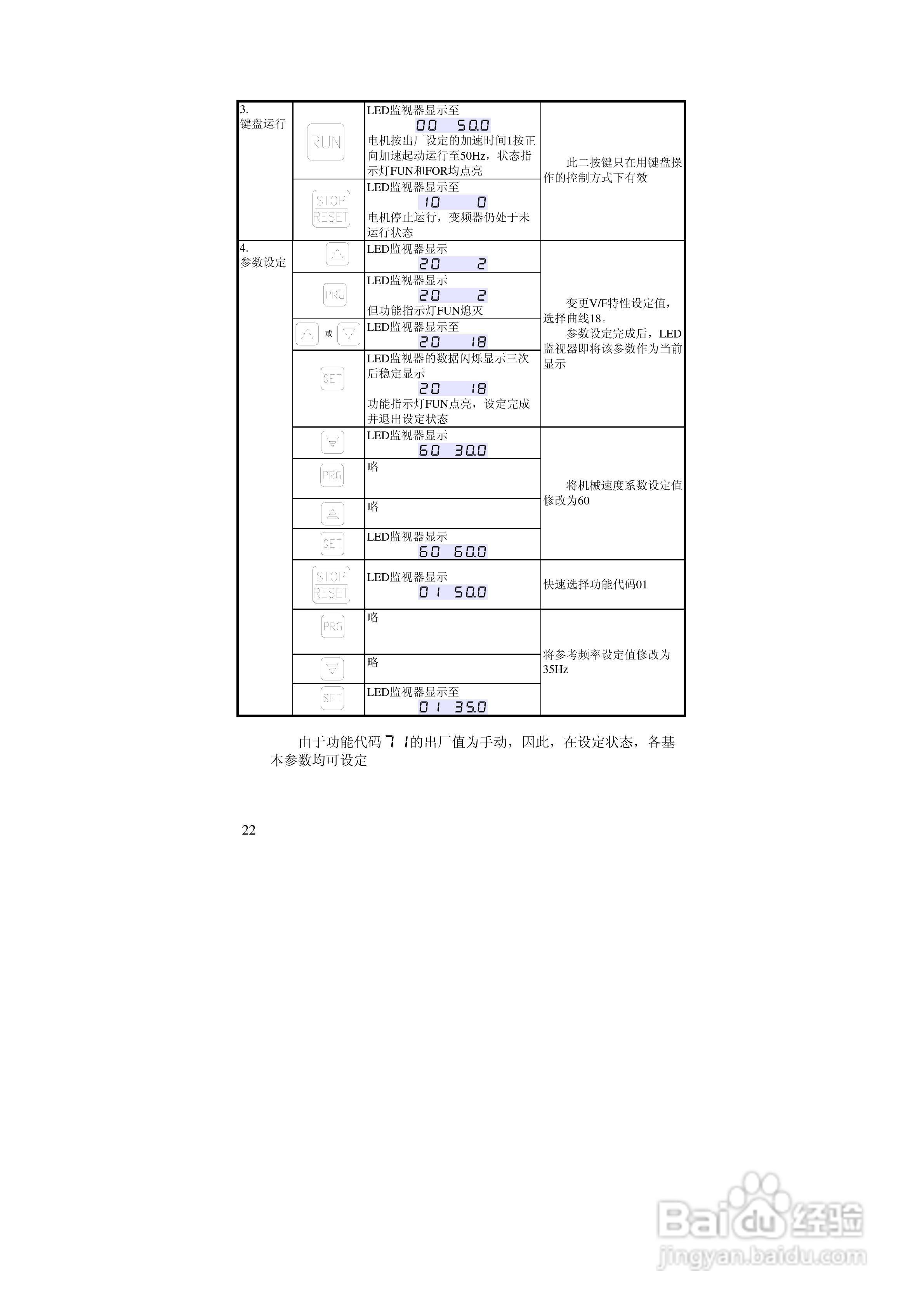
本篇为《阿尔法(ALPHA)ALPHA2000-3280P变频器说明书》,主要介绍该产品的使用方法以及常见故障解决方案。
(共篇)
上一篇:
|
下一篇:
声明:
本网站引用、摘录或转载内容仅供网站访问者交流或参考,不代表本站立场,如存在版权或非法内容,请联系站长删除,联系邮箱:site.kefu@qq.com。
相关推荐
阿尔法(ALPHA)ALPHA2000-3280P变频器说明书:[6]
阅读量:38
阿尔法(ALPHA)ALPHA2000-3132Z变频器说明书:[3]
阅读量:56
阿尔法(ALPHA)ALPHA2000-3132Z变频器说明书:[1]
阅读量:132
阿尔法(ALPHA)ALPHA2000-3132Z变频器说明书:[4]
阅读量:183
ALPHA立体醒脑疗法
阅读量:102
猜你喜欢
scc是什么意思
婚礼祝福语大全
白露是什么意思
有教无类的意思
喝什么茶美容
祝福生日快乐的话
公司年检需要什么资料
蒙蒙细雨的意思
carrots是什么意思
情侣之间送什么礼物
猜你喜欢
糟糠之妻是什么意思
茹毛饮血意思
afp是什么意思
摔跤的意思
不解之谜的意思
volunteer是什么意思
异想天开的异是什么意思
库存车有什么不好
感激涕零的意思
克制的意思