指南生活
首页
美食营养
手工爱好
生活家居
返回
指南生活
首页
美食营养
游戏数码
手工爱好
生活家居
健康养生
运动户外
职场理财
情感交际
母婴教育
时尚美容
知识问答
生活知识
生活百科
搜索
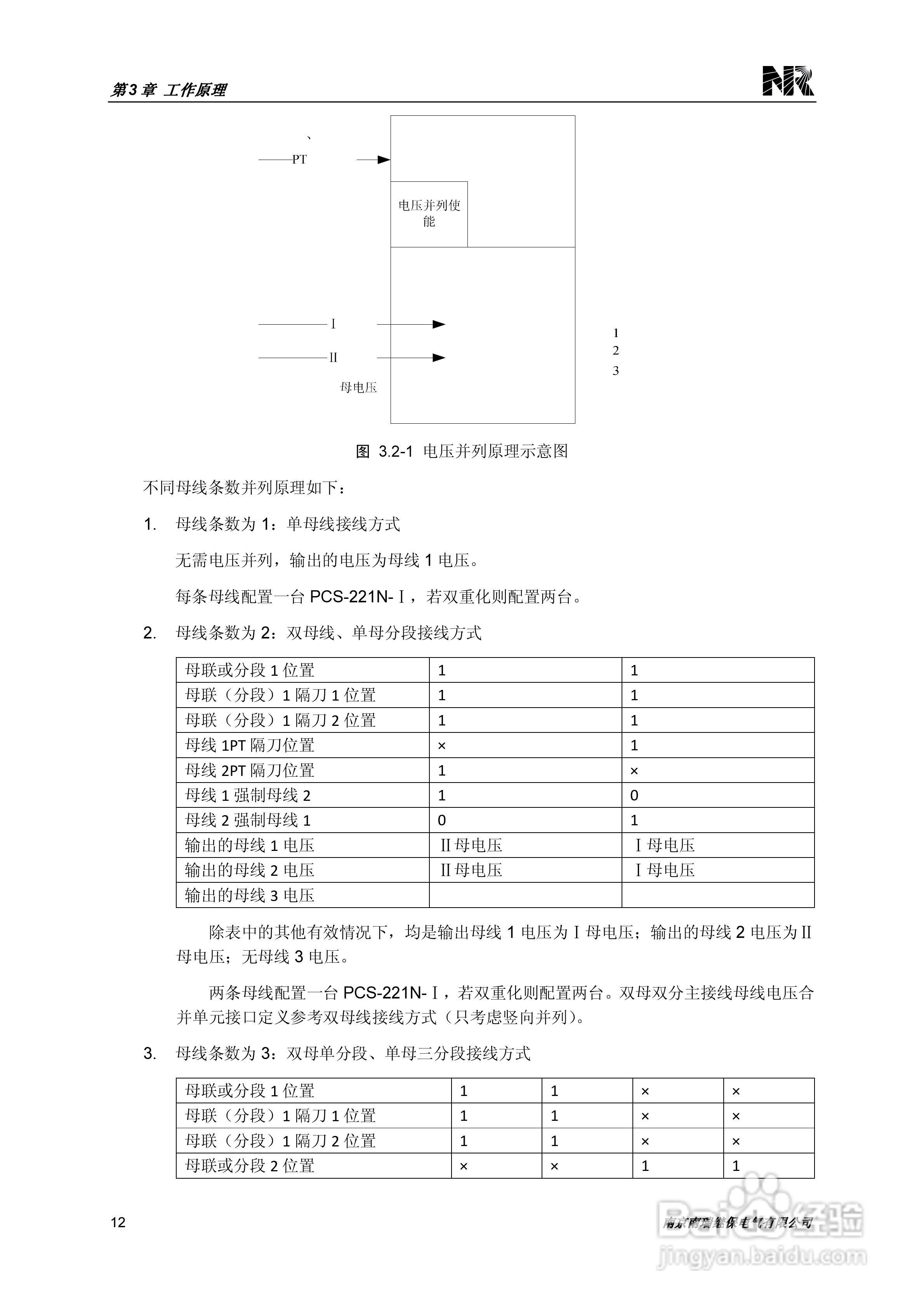
PCS-221N常规母线电压合并单元技术和使用说明书:[2]
2026-03-24 23:45:10
本篇为《PCS-221N常规母线电压合并单元技术和使用说明书》,主要介绍该产品的使用方法以及常见故障解决方案。
(共篇)
上一篇:
|
下一篇:
声明:
本网站引用、摘录或转载内容仅供网站访问者交流或参考,不代表本站立场,如存在版权或非法内容,请联系站长删除,联系邮箱:site.kefu@qq.com。
相关推荐
母线搭接方式
阅读量:61
BP-2B微机母线保护装置技术说明书:[2]
阅读量:127
母线防护罩如何使用
阅读量:139
合并单元和 计数 求和
阅读量:59
合并单元格求和的方法
阅读量:65
猜你喜欢
枸杞泡酒的功效与作用
取什么网名
country是什么意思
大树的作用
偃旗息鼓的意思
esp是什么意思
内分泌失调是什么意思
什么是地质灾害
划水是什么意思
千姿百态的意思
猜你喜欢
瞩目的意思
牛肉饺子放什么菜好吃
电汇是什么意思
无地自容的意思
木瓜的功效和作用
燕窝功效与作用
true是什么意思
花团锦簇的意思
什么是形而上
曲马多属于什么物质