指南生活
首页
美食营养
手工爱好
生活家居
返回
指南生活
首页
美食营养
游戏数码
手工爱好
生活家居
健康养生
运动户外
职场理财
情感交际
母婴教育
时尚美容
知识问答
生活知识
搜索
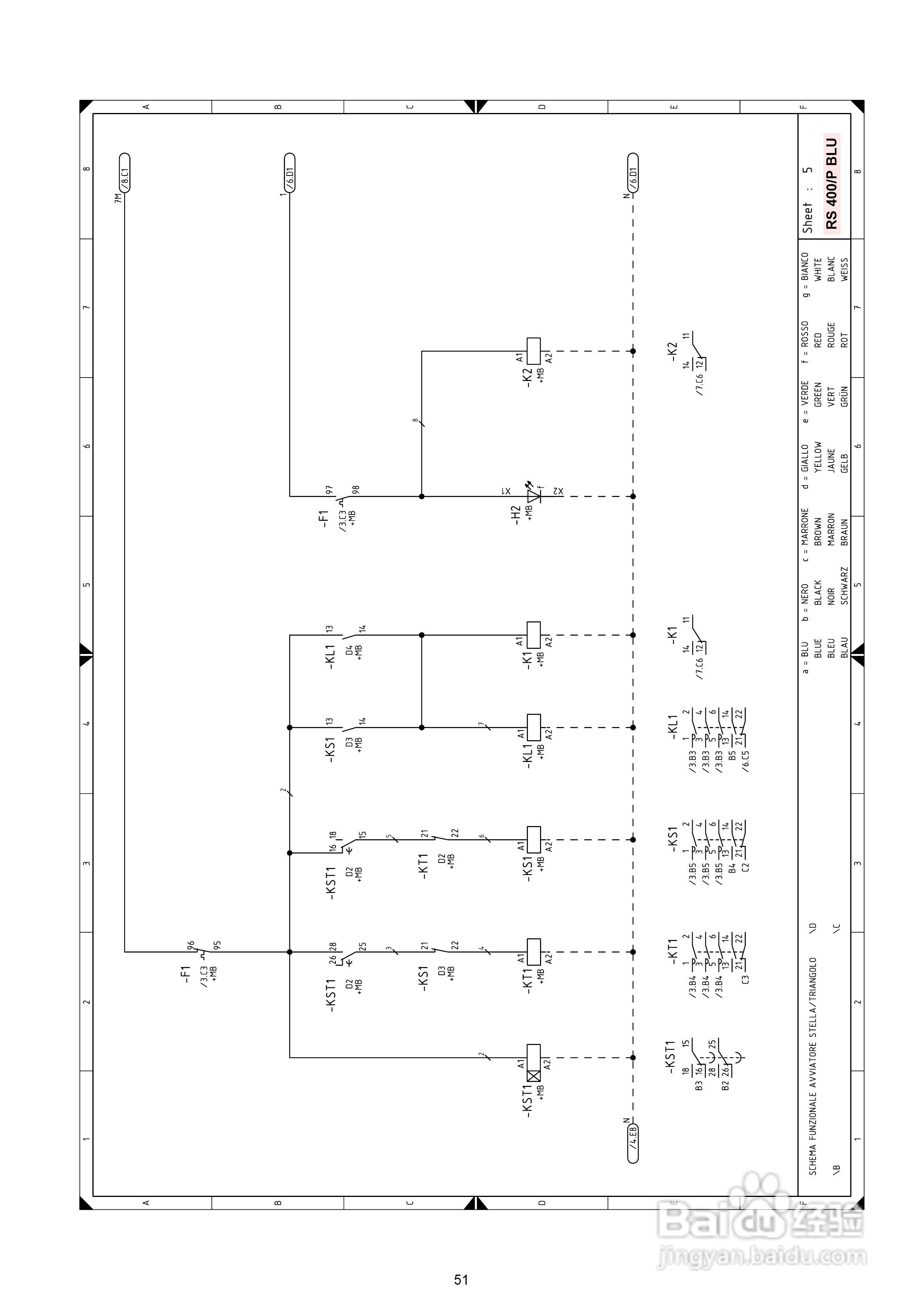
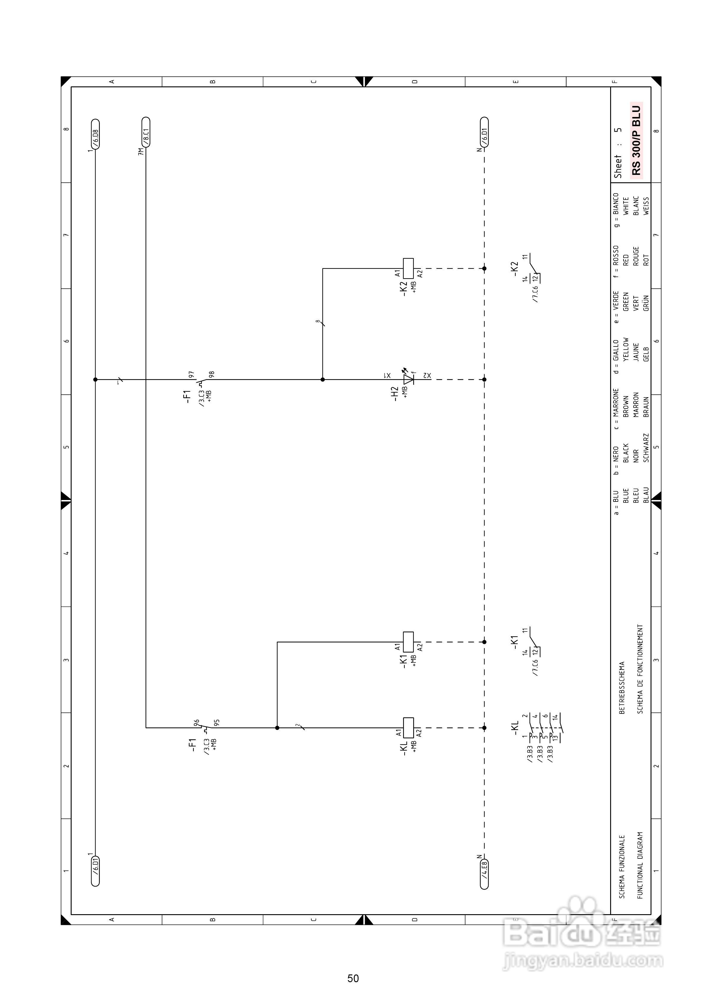
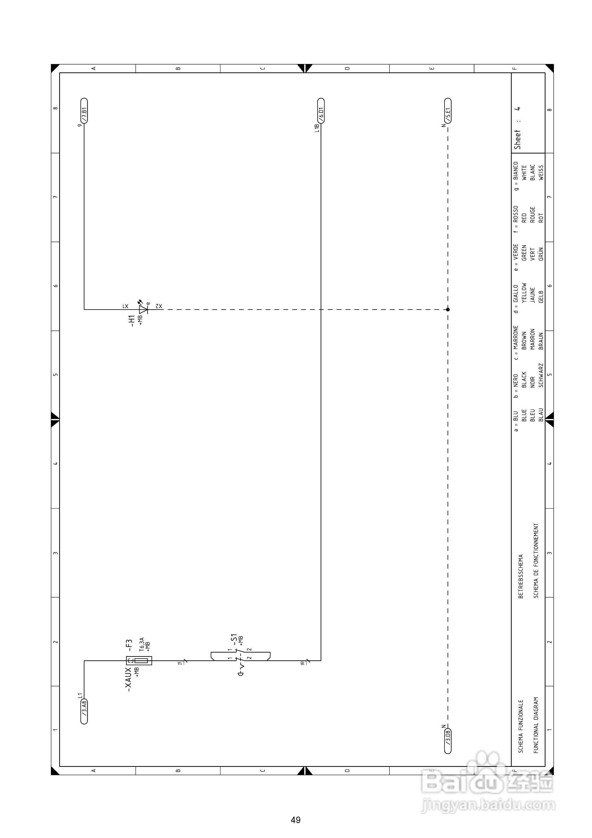
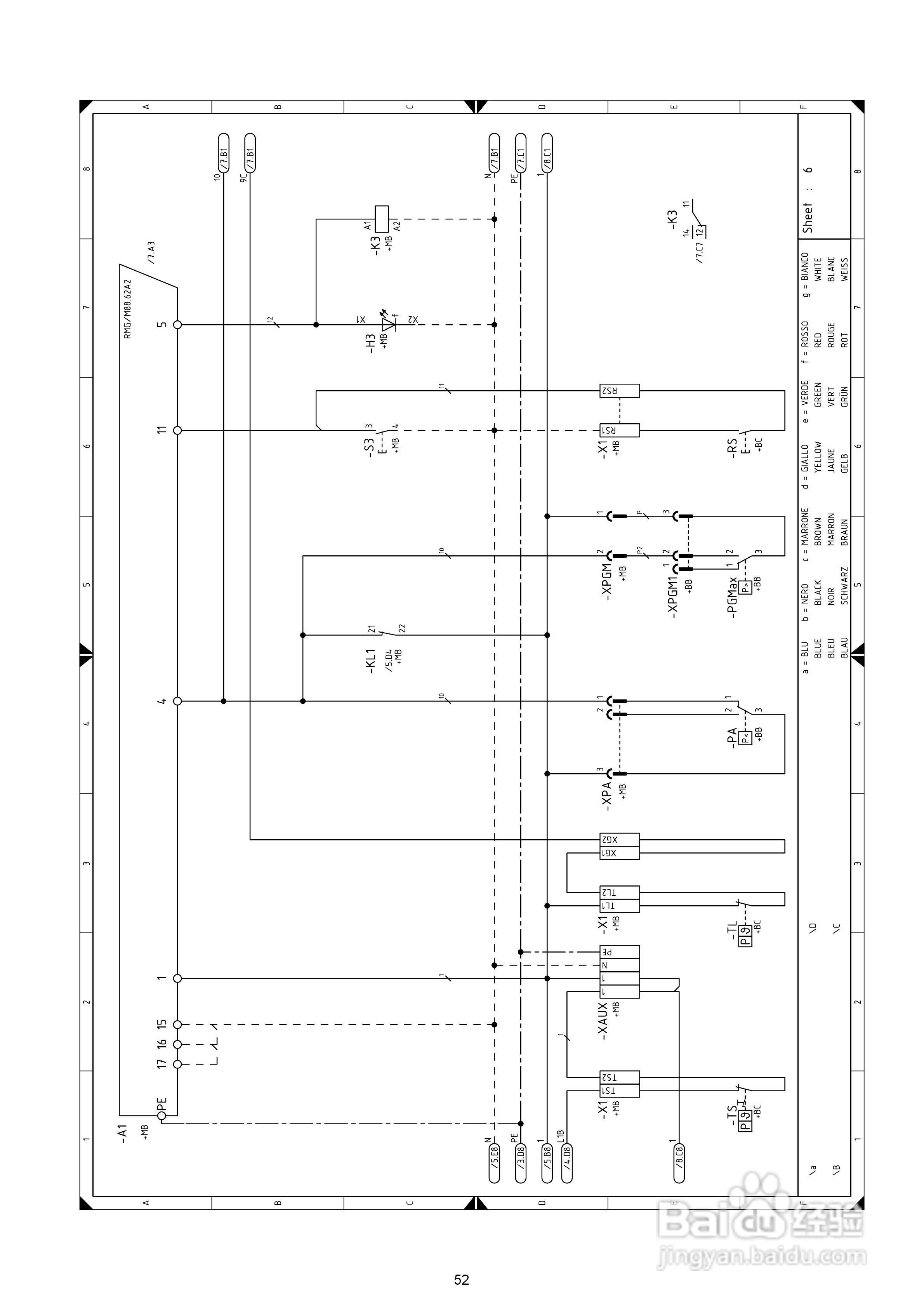
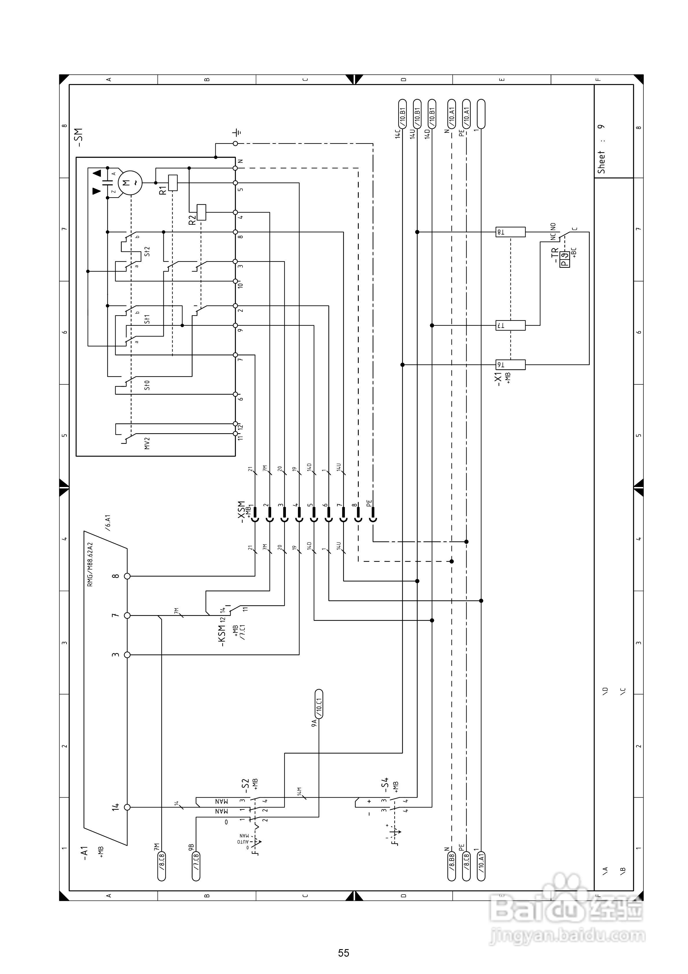
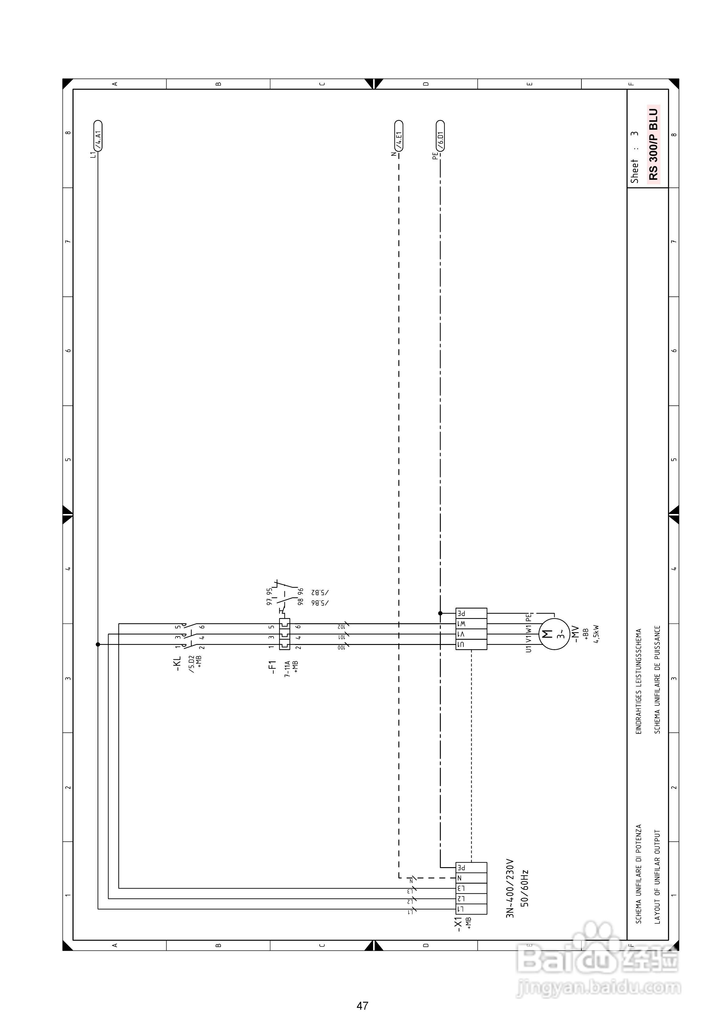
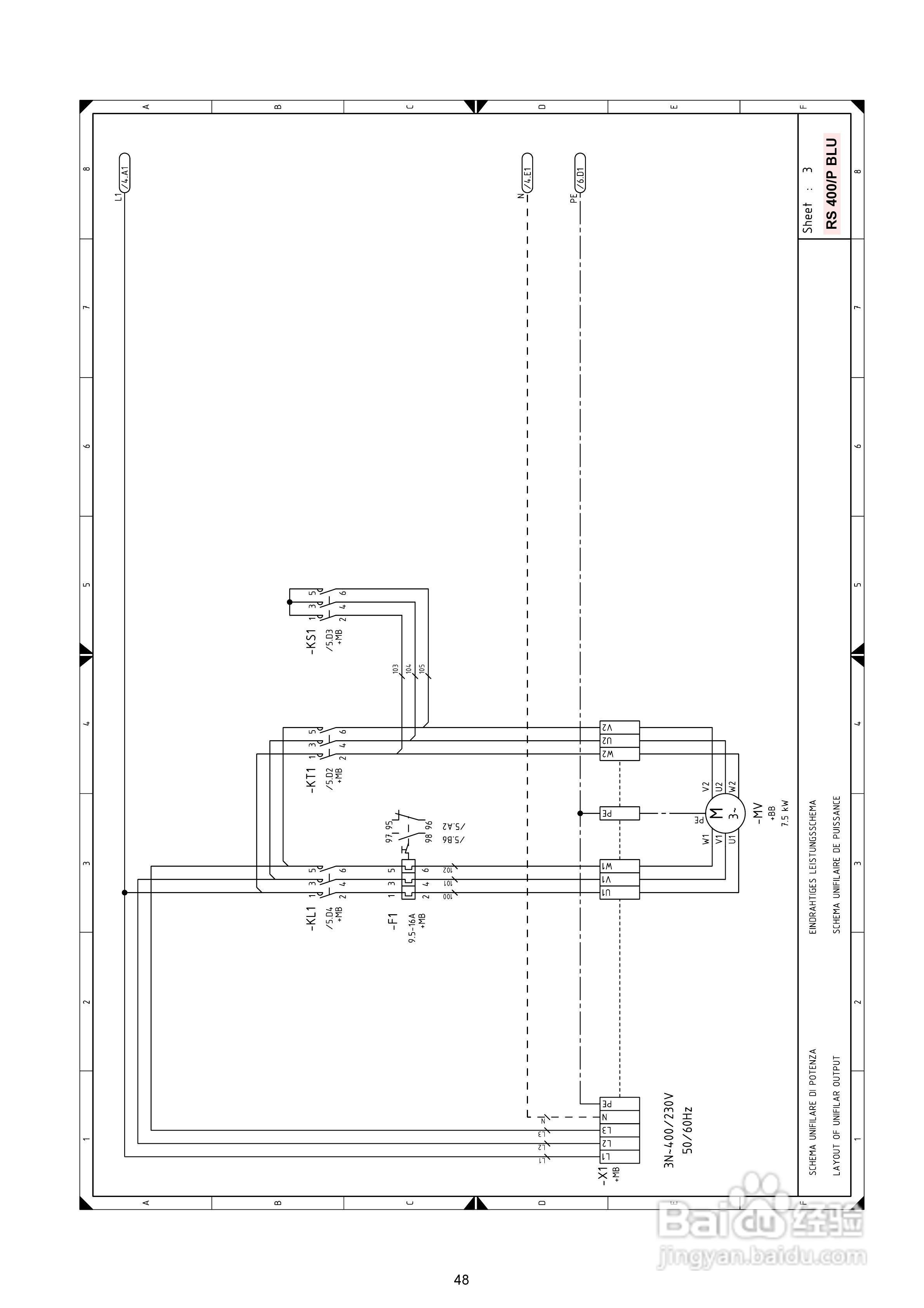
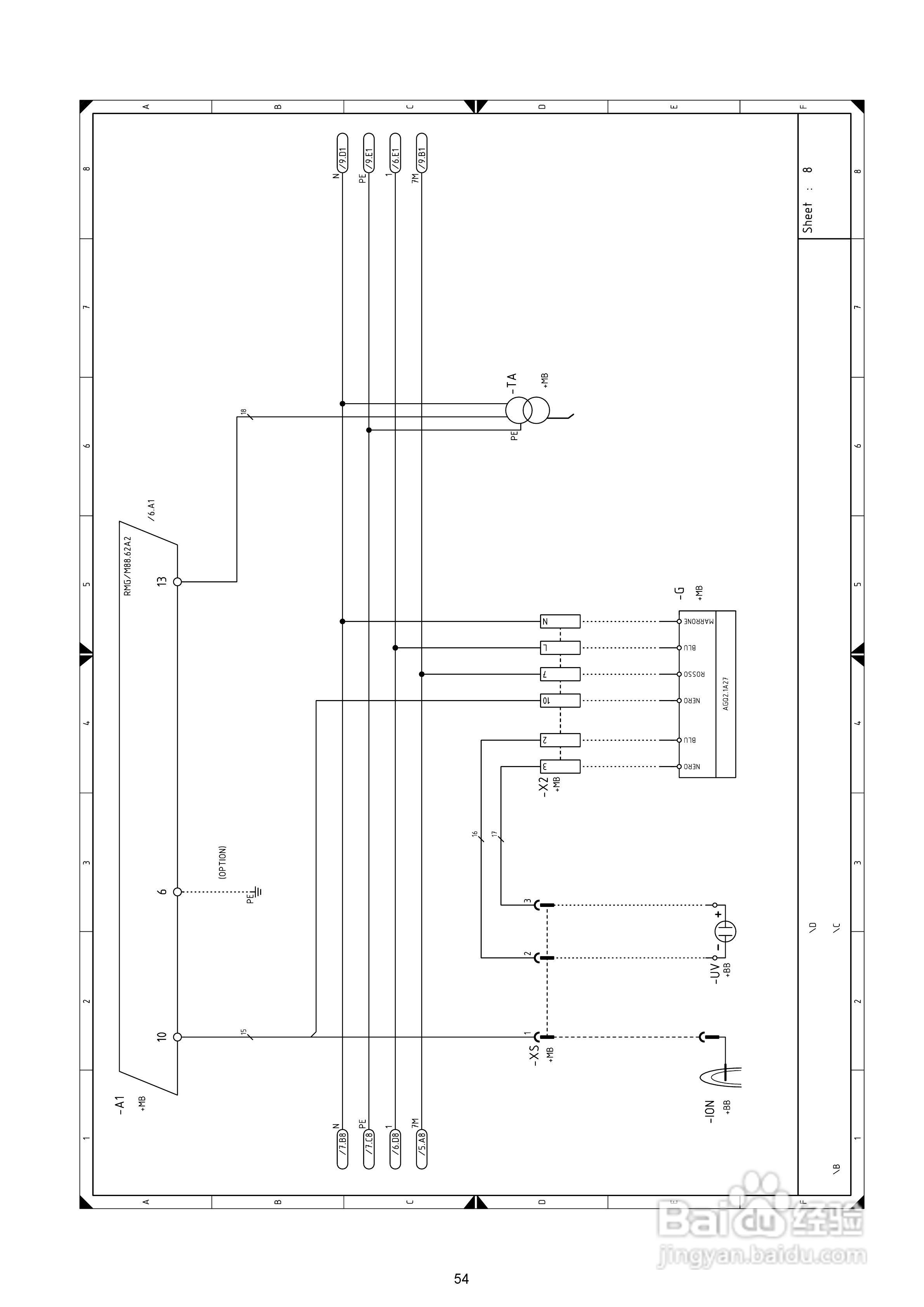
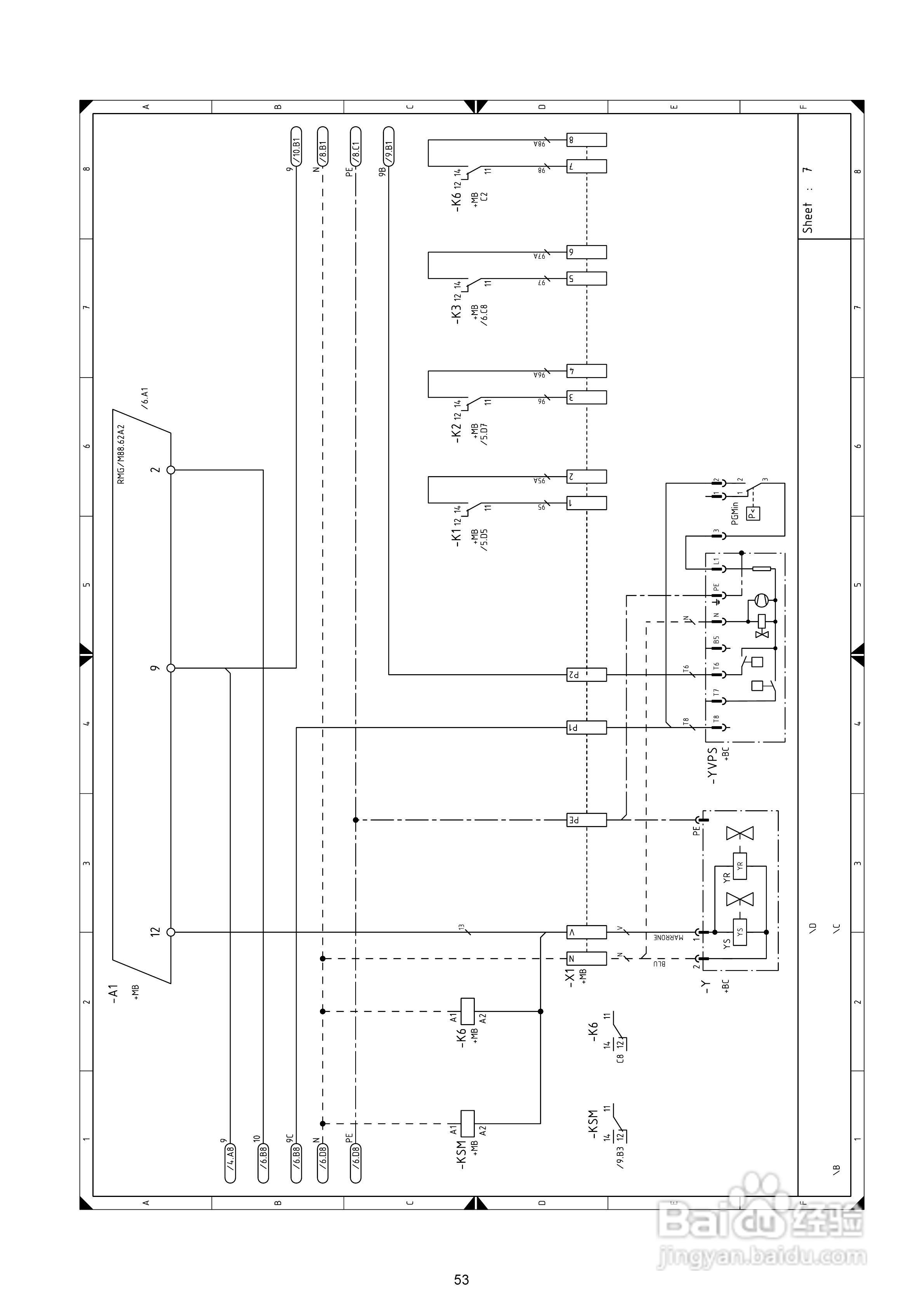
riello 强制通风燃气燃烧器RS400说明书:[3]
2026-01-16 10:42:10
本篇为《riello 强制通风燃气燃烧器RS400说明书》,主要介绍该产品的使用方法以及常见故障解决方案。
(共篇)
上一篇:
|
下一篇:
声明:
本网站引用、摘录或转载内容仅供网站访问者交流或参考,不代表本站立场,如存在版权或非法内容,请联系站长删除,联系邮箱:site.kefu@qq.com。
相关推荐
riello 强制通风燃气燃烧器RS400说明书:[4]
阅读量:93
RIELLO RS70-130强制通风燃气燃烧器说明书:[2]
阅读量:81
燃气燃烧器RS70-100-130使用以及维护说明书:[2]
阅读量:146
Maxon麦克森燃烧器故障分享
阅读量:27
怎样对燃烧器设备保养维护
阅读量:185
猜你喜欢
什么人是不用电的
accompany什么意思
龙爪的功效与作用
因人而异什么意思
超体2什么时候上映
乳清蛋白粉的作用
左卡尼汀的作用
中国知识产权局官网
惊鸿一面什么意思
如虎添翼什么意思
猜你喜欢
460分能上什么大学
吃海参的功效与作用
设计费计入什么科目
我的世界有什么好玩的
milf什么意思
运动电影
361度运动服专卖店
黑碧玺的功效与作用
湖南有什么好玩的地方
瘦大腿的运动