指南生活
首页
美食营养
手工爱好
生活家居
返回
指南生活
首页
美食营养
游戏数码
手工爱好
生活家居
健康养生
运动户外
职场理财
情感交际
母婴教育
时尚美容
知识问答
生活知识
生活百科
搜索
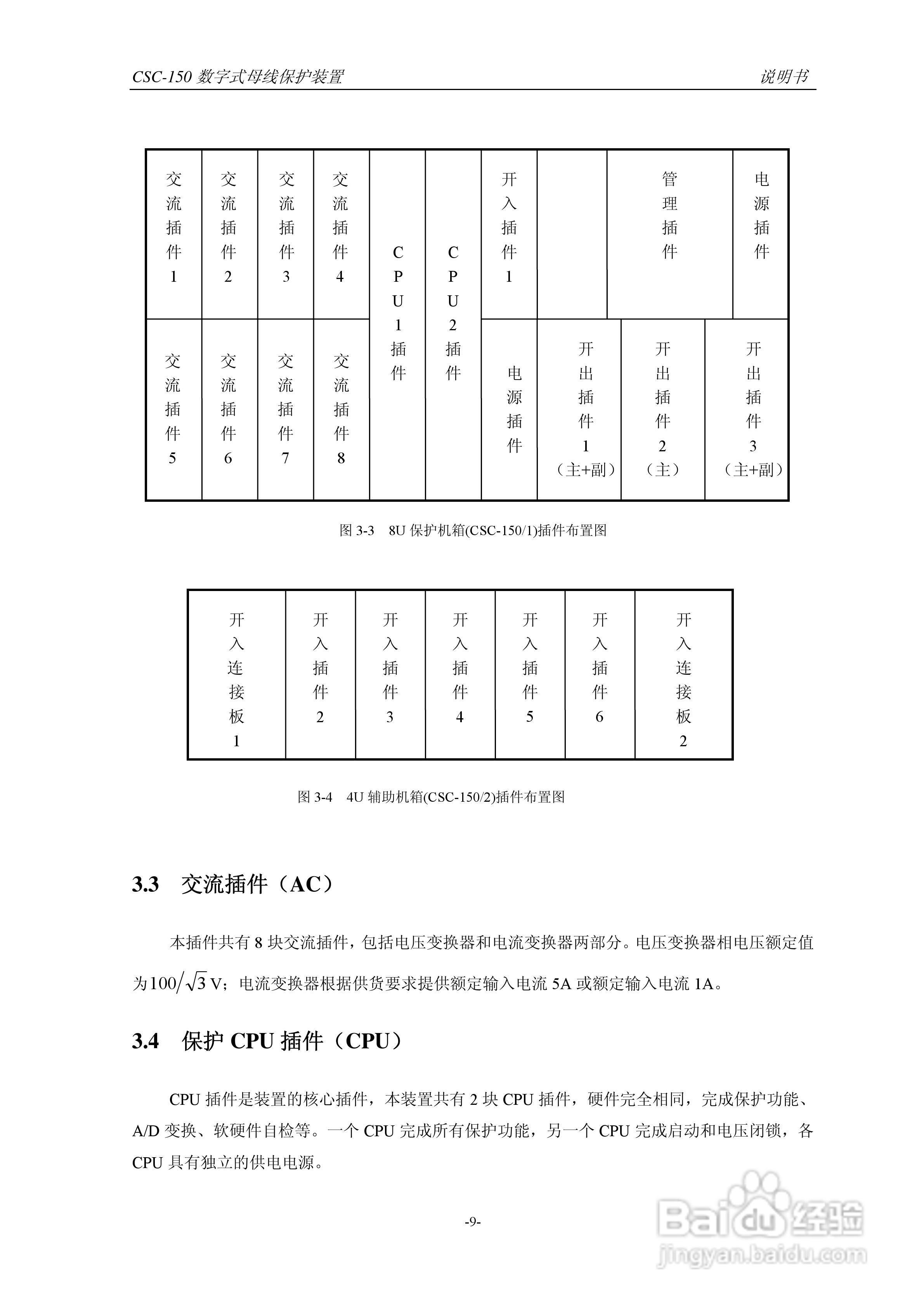
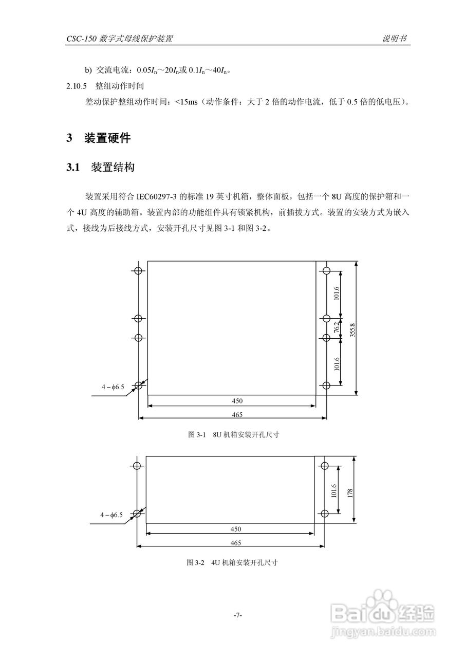
四方CSC-150数字式母线保护装置说明书:[2]
2026-05-08 00:12:55
本篇为《四方CSC-150数字式母线保护装置说明书》,主要介绍该产品的使用方法以及常见故障解决方案。
(共篇)
上一篇:
|
下一篇:
声明:
本网站引用、摘录或转载内容仅供网站访问者交流或参考,不代表本站立场,如存在版权或非法内容,请联系站长删除,联系邮箱:site.kefu@qq.com。
相关推荐
苹果手机换手机怎么把所有东西移到新手机
阅读量:22
新iphone和旧iphone如何一键换机
阅读量:144
两台苹果手机如何一键换机
阅读量:38
两个苹果手机怎么传数据
阅读量:51
苹果手机怎么转移数据到新手机
阅读量:144
猜你喜欢
北京工业大学怎么样
没有我你怎么办
片仔癀怎么样
体寒怎么调理
立体图形怎么画
指甲长到肉里怎么办
个人信用贷款怎么贷
准生证怎么办
教师资格证怎么报名
怎么看吉他谱
猜你喜欢
银行对账单怎么打印
被蚊子咬了怎么止痒
口腔溃疡怎么快速好
vogue怎么读
牛排怎么吃
过敏性鼻炎是怎么引起的
衣服上的机油怎么洗掉
打印机怎么打印照片
老年斑是怎么形成的
word怎么插入页码