指南生活
首页
美食营养
手工爱好
生活家居
返回
指南生活
首页
美食营养
游戏数码
手工爱好
生活家居
健康养生
运动户外
职场理财
情感交际
母婴教育
时尚美容
知识问答
生活知识
生活百科
搜索
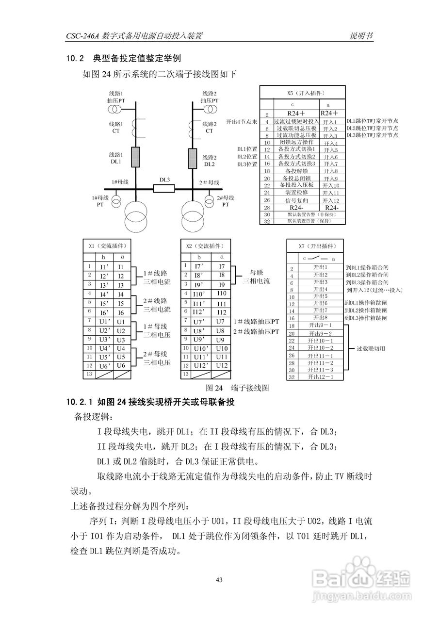
四方CSC-246A数字式备用电源自动投入装置说明书:[5]
2026-04-02 14:54:44
本篇为《四方CSC-246A数字式备用电源自动投入装置说明书》,主要介绍该产品的使用方法以及常见故障解决方案。
(共篇)
上一篇:
声明:
本网站引用、摘录或转载内容仅供网站访问者交流或参考,不代表本站立场,如存在版权或非法内容,请联系站长删除,联系邮箱:site.kefu@qq.com。
相关推荐
四方形礼品盒怎样包装
阅读量:112
四方CSC-246数字式备用电源自动投入装置说明书:[8]
阅读量:117
四方CSC-246数字式备用电源自动投入装置说明书:[9]
阅读量:26
四方CSC-246数字式备用电源自动投入装置说明书:[10]
阅读量:96
四方CSC-246数字式备用电源自动投入装置说明书:[12]
阅读量:155
猜你喜欢
卡卡西为什么杀死琳
pink是什么意思啊
电视挂架什么牌子好
纵横交错的意思是什么
新加坡代购什么便宜
椭圆脸型适合什么发型
国债是什么意思
什么隔离霜好
拜读是什么意思
激战2什么职业厉害
猜你喜欢
孕妇梦见蛇是什么意思
今年的三伏天从什么时候开始
什么牌子的音箱好
release是什么意思
handsome是什么意思
春夜喜雨意思
不到长城非好汉的意思
儒雅的意思
温奶器什么牌子好
电链锯什么牌子好