指南生活
首页
美食营养
手工爱好
生活家居
返回
指南生活
首页
美食营养
游戏数码
手工爱好
生活家居
健康养生
运动户外
职场理财
情感交际
母婴教育
时尚美容
知识问答
生活知识
生活百科
搜索
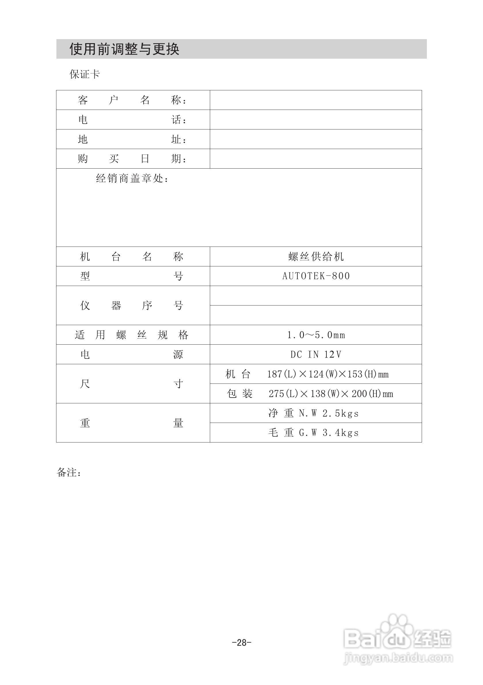
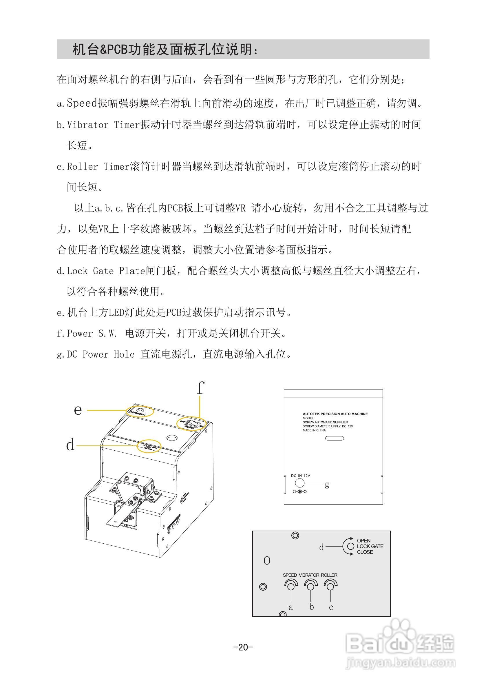
800螺丝机说明书:[3]
2026-04-26 18:22:02
本篇为《800螺丝机说明书》,主要介绍该产品的使用方法以及常见故障解决方案。
(共篇)
上一篇:
声明:
本网站引用、摘录或转载内容仅供网站访问者交流或参考,不代表本站立场,如存在版权或非法内容,请联系站长删除,联系邮箱:site.kefu@qq.com。
相关推荐
801-C螺丝机说明书:[3]
阅读量:133
801-C螺丝机说明书:[2]
阅读量:126
螺丝机基本操作步骤
阅读量:150
螺丝如何测量
阅读量:95
手持式自动锁螺丝机
阅读量:53
猜你喜欢
月亮月亮你别睡是什么歌
什么如什么
什么的眼睛
front是什么意思
仍然的近义词是什么
3月26日是什么星座
妤是什么意思
什么是方程
洒脱是什么意思
甲状腺是什么
猜你喜欢
封闭针是什么
沉鱼落雁什么意思
杀马特是什么意思
什么是通货膨胀
师长是什么级别
小学教育专业学什么
慰藉是什么意思
84年属什么
h是什么牌子
经常拉肚子是什么原因