指南生活
首页
美食营养
手工爱好
生活家居
返回
指南生活
首页
美食营养
游戏数码
手工爱好
生活家居
健康养生
运动户外
职场理财
情感交际
母婴教育
时尚美容
知识问答
生活知识
生活百科
搜索
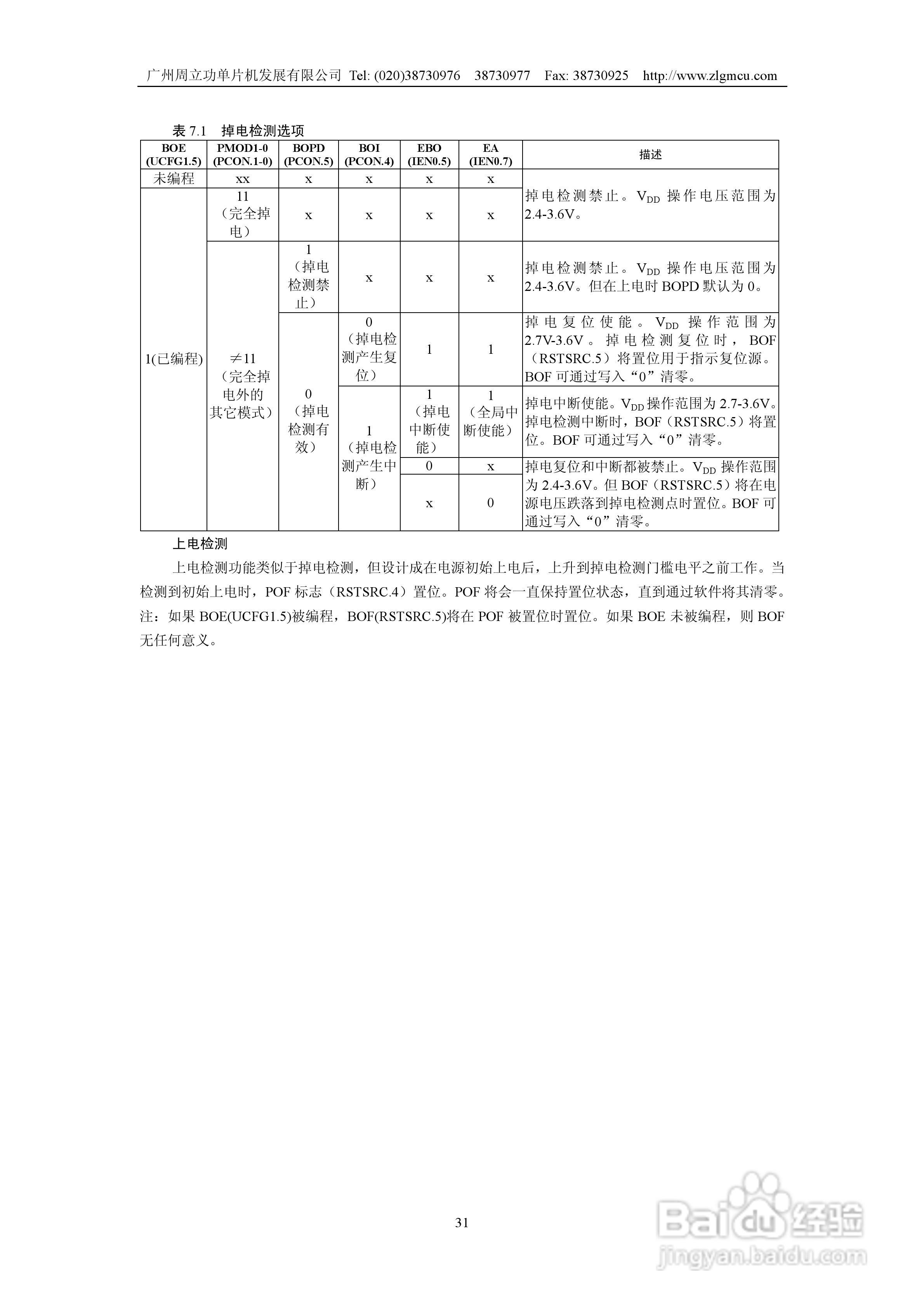
周立功P89LPC901/902/903微控制器使用说明书:[4]
2026-04-23 18:18:17
本篇为《周立功P89LPC901/902/903微控制器使用说明书》,主要介绍该产品的使用方法以及常见故障解决方案。
(共篇)
上一篇:
|
下一篇:
声明:
本网站引用、摘录或转载内容仅供网站访问者交流或参考,不代表本站立场,如存在版权或非法内容,请联系站长删除,联系邮箱:site.kefu@qq.com。
相关推荐
周立功P89LPC901/902/903微控制器使用说明书:[1]
阅读量:140
周立功LPC2292/LPC2294微控制器说明书:[4]
阅读量:165
周立功LPC2119微控制器使用说明书:[19]
阅读量:37
周立功LPC2292/LPC2294微控制器说明书:[2]
阅读量:32
周立功LPC2292/LPC2294微控制器说明书:[3]
阅读量:130
猜你喜欢
online是什么意思
行政工作主要负责什么
武夷岩茶属于什么茶
流鼻血是什么原因
眼睛干涩用什么眼药水
核磁共振检查什么
阡陌是什么意思
什么是邮箱
青岛有什么大学
ow是什么意思
猜你喜欢
usb是什么意思
dinner是什么意思
vocal是什么意思
我国的立国之本是什么
猝死是什么意思
1月9日是什么星座
三月三是什么节
5月27日是什么星座
com是什么意思
plus什么意思