指南生活
首页
美食营养
手工爱好
生活家居
返回
指南生活
首页
美食营养
游戏数码
手工爱好
生活家居
健康养生
运动户外
职场理财
情感交际
母婴教育
时尚美容
知识问答
生活知识
搜索
港湾网络交换机Hammer2024E型说明书:[2]
2026-01-13 13:00:41
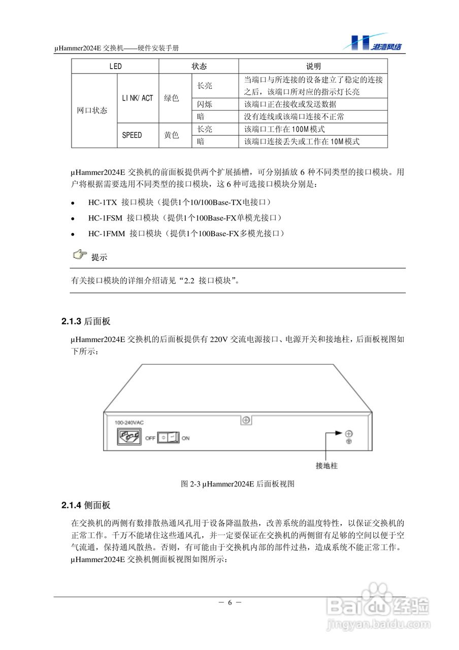
本篇为《港湾网络交换机Hammer2024E型说明书》,主要介绍该产品的使用方法以及常见故障解决方案。
(共篇)
上一篇:
|
下一篇:
声明:
本网站引用、摘录或转载内容仅供网站访问者交流或参考,不代表本站立场,如存在版权或非法内容,请联系站长删除,联系邮箱:site.kefu@qq.com。
相关推荐
Windows server 2008 R2添加.NET扩展性角色服务
阅读量:160
Windows 2000 Server如何设置共享文件脱机使用
阅读量:37
oracle 11g 数据库安装教程
阅读量:110
Windows编辑内置的AD域组策略用户Windows组件
阅读量:94
Foxmail的备份与恢复(原邮件时间不变)
阅读量:126
猜你喜欢
旅游业的发展
涂壁哪里多
工作压力大怎么安慰
登陆路由器
如何安慰失去亲人的人
员工评价怎么写
学西点哪里好
imovie怎么用
北京哪里好玩
淘宝店名怎么修改
猜你喜欢
下载的文件怎么解压
可是亲爱的你怎么不在我身边
北京现代瑞纳怎么样
海南 旅游
怎么说我不爱你张惠春
可c可d怎么样
192.168.11路由器设置
东莞旅游团
征信报告去哪里打
第五次全国代表大会在哪里召开