指南生活
首页
美食营养
手工爱好
生活家居
返回
指南生活
首页
美食营养
游戏数码
手工爱好
生活家居
健康养生
运动户外
职场理财
情感交际
母婴教育
时尚美容
知识问答
生活知识
生活百科
搜索
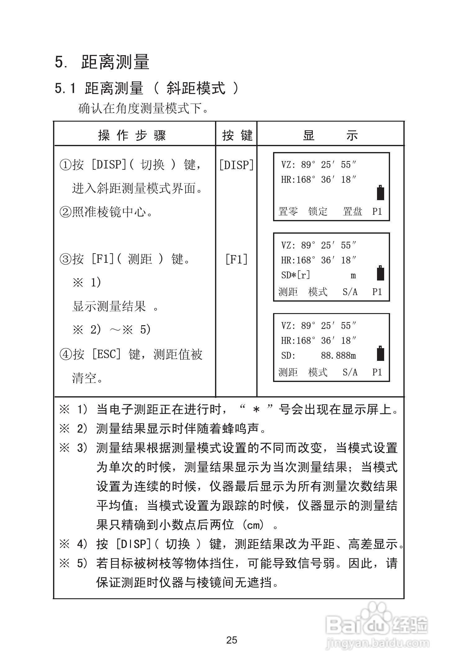
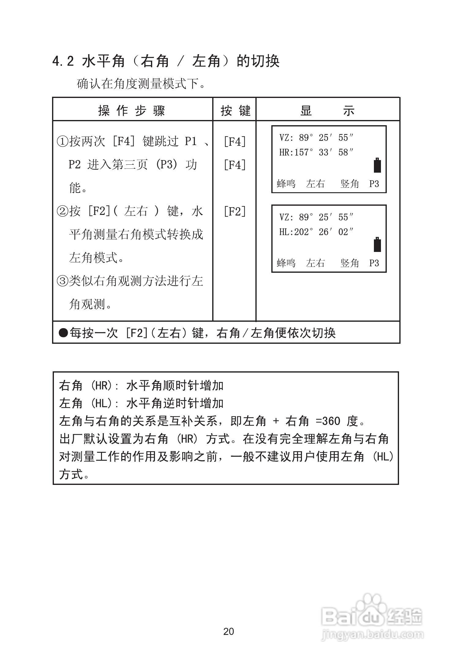
苏州一光RTS630D全站仪使用说明书:[4]
2026-03-26 04:10:48
本篇为《苏州一光RTS630D全站仪使用说明书》,主要介绍该产品的使用方法以及常见故障解决方案。
(共篇)
上一篇:
|
下一篇:
声明:
本网站引用、摘录或转载内容仅供网站访问者交流或参考,不代表本站立场,如存在版权或非法内容,请联系站长删除,联系邮箱:site.kefu@qq.com。
相关推荐
苏州一光RTS630D全站仪使用说明书:[13]
阅读量:117
苏州一光RTS630D全站仪使用说明书:[8]
阅读量:101
苏州一光RTS315L全站仪使用说明书:[4]
阅读量:163
苏州一光RTS322R5全站仪使用说明书:[4]
阅读量:92
使用说明书封面怎么做
阅读量:29
猜你喜欢
电放是什么意思
语重心长的意思是什么
暗示的意思
抓绒衣什么牌子好
学情分析分析什么
hardly是什么意思
什么大振
flv格式用什么打开
榨油的意思
achieve是什么意思
猜你喜欢
爱情是什么意思
冰属于什么剂
blue什么特殊意思
序幕的意思
负荆请罪是什么意思
tear是什么意思
斯密达什么意思
我的世界书架有什么用
深邃是什么意思
轻卡什么牌子好