指南生活
首页
美食营养
手工爱好
生活家居
返回
指南生活
首页
美食营养
游戏数码
手工爱好
生活家居
健康养生
运动户外
职场理财
情感交际
母婴教育
时尚美容
知识问答
生活知识
搜索
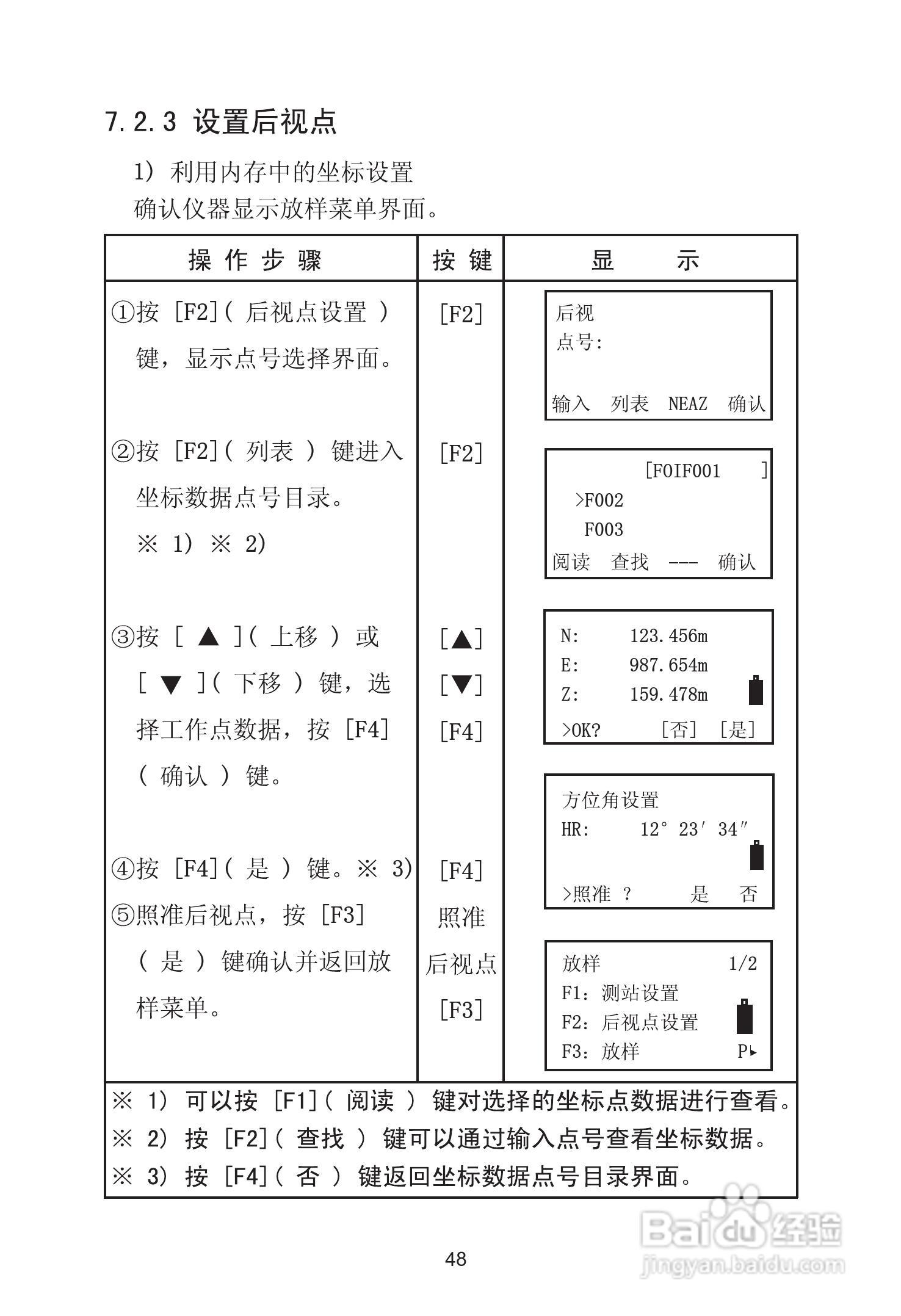
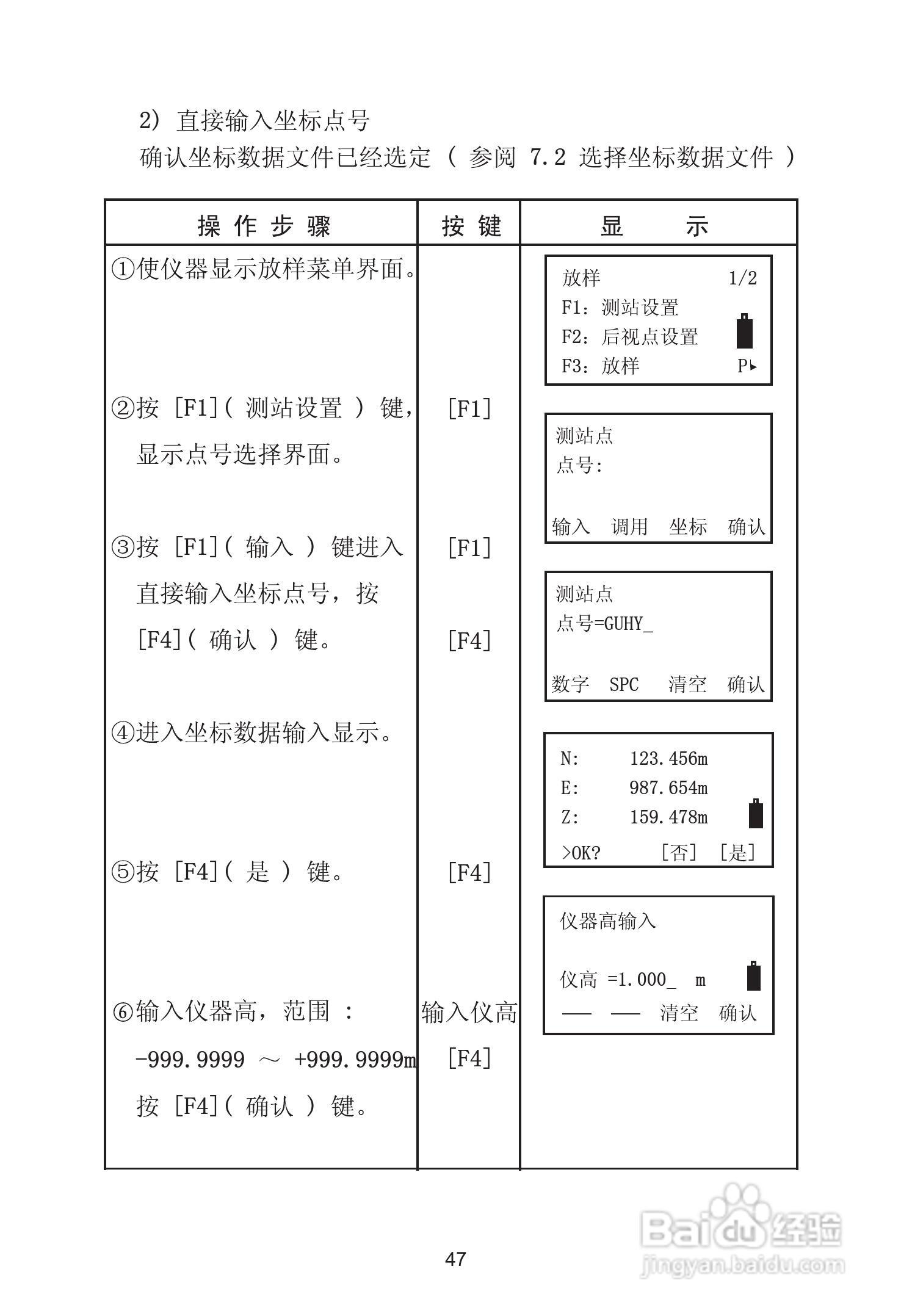
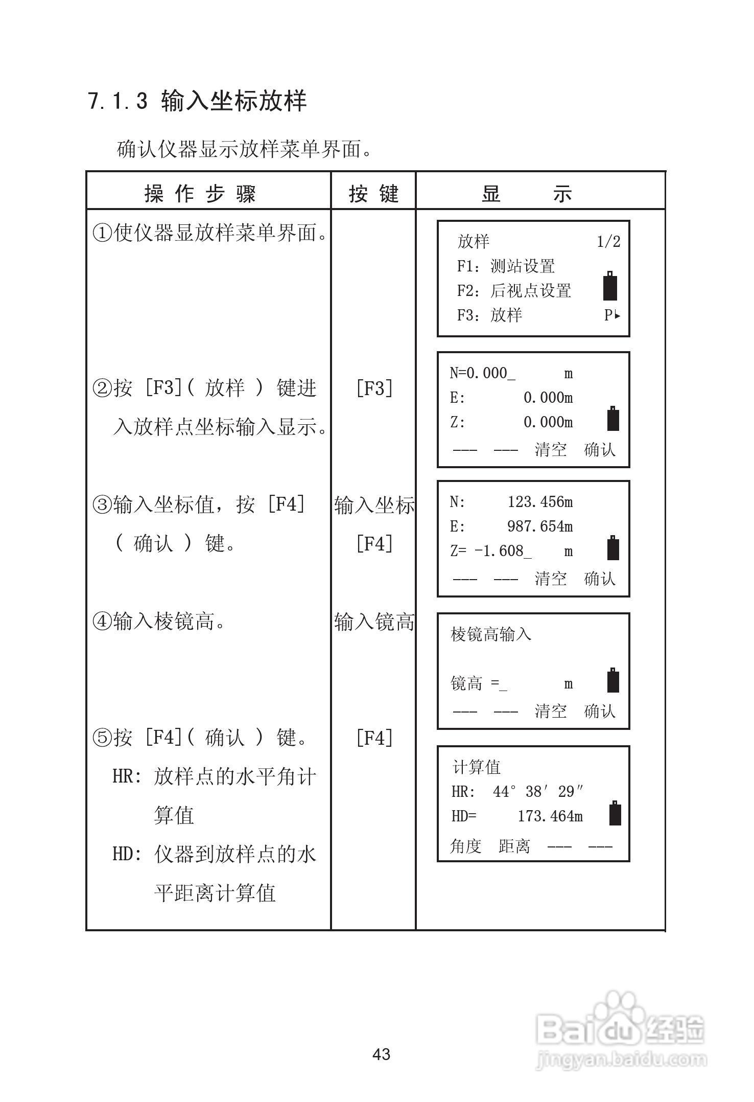
苏州一光RTS630D全站仪使用说明书:[6]
2025-12-13 05:16:12
本篇为《苏州一光RTS630D全站仪使用说明书》,主要介绍该产品的使用方法以及常见故障解决方案。
(共篇)
上一篇:
|
下一篇:
声明:
本网站引用、摘录或转载内容仅供网站访问者交流或参考,不代表本站立场,如存在版权或非法内容,请联系站长删除,联系邮箱:site.kefu@qq.com。
相关推荐
苏州一光RTS630D全站仪使用说明书:[8]
阅读量:76
苏州一光RTS630D全站仪使用说明书:[15]
阅读量:42
苏州一光RTS315L全站仪使用说明书:[6]
阅读量:44
使用说明书封面怎么做
阅读量:128
使用说明书wf2651使用指南
阅读量:97
猜你喜欢
黄玫瑰代表什么意思
apr是什么意思
lv是什么意思
鞭策是什么意思
韭菜不能和什么一起吃
soccer是什么意思
7月11日是什么星座
121是什么电话
出现的近义词是什么
3ce是什么牌子
猜你喜欢
同人是什么意思
四个口是什么字
黄玫瑰代表什么意思
嗯哼是什么意思
玥是什么意思
乌龙茶属于什么茶
3月1日是什么星座
无需合约版是什么意思
雪纺是什么面料
4月25日是什么星座