指南生活
首页
美食营养
手工爱好
生活家居
返回
指南生活
首页
美食营养
游戏数码
手工爱好
生活家居
健康养生
运动户外
职场理财
情感交际
母婴教育
时尚美容
知识问答
生活知识
搜索
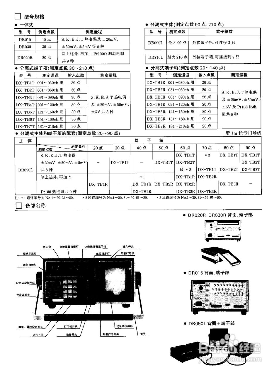
XWZK-1537A快速自动平衡显示记录仪说明书:[2]
2026-03-02 07:14:53
本篇为《XWZK-1537A快速自动平衡显示记录仪说明书》,主要介绍该产品的使用方法以及常见故障解决方案。
(共篇)
上一篇:
|
下一篇:
声明:
本网站引用、摘录或转载内容仅供网站访问者交流或参考,不代表本站立场,如存在版权或非法内容,请联系站长删除,联系邮箱:site.kefu@qq.com。
相关推荐
VX8100R记录仪使用说明书:[2]
阅读量:23
R5000电量记录仪使用说明书:[2]
阅读量:106
【行车记录仪】行车记录仪的作用
阅读量:67
行车记录仪的作用
阅读量:164
行车记录仪是什么
阅读量:66
猜你喜欢
如何创业赚钱
姨妈后现代生活
如何看股票k线图
生活态度
刺猬吃什么怎么养
小孩起水痘怎么办
工作实绩怎么写
月经提前是什么原因
如何重新设置路由器
8月15日是什么星座
猜你喜欢
枪神纪怎么安装
6228开头是什么银行
梦到蛇是什么寓意
8月18日是什么星座
手脱皮是什么原因导致的
左侧肋骨下方疼痛是什么原因
如何做饼干
如何发传真给对方
泗门生活网
邱淑贞慈禧的秘密生活