指南生活
首页
美食营养
手工爱好
生活家居
返回
指南生活
首页
美食营养
游戏数码
手工爱好
生活家居
健康养生
运动户外
职场理财
情感交际
母婴教育
时尚美容
知识问答
生活知识
生活百科
搜索
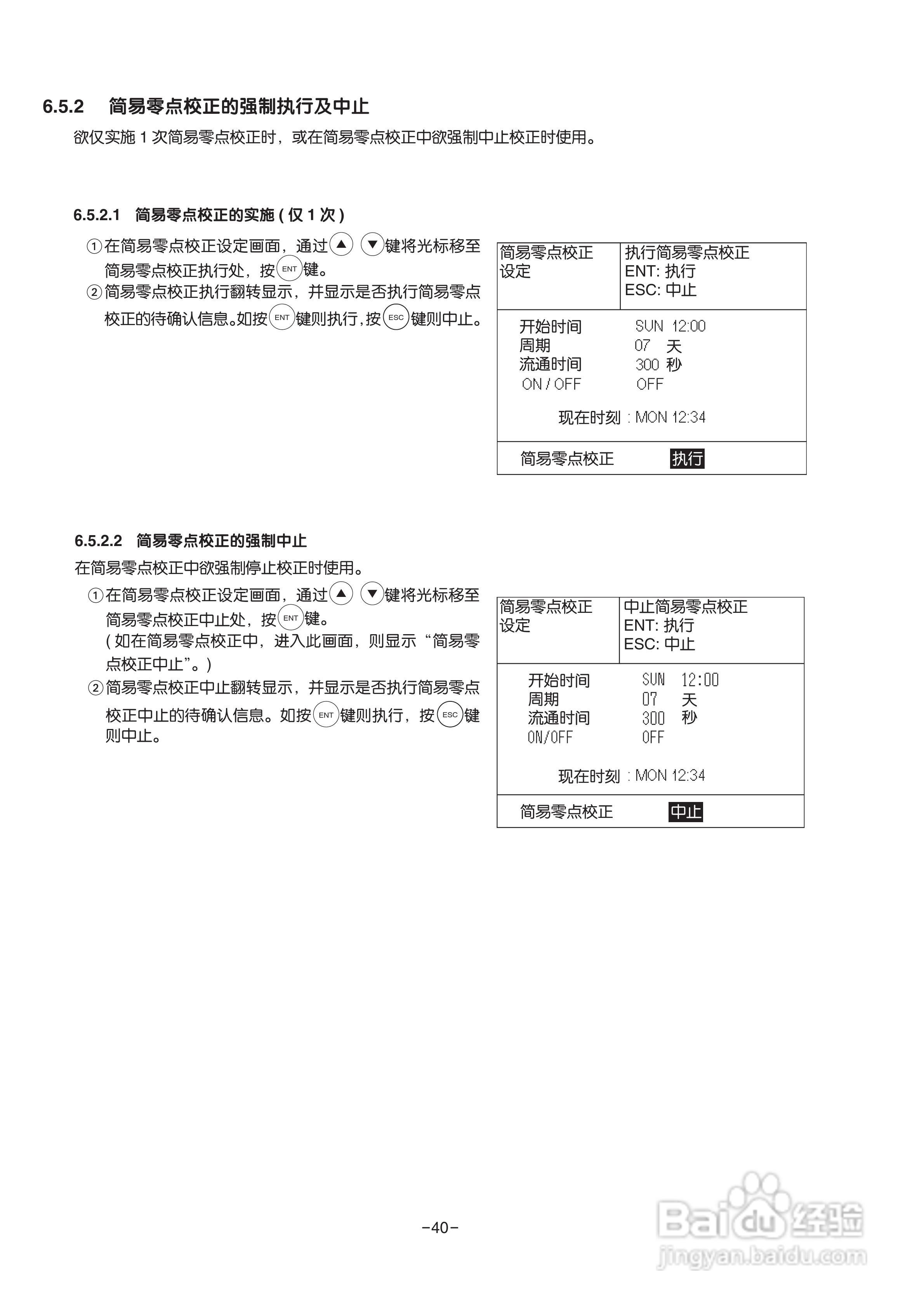
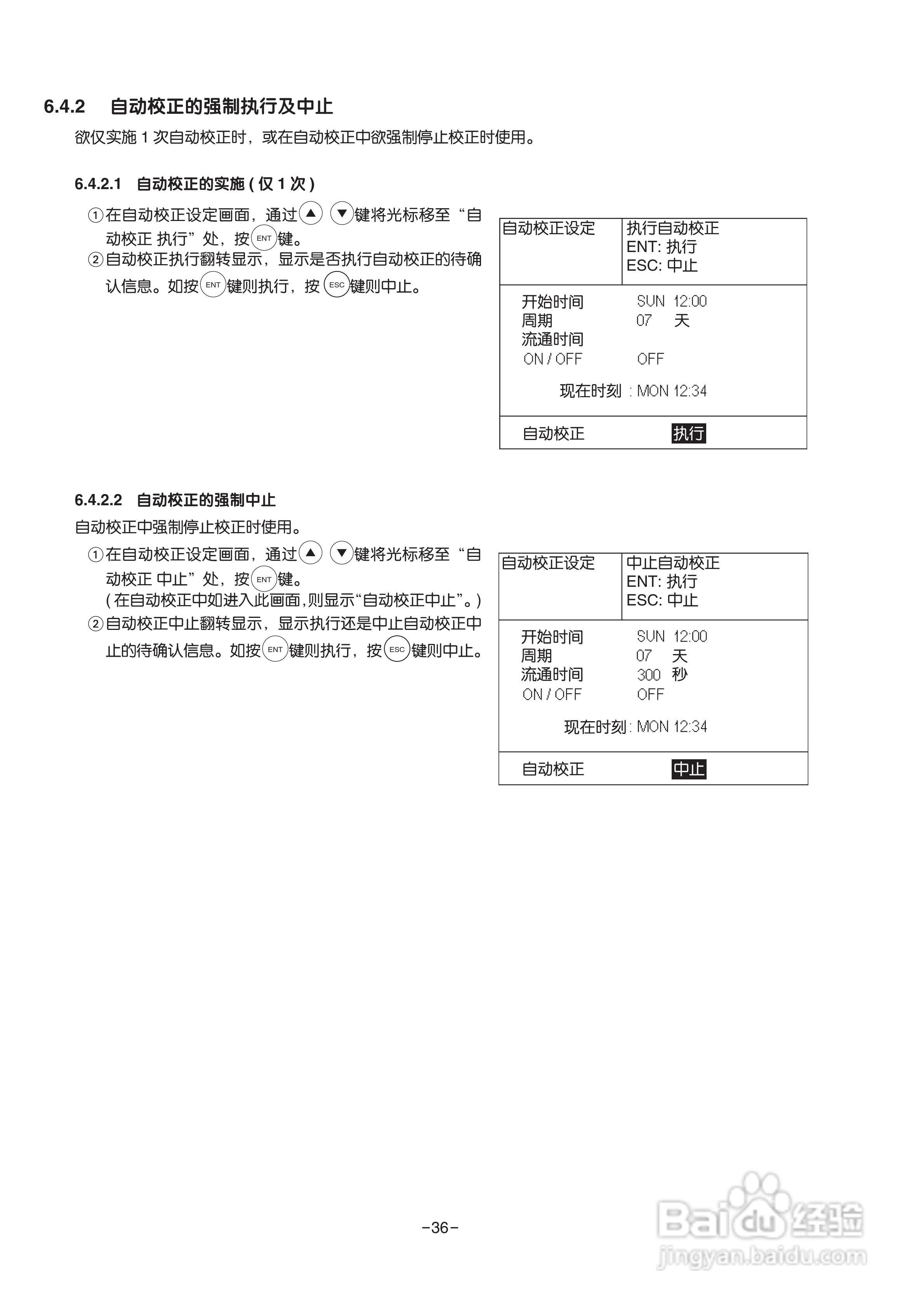
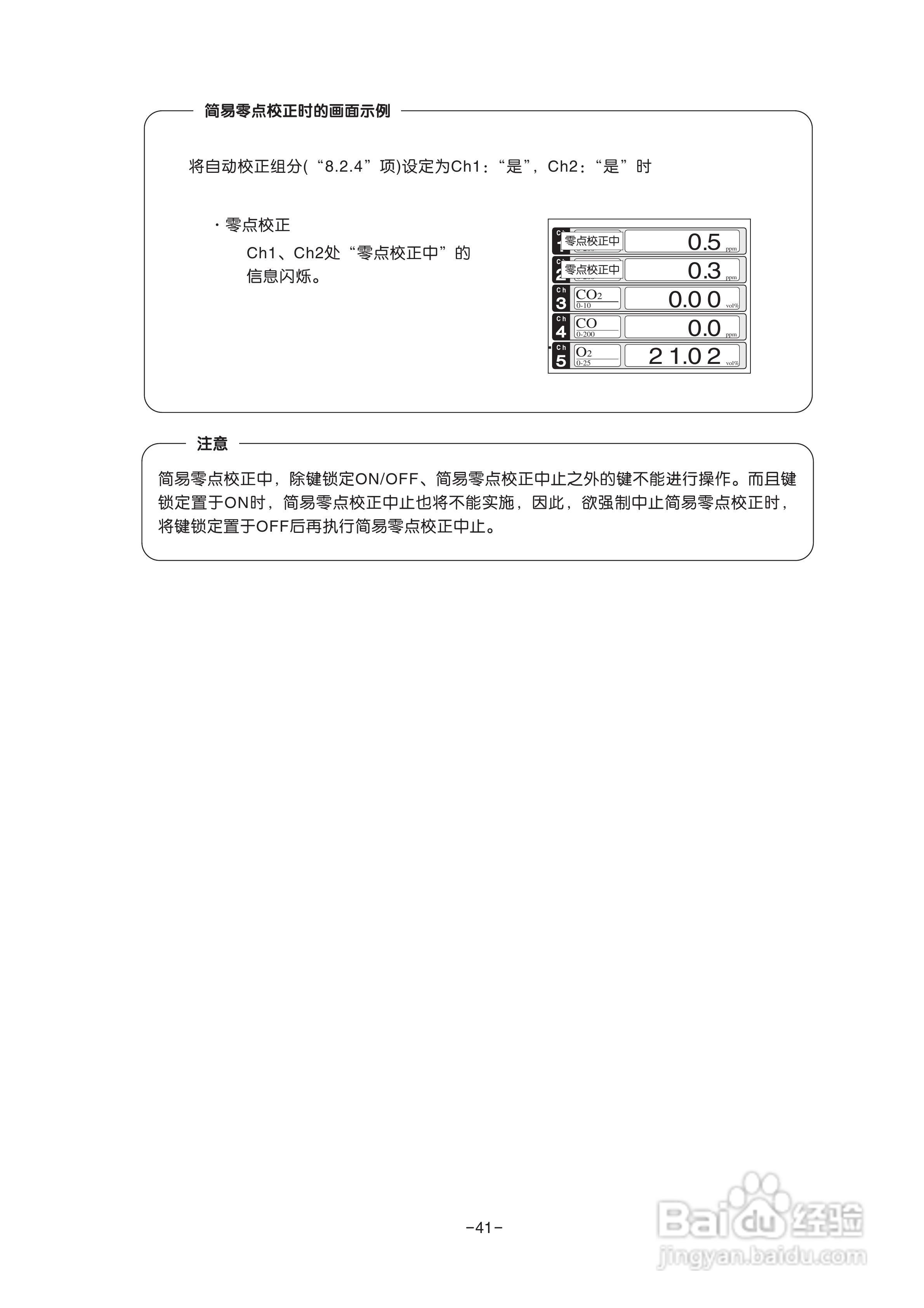
富士ZRE 红外气体分析仪使用说明书:[5]
2026-05-09 13:45:11
本篇为《富士ZRE 红外气体分析仪使用说明书》,主要介绍该产品的使用方法以及常见故障解决方案。
(共篇)
上一篇:
|
下一篇:
声明:
本网站引用、摘录或转载内容仅供网站访问者交流或参考,不代表本站立场,如存在版权或非法内容,请联系站长删除,联系邮箱:site.kefu@qq.com。
相关推荐
富士ZAF 热导式气体分析仪使用手册:[5]
阅读量:37
富士ZAF 热导式气体分析仪使用手册:[6]
阅读量:86
富士ZAF 热导式气体分析仪使用手册:[3]
阅读量:58
富士ZAJ磁氧分析仪使用手册:[3]
阅读量:28
富士ZAJ磁氧分析仪使用手册:[4]
阅读量:141
猜你喜欢
rgb是什么意思
墨守成规是什么意思
土豪是什么意思
深沉是什么意思
遥控汽车什么牌子好
风靡一时的意思
结婚祝福语大全简短
势如破竹的意思
什么视频格式最小
相亲时候聊些什么话题
猜你喜欢
秉烛夜游秉的意思
门铃什么牌子好
苹果树苗什么品种好
trace是什么意思
茶海什么材质的好
群策群力的意思
dsp是什么意思
union是什么意思
显卡是什么意思
极限挑战什么时候开播