指南生活
首页
美食营养
手工爱好
生活家居
返回
指南生活
首页
美食营养
游戏数码
手工爱好
生活家居
健康养生
运动户外
职场理财
情感交际
母婴教育
时尚美容
知识问答
生活知识
搜索
优派PJ551D-2投影机使用说明书:[2]
2025-12-22 00:07:36
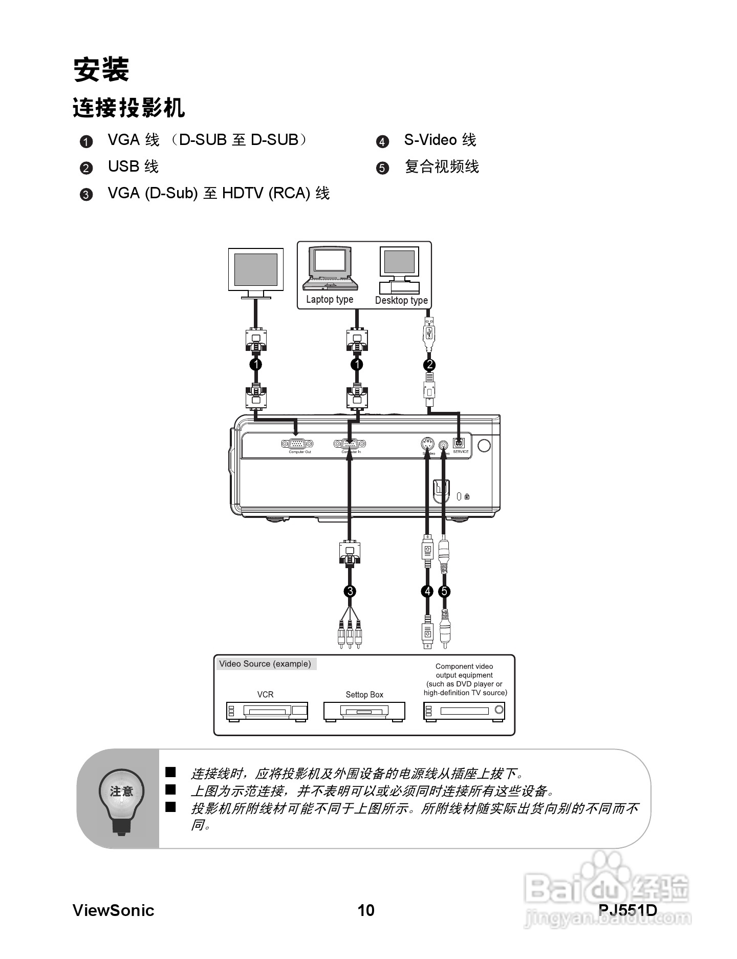
本篇为《优派PJ551D-2投影机使用说明书》,主要介绍该产品的使用方法以及常见故障解决方案。
(共篇)
上一篇:
|
下一篇:
声明:
本网站引用、摘录或转载内容仅供网站访问者交流或参考,不代表本站立场,如存在版权或非法内容,请联系站长删除,联系邮箱:site.kefu@qq.com。
相关推荐
优派PJ551D投影机使用说明书:[2]
阅读量:70
优派PJ551D投影机使用说明书:[1]
阅读量:112
使用说明书封面怎么做
阅读量:54
优派PJ551D投影机使用说明书:[3]
阅读量:96
优派PJ551D投影机使用说明书:[4]
阅读量:47
猜你喜欢
皮蛋凉拌的做法
云南昆明旅游景点
参茸补肾片效果怎么样
哈弗h6质量怎么样
东太行景区
江西省旅游地图
坐月子可以吃什么蔬菜
上海旅游高等专科学校
高洁丝卫生巾怎么样
用什么可以解开所有的谜
猜你喜欢
大学生旅游
碘伏可以涂在痘痘上吗
两边太阳胀痛怎么回事
时尚旅游
山西师范大学怎么样
可以免费看电影的网站
怎么关闭360防火墙
tst活酵母面膜怎么样
买二手房可以贷款吗
御泥坊护肤品怎么样