指南生活
首页
美食营养
手工爱好
生活家居
返回
指南生活
首页
美食营养
游戏数码
手工爱好
生活家居
健康养生
运动户外
职场理财
情感交际
母婴教育
时尚美容
知识问答
生活知识
生活百科
搜索
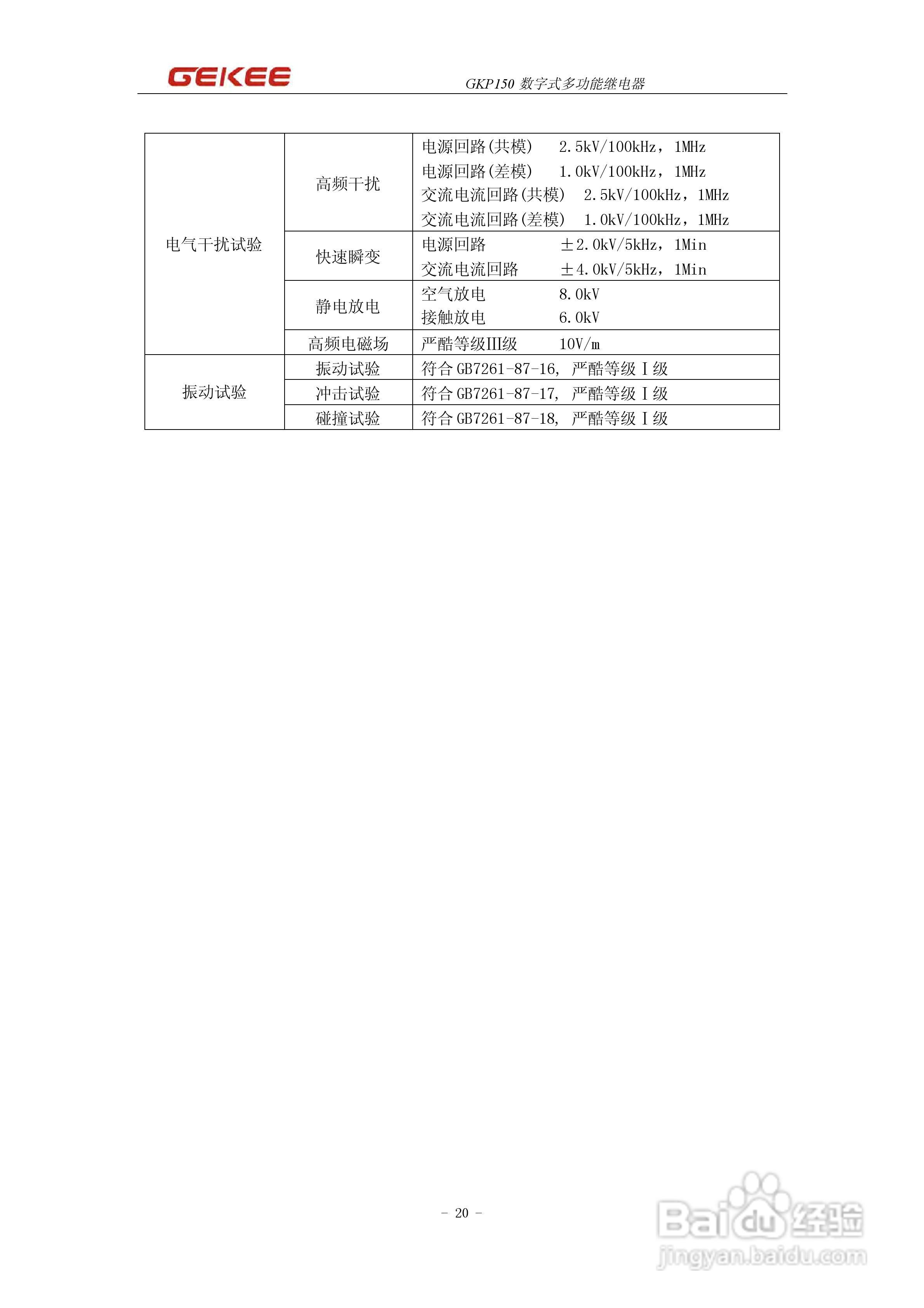
GKP150数字多功能继电器说明书:[2]
2026-04-12 18:42:47
本篇为《GKP150数字多功能继电器说明书》,主要介绍该产品的使用方法以及常见故障解决方案。
(共篇)
上一篇:
|
下一篇:
声明:
本网站引用、摘录或转载内容仅供网站访问者交流或参考,不代表本站立场,如存在版权或非法内容,请联系站长删除,联系邮箱:site.kefu@qq.com。
相关推荐
四方CSC-150数字式母线保护装置说明书:[2]
阅读量:179
知淇电力GKP160系列微机保护装置说明书:[2]
阅读量:179
ABB SPAM150C电动机保护继电器模件说明书:[2]
阅读量:194
MRI3数字式多功能过流保护继电器说明书:[4]
阅读量:85
YC2000E多功能双钳数字相位伏安表产品说明书:[2]
阅读量:63
猜你喜欢
梦见结婚是什么意思
do什么意思
感想是什么意思
杏色是什么颜色
atp是什么
梦见青蛙是什么意思
work是什么意思
打嗝是什么原因引起的
ptc是什么
缘分是什么
猜你喜欢
恬静是什么意思
9月13日是什么星座
办理护照需要什么材料
e是什么意思
tim是什么
什么手机好用
mid是什么意思
妈妈生日送什么礼物好
什么叫爱
赖文峰现在是什么情况