指南生活
首页
美食营养
手工爱好
生活家居
返回
指南生活
首页
美食营养
游戏数码
手工爱好
生活家居
健康养生
运动户外
职场理财
情感交际
母婴教育
时尚美容
知识问答
生活知识
搜索
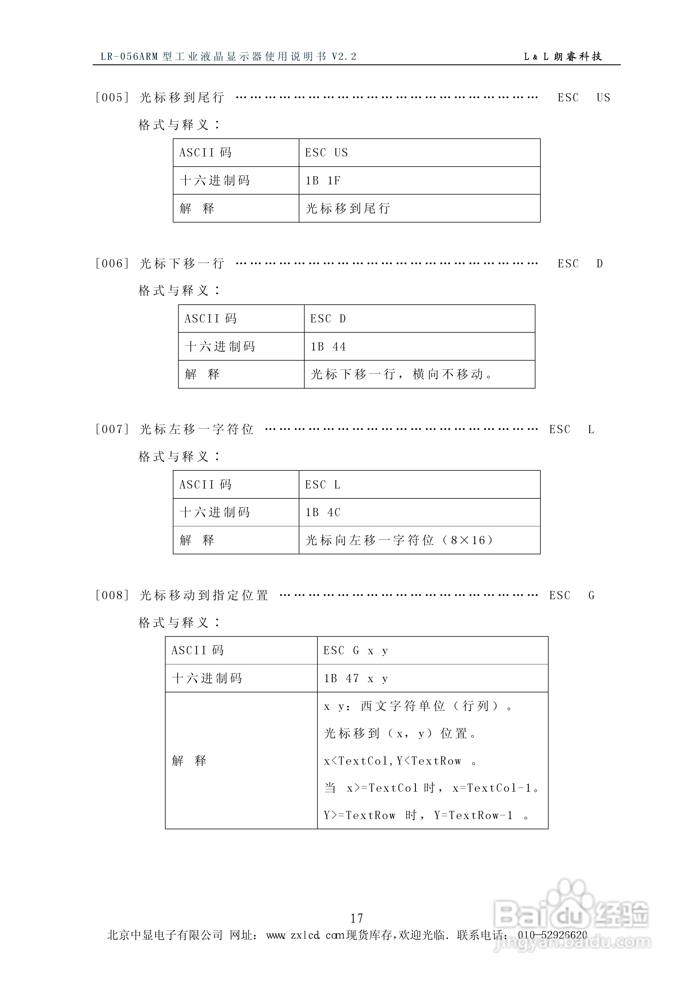
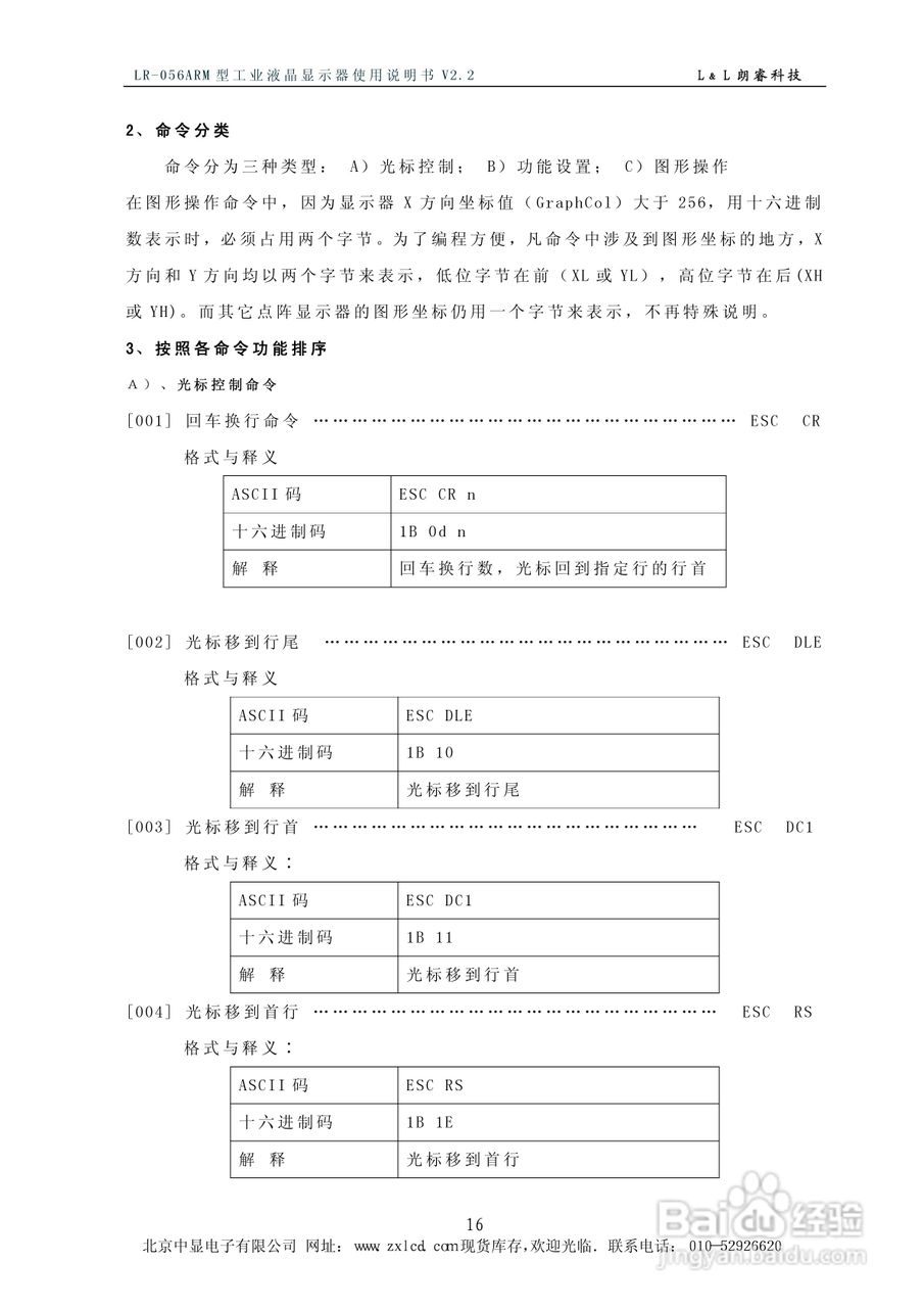
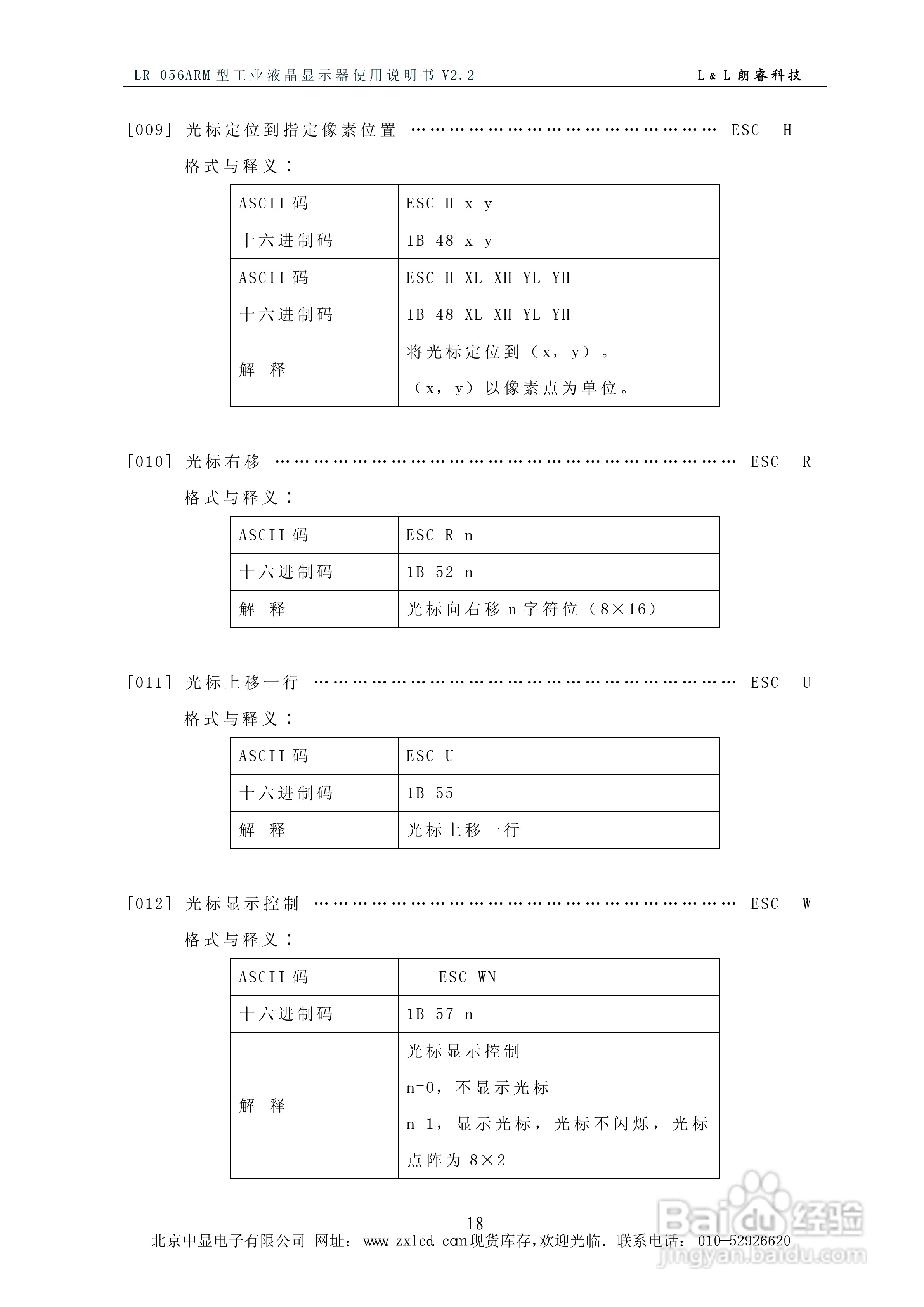
朗睿 LR-056ARM型彩色工业液晶显示器使用说明书:[2]
2025-12-29 09:01:35
(共篇)
上一篇:
|
下一篇:
声明:
本网站引用、摘录或转载内容仅供网站访问者交流或参考,不代表本站立场,如存在版权或非法内容,请联系站长删除,联系邮箱:site.kefu@qq.com。
相关推荐
朗睿 LR-056ARM型彩色工业液晶显示器使用说明书:[5]
阅读量:67
朗睿LR056VS系列彩色工业液晶显示器使用说明书:[2]
阅读量:113
朗睿电子LR-080ARM8060型彩色工业液晶显示器使用说明:[2]
阅读量:174
LR-104ARM型彩色工业液晶显示器说明书:[2]
阅读量:93
液晶显示器的屏幕擦拭从原理到技巧
阅读量:47
猜你喜欢
宝宝感冒咳嗽流鼻涕怎么办
只有车牌号怎么查违章
额头长痘怎么办
七巧板怎么拼正方形
电影学院怎么考
怎么扫二维码
银杏果怎么去皮
脑震荡怎么办
组织架构图怎么画
摩托车怎么保养
猜你喜欢
签证怎么办
word里面怎么画图
学习压力大怎么办
热感冒怎么办
淘宝怎么注册
孕妇牙痛怎么办
我的世界指南针怎么做
本地安全策略怎么打开
怎么用烤箱做面包
心口痛是怎么回事