指南生活
首页
美食营养
手工爱好
生活家居
返回
指南生活
首页
美食营养
游戏数码
手工爱好
生活家居
健康养生
运动户外
职场理财
情感交际
母婴教育
时尚美容
知识问答
生活知识
搜索
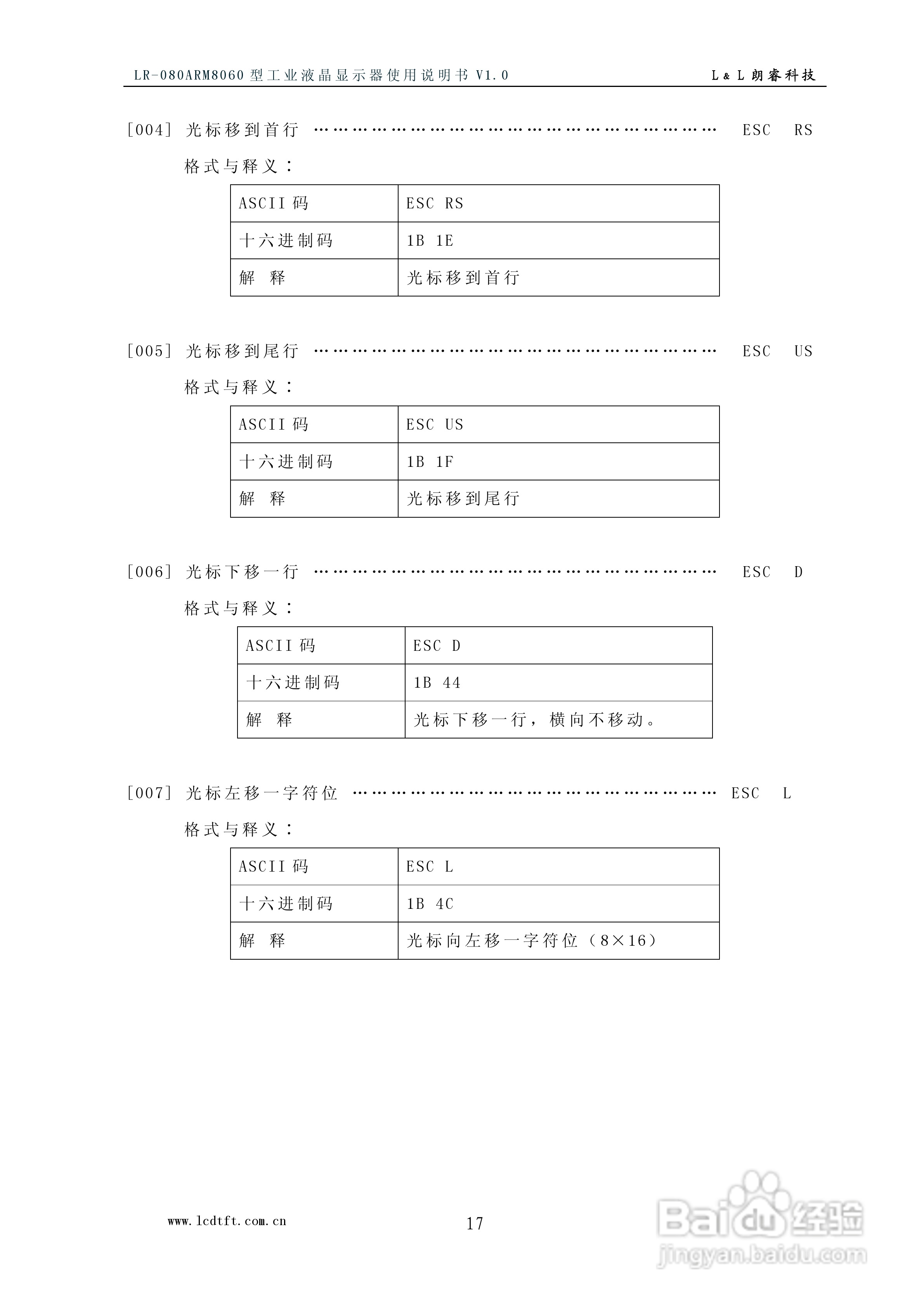
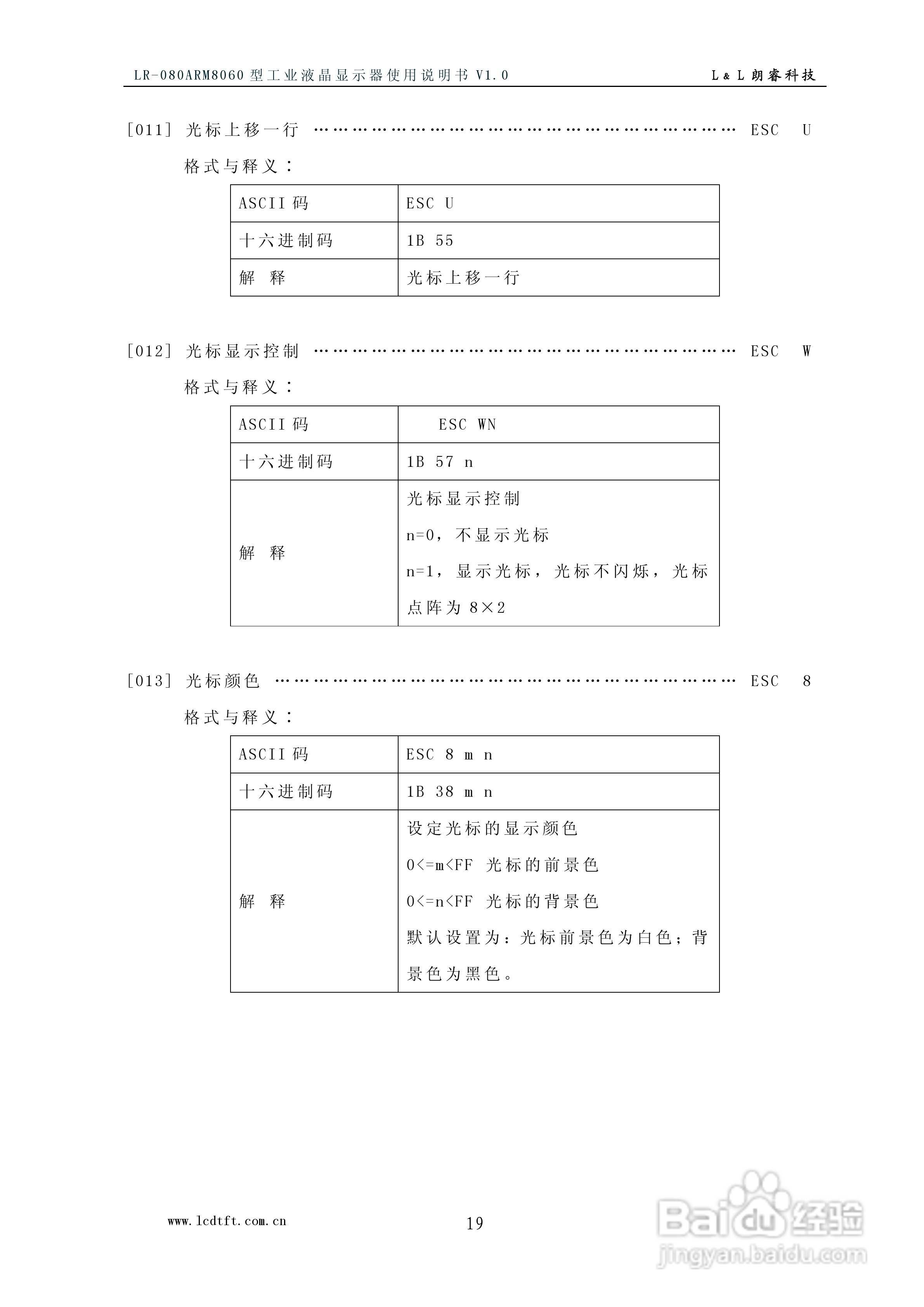
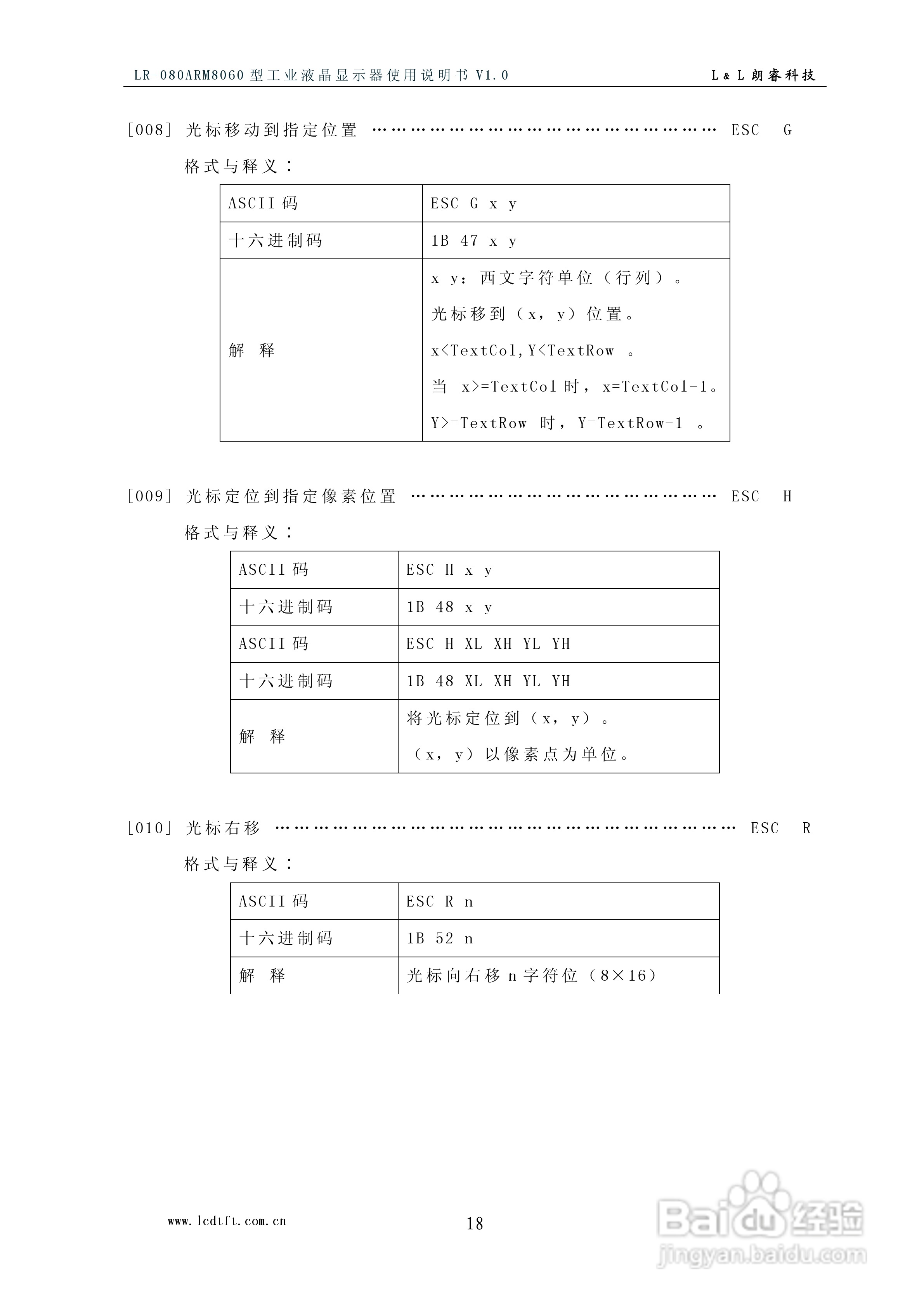
朗睿电子LR-080ARM8060型彩色工业液晶显示器使用说明:[2]
2025-12-28 15:11:51
(共篇)
上一篇:
|
下一篇:
声明:
本网站引用、摘录或转载内容仅供网站访问者交流或参考,不代表本站立场,如存在版权或非法内容,请联系站长删除,联系邮箱:site.kefu@qq.com。
相关推荐
朗睿电子LR-080ARM8060型彩色工业液晶显示器使用说明:[3]
阅读量:87
朗睿电子LR-080ARM8060型彩色工业液晶显示器使用说明:[4]
阅读量:34
朗睿 LR-064ARM型彩色工业液晶显示器使用说明书:[2]
阅读量:134
朗睿 LR-064ARM型彩色工业液晶显示器使用说明书:[3]
阅读量:105
朗睿 LR-064ARM型彩色工业液晶显示器使用说明书:[5]
阅读量:147
猜你喜欢
大学什么时候开学
上元节是什么节
nfc功能是什么
icc是什么
tcp是什么意思
粽子叶是什么植物的叶子
什么是非物质文化遗产
质数是什么
小ck是什么牌子
梦到狗是什么意思
猜你喜欢
正常体温在什么范围
food是什么意思
小心的反义词是什么
什么是马克思主义中国化
联行号是什么
美国有什么特产
fall是什么意思
心慌是什么原因
电子邮箱是什么格式
人加一笔变成什么字