指南生活
首页
美食营养
手工爱好
生活家居
返回
指南生活
首页
美食营养
游戏数码
手工爱好
生活家居
健康养生
运动户外
职场理财
情感交际
母婴教育
时尚美容
知识问答
生活知识
生活百科
搜索
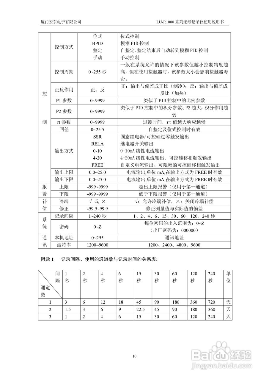
LU-R1000无纸记录仪说明书:[1]
2026-05-02 14:06:39
本篇为《LU-R1000无纸记录仪说明书》,主要介绍该产品的使用方法以及常见故障解决方案。
(共篇)
下一篇:
声明:
本网站引用、摘录或转载内容仅供网站访问者交流或参考,不代表本站立场,如存在版权或非法内容,请联系站长删除,联系邮箱:site.kefu@qq.com。
相关推荐
安东LU-R1000系列无纸记录仪使用说明书:[1]
阅读量:120
安东LU-R1000系列无纸记录仪使用说明书:[2]
阅读量:115
ZYW230无纸记录仪说明书:[1]
阅读量:116
ZYW130无纸记录仪操作手册:[1]
阅读量:100
JLYC28H无纸记录仪智能仪表说明书:[1]
阅读量:135
猜你喜欢
什么的詹天佑
巴西木的养殖方法和注意事项
愉快的反义词是什么
压力mpa是什么意思
happiness是什么意思
遥不可及是什么意思
什么是铜版纸
随笔是什么
我是什么教学设计
出水芙蓉是什么意思
猜你喜欢
隆科多和太后什么关系
小学运动会加油稿
q235是什么材质
遏制是什么意思
shower什么意思
出其不意是什么意思
8月25日是什么日子
birth是什么意思
什么是附件炎
弥漫什么意思