指南生活
首页
美食营养
手工爱好
生活家居
返回
指南生活
首页
美食营养
游戏数码
手工爱好
生活家居
健康养生
运动户外
职场理财
情感交际
母婴教育
时尚美容
知识问答
生活知识
生活百科
搜索
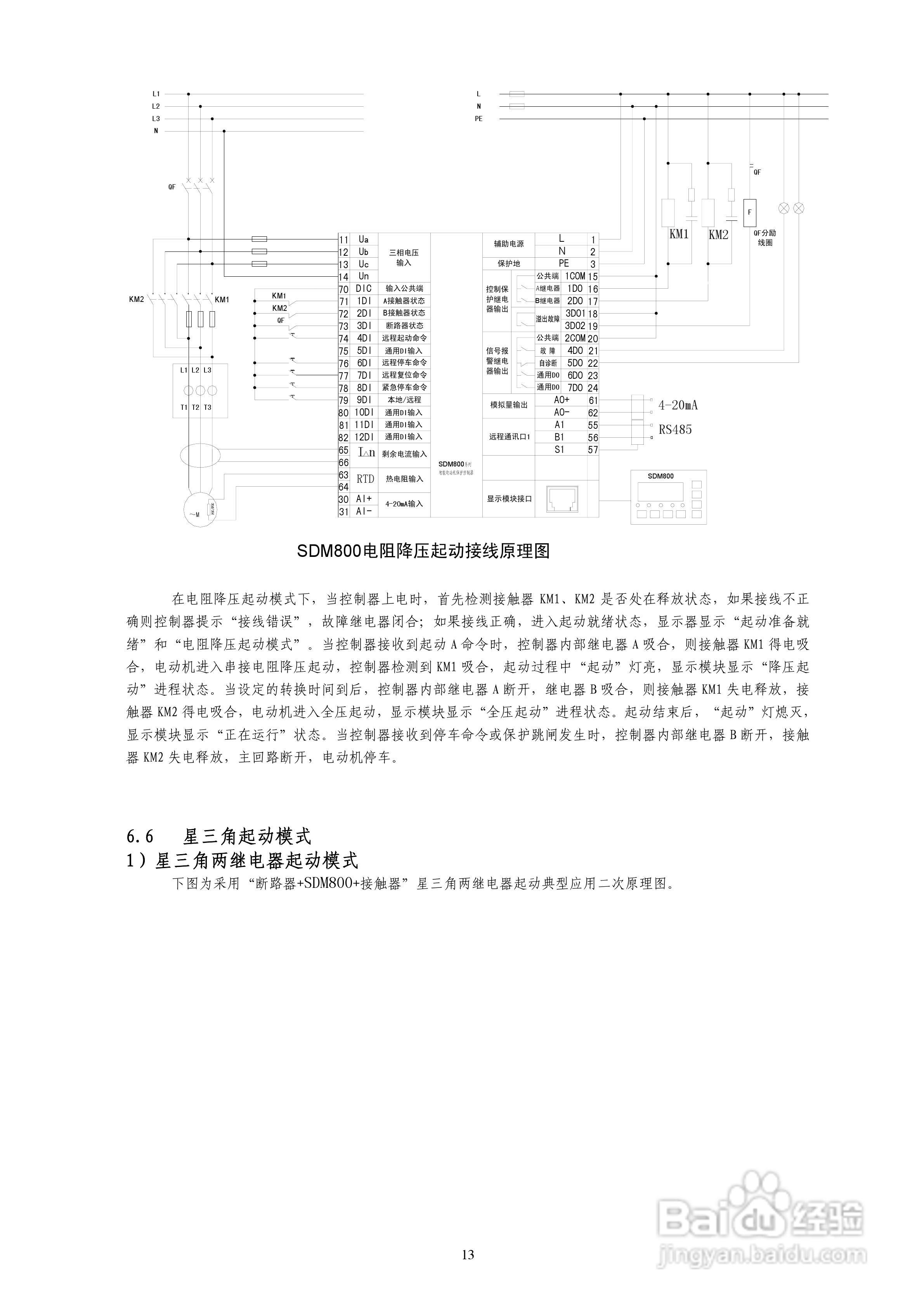
SDM800智能电动机保护控制器说明书:[2]
2026-03-23 03:07:01
本篇为《SDM800智能电动机保护控制器说明书》,主要介绍该产品的使用方法以及常见故障解决方案。
(共篇)
上一篇:
|
下一篇:
声明:
本网站引用、摘录或转载内容仅供网站访问者交流或参考,不代表本站立场,如存在版权或非法内容,请联系站长删除,联系邮箱:site.kefu@qq.com。
相关推荐
MPD100 电动机保护控制器使用说明书:[2]
阅读量:195
XZ-3000智能低压电动机保护控制器使用说明书V2:[2]
阅读量:54
MPD100 电动机保护控制器使用说明书:[1]
阅读量:69
ST500系列智能电动机控制器说明书:[2]
阅读量:102
MPD100 电动机保护控制器使用说明书:[3]
阅读量:81
猜你喜欢
信的格式怎么写
a型血为什么叫贵族血
歙怎么读
迈克尔杰克逊为什么变白
甲字五笔怎么打
粘鼠板的胶怎么去除
柘怎么读
贷款年利率怎么算
卤猪蹄的做法大全
酸菜鱼怎么做
猜你喜欢
中国电信怎么查话费
u盘无法格式化怎么办
怎么申请苹果id账号
心口窝疼是怎么回事
鲍鱼怎么做最简便最好吃呢
怎么剪辑视频
玫瑰糠疹怎么引起的
涔怎么读
科龙空调怎么样
起亚智跑怎么样