指南生活
首页
美食营养
手工爱好
生活家居
返回
指南生活
首页
美食营养
游戏数码
手工爱好
生活家居
健康养生
运动户外
职场理财
情感交际
母婴教育
时尚美容
知识问答
生活知识
生活百科
搜索
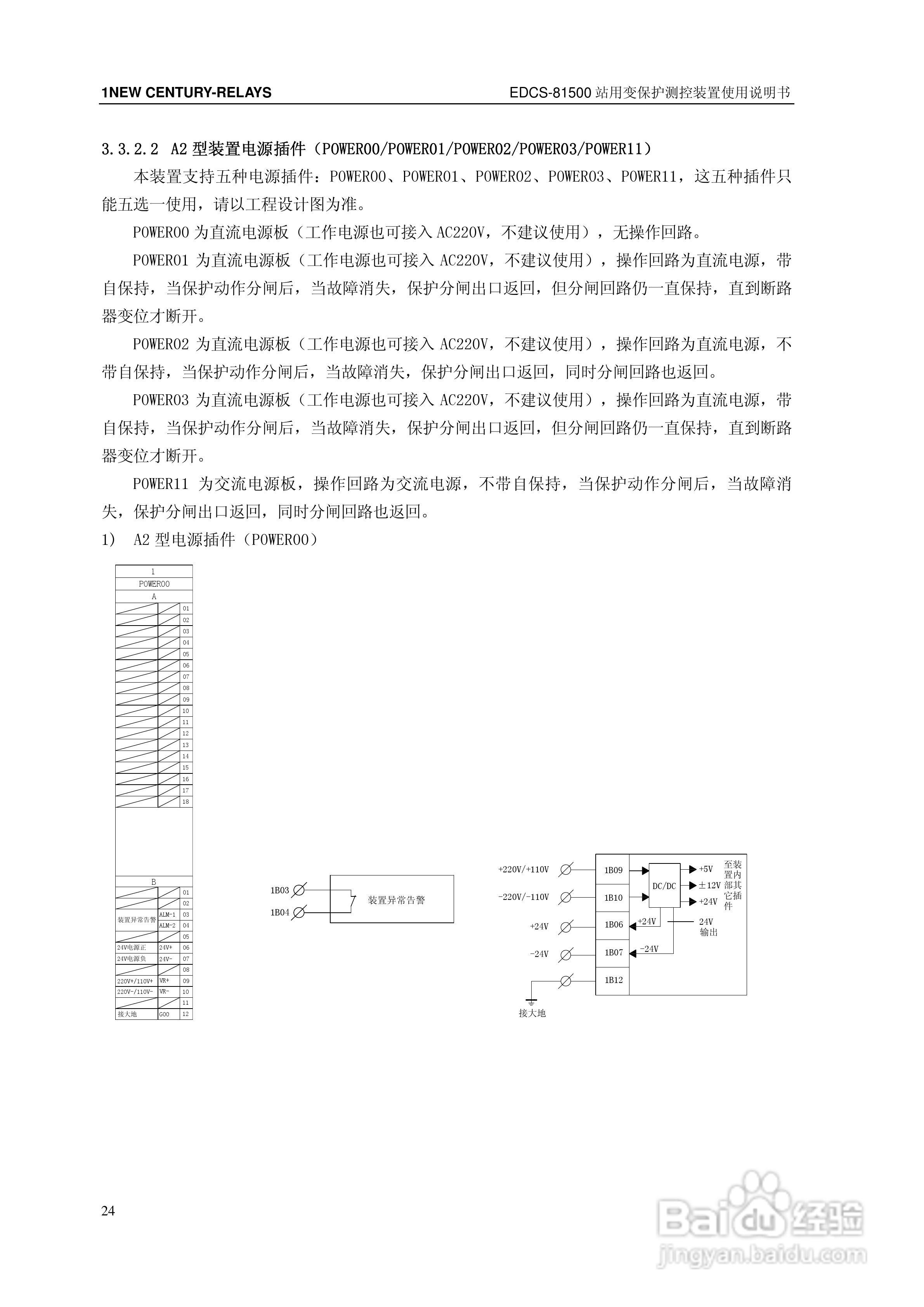
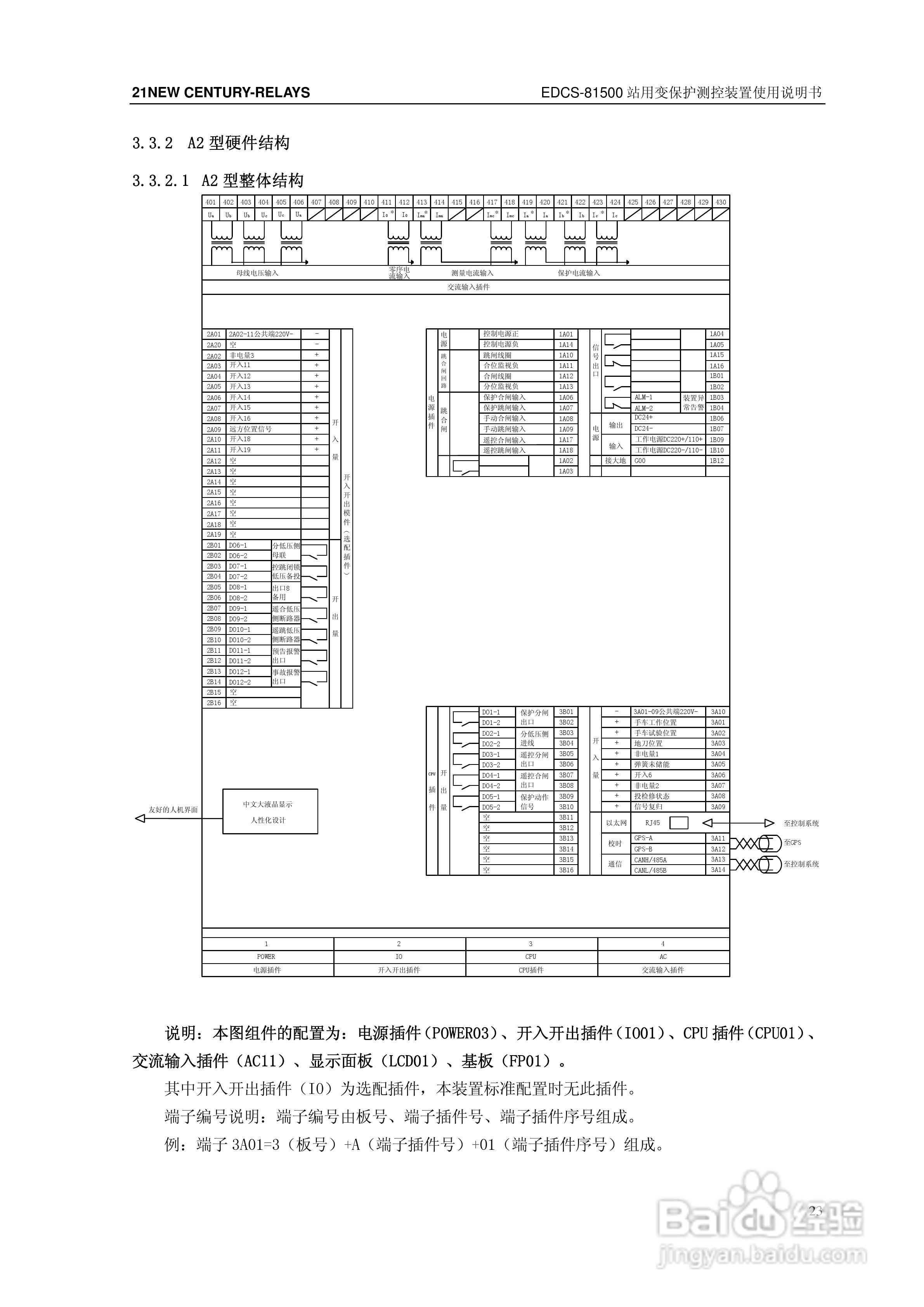
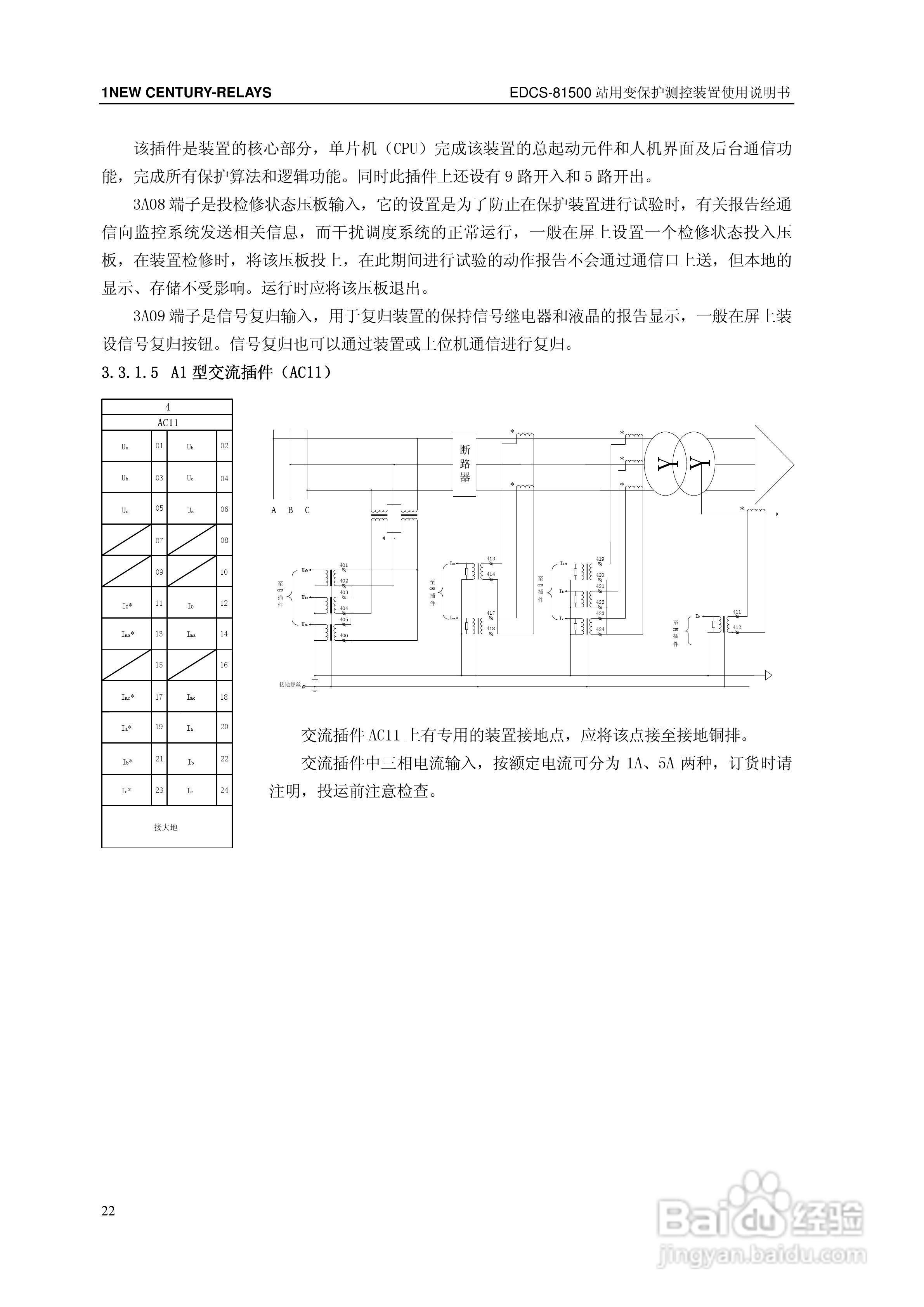
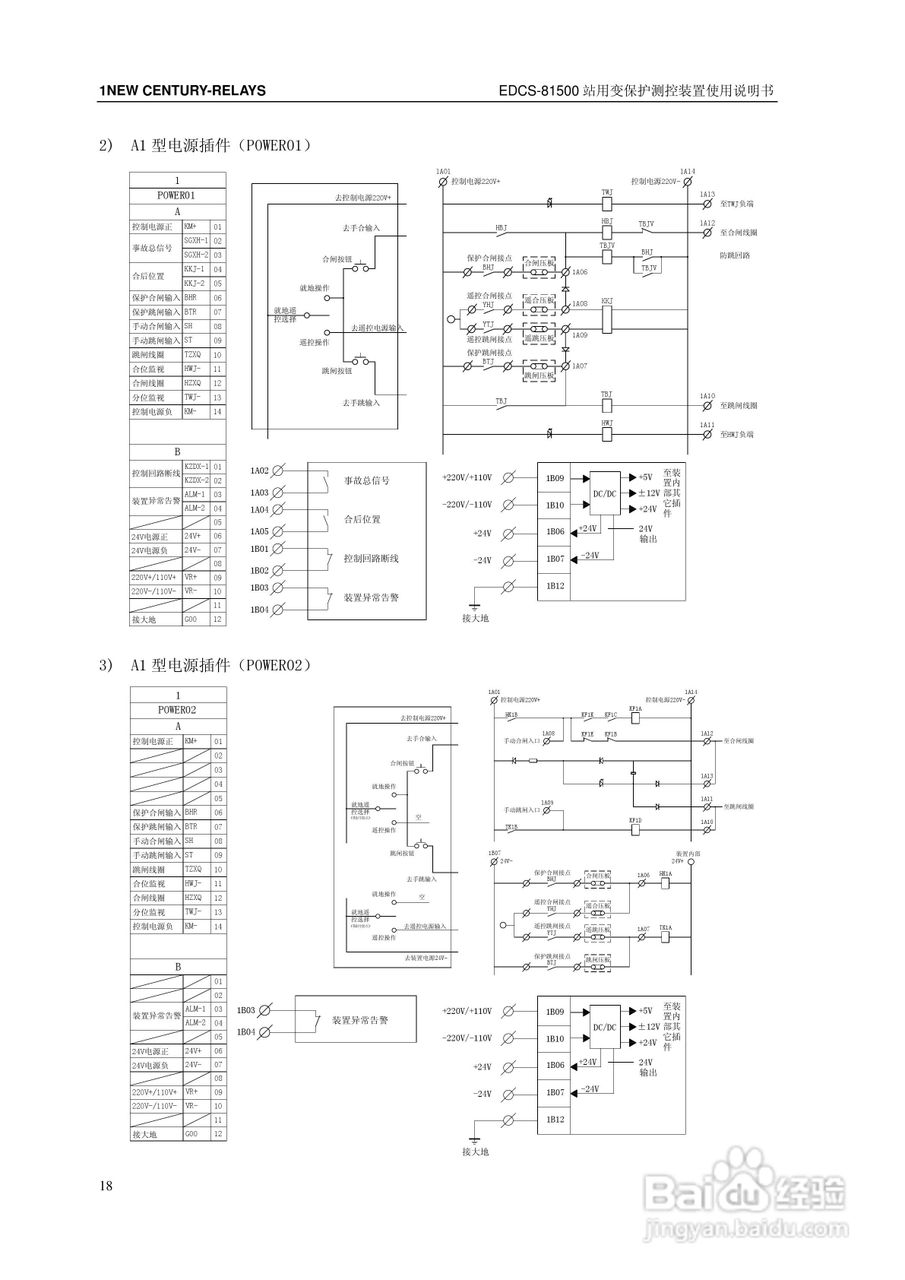
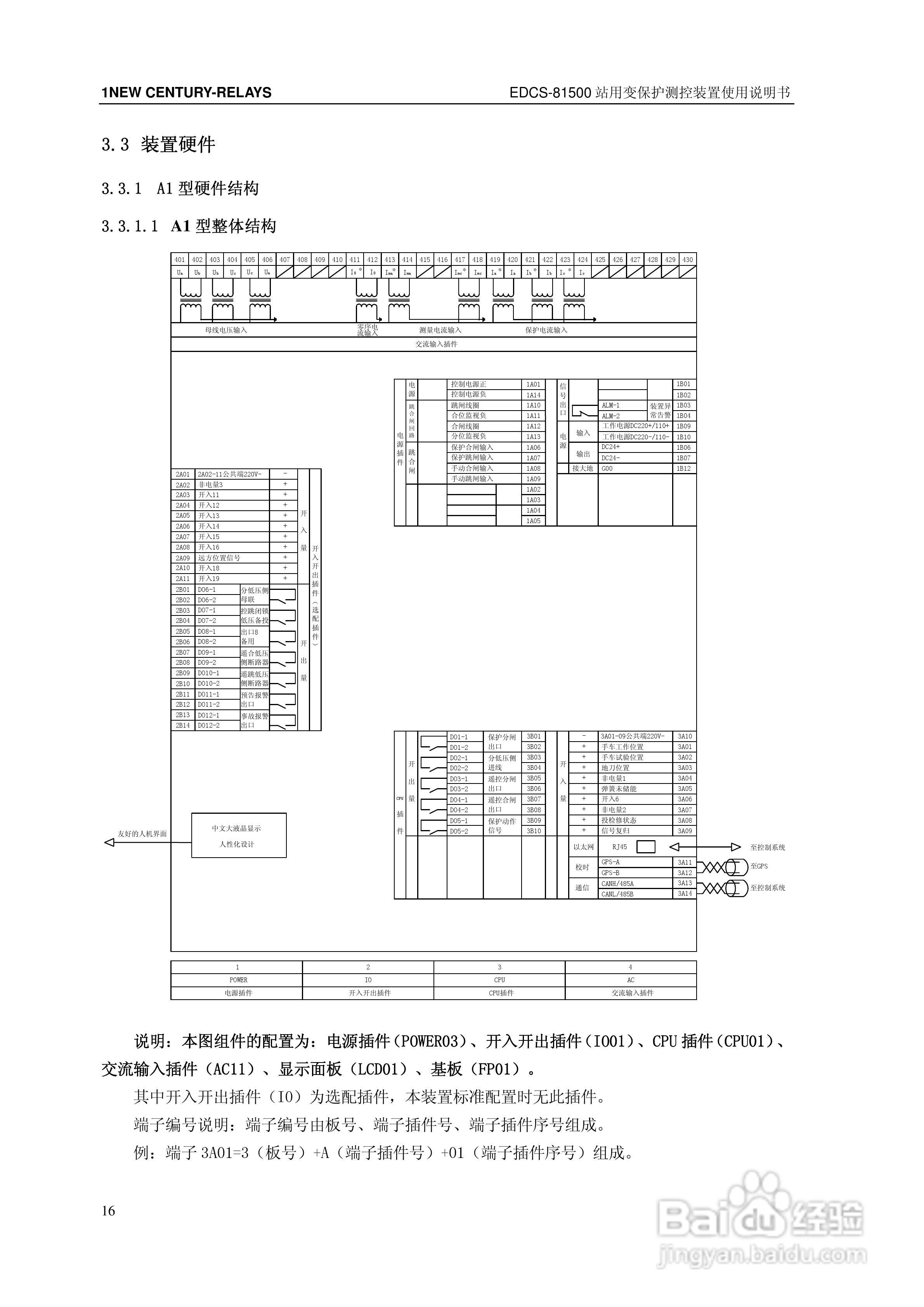
新世纪EDCS-81503站用变保护测控装置说明书:[3]
2026-03-29 01:54:58
本篇为《新世纪EDCS-81503站用变保护测控装置说明书》,主要介绍该产品的使用方法以及常见故障解决方案。
(共篇)
上一篇:
|
下一篇:
声明:
本网站引用、摘录或转载内容仅供网站访问者交流或参考,不代表本站立场,如存在版权或非法内容,请联系站长删除,联系邮箱:site.kefu@qq.com。
相关推荐
新世纪EDCS-81503站用变保护测控装置说明书:[14]
阅读量:30
新世纪福音战士ol回收系统介绍
阅读量:179
新世纪EDCS-81503站用变保护测控装置说明书:[9]
阅读量:87
新世纪EDCS-81503站用变保护测控装置说明书:[12]
阅读量:55
新世纪EDCS-81503站用变保护测控装置说明书:[5]
阅读量:180
猜你喜欢
江安生活网
久违是什么意思
生活常识大全
生活大爆炸第八季
demo是什么意思
eve是什么意思
欲罢不能是什么意思
baby是什么意思英文
新买的电脑怎么分区
生活的点点滴滴
猜你喜欢
荔浦生活网
生活大爆炸第一季优酷
lol怎么练技术
男人如何减肥
怎么看内存大小
mvp是什么意思
辽宁财贸学院怎么样
如何安装wifi
私处如何脱毛
广西财经学院怎么样