SMG3000手持式三钳相位伏安表操作方法
1、持续按开机按键仪器进入如下画面;继续按键3秒仪器进入真正开机状态,仪表会发出“滴”响声,证明仪表已开机这是放开按键。

2、测量界面说明
如果测量方式选择三相三线,用触摸笔轻触图标 三相四线图标会变成三相三线 ,相同操作可实现单相测量。本仪表具有数据保持和保存功能,轻触HOLD图标,图标颜色由灰色变成HOLD测量数据静止,下面出现保存图标,轻触保存图标,可以保存数据,数据保存采用循环保存新保存数据会自动删除最早保存的那组数据,查看功能可以查看保存数据 紫色图标会用R**(**代表01、02…10),通过上一页图标 和下一页图标 翻看数据。上述功能在功率测量界面同样有效。请按图标 功率图标变成蓝色如下图进入功率测量界面,保存数据时伏安相位测量数据同样被保存。

3、轻触向量图图标进入六角向量图测量界面,六角图按颜色画出电压和电流的矢量图(A相电压和电流为黄色、B相电压和电流为绿色、C相电压和电流为红色)。

4、判断相序:
如果电压相序正确,电压数值前显示绿色标志,若错误,则为红色标志
如果电流相序正确,电流数值前显示绿色标志,若错误,则为红色标志
判断负载性质:
若为感性负载,则显示“L”,若为容性负载,则显示“C”,否则显示“-”
5、接线方法
1、单相测量接线方式 如下图:
单相电测量将火线接到仪表的UA相,零线接到UN。电流钳传感器钳到火线上接入IA插孔。

6、三相三线接线方法
如下图:
电压线的连接:使用专用电压测试线(黄、红、黑三组),一端依次插入本仪器的UA、UC、UN相插孔,另一端分别接入被测线路的A相、C相、B相。注意:黄色线接UA插孔,黑色线接UN插孔、红色线接UC插孔。电流线的连接:再将IA、IC钳插入本仪器IA、IC插孔中,再将另一端分别卡入被测电流回路。

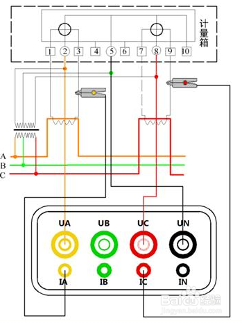
7、三相四线接法如下图:
电压线的连接:使用专用电压测试线(黄、绿、红、黑四组),一端依次插入本仪器的UA、UB、UC、UN相插孔中,另一端再接入被测线路的A相、B相、C相、零线。
电流线的连接:将 IA、IB、IC钳表插入本仪器IA、IB、IC插孔中,再将另一端分别卡入被测电流回路。
