指南生活
首页
美食营养
手工爱好
生活家居
返回
指南生活
首页
美食营养
游戏数码
手工爱好
生活家居
健康养生
运动户外
职场理财
情感交际
母婴教育
时尚美容
知识问答
生活知识
生活百科
搜索
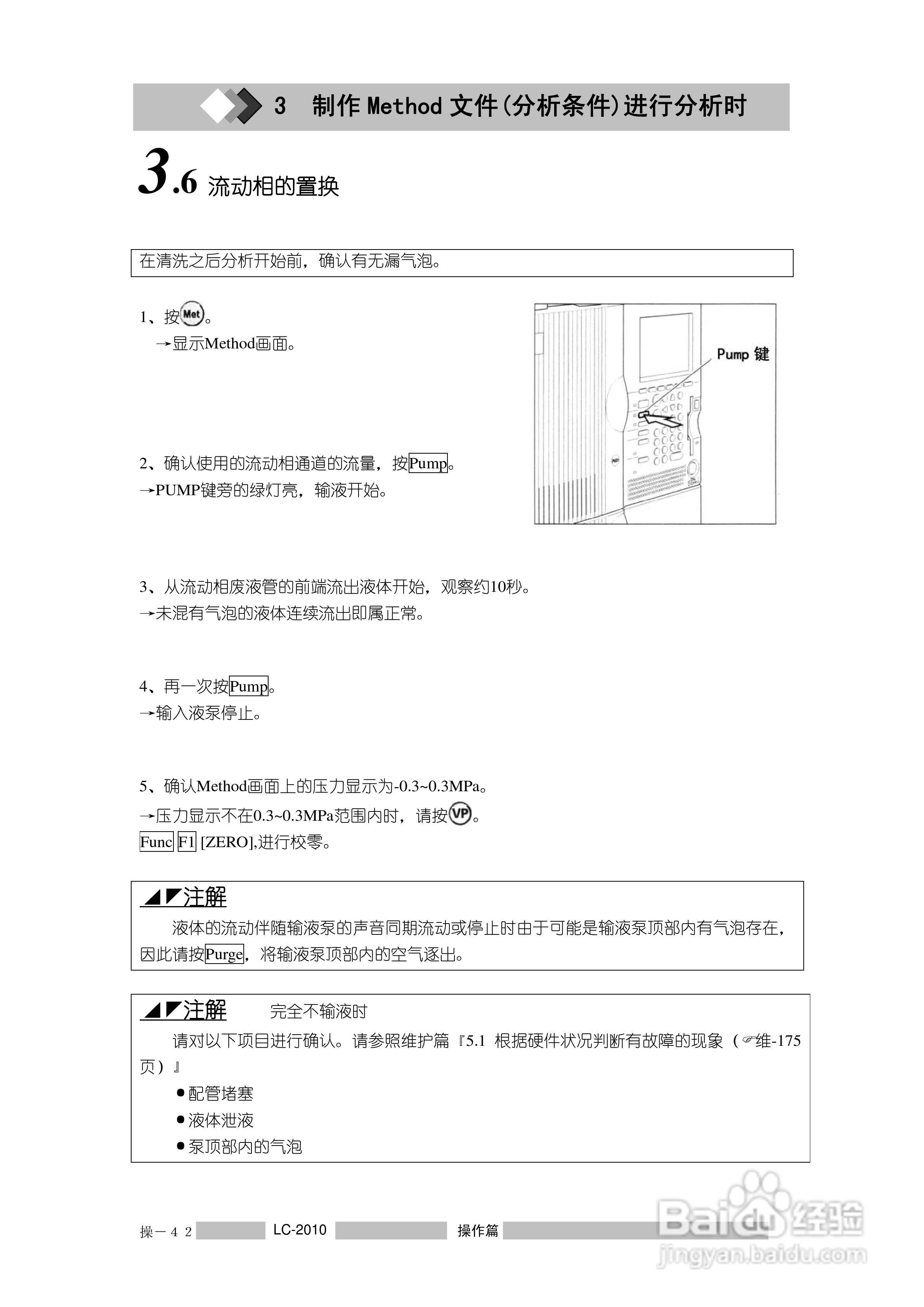
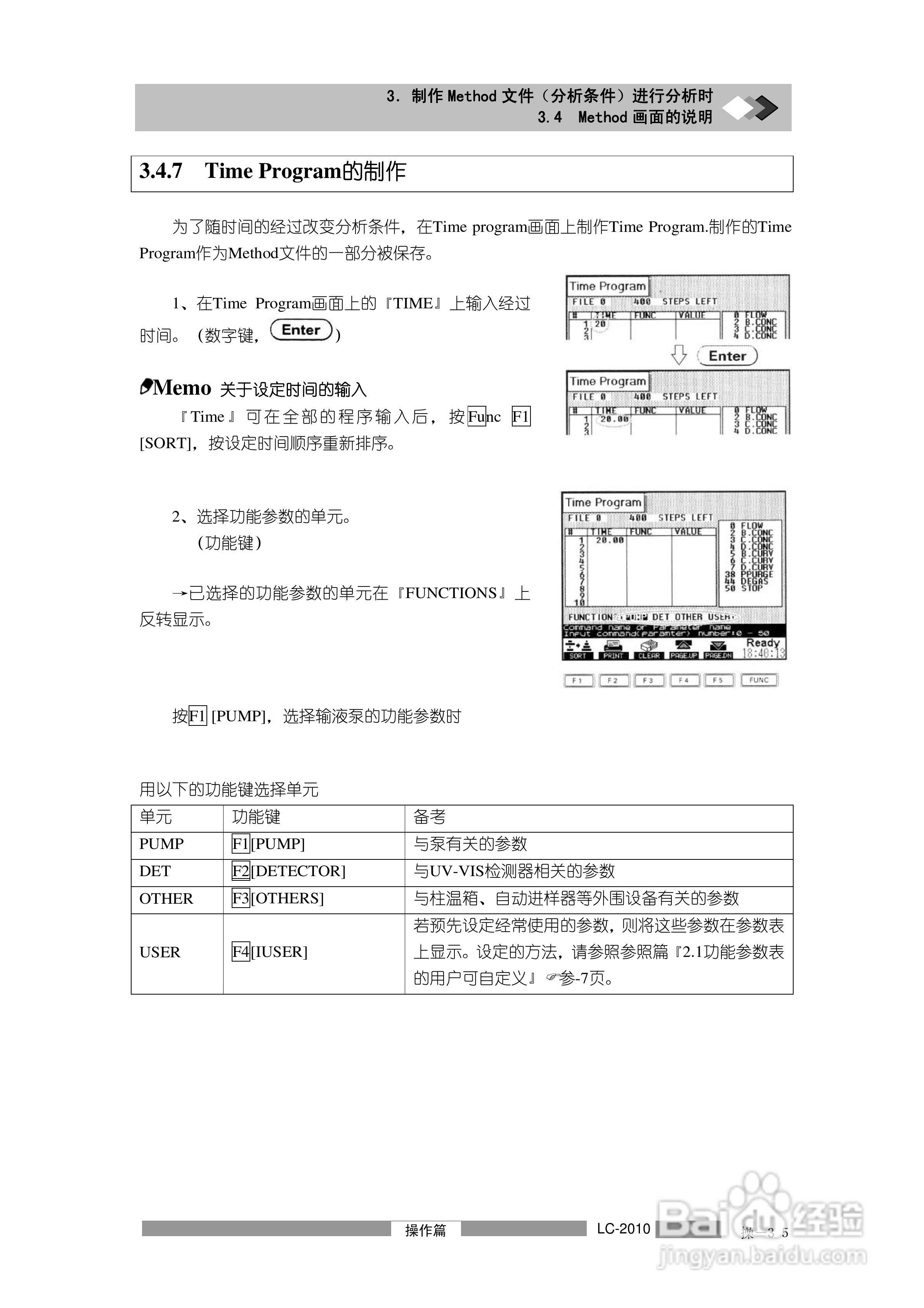
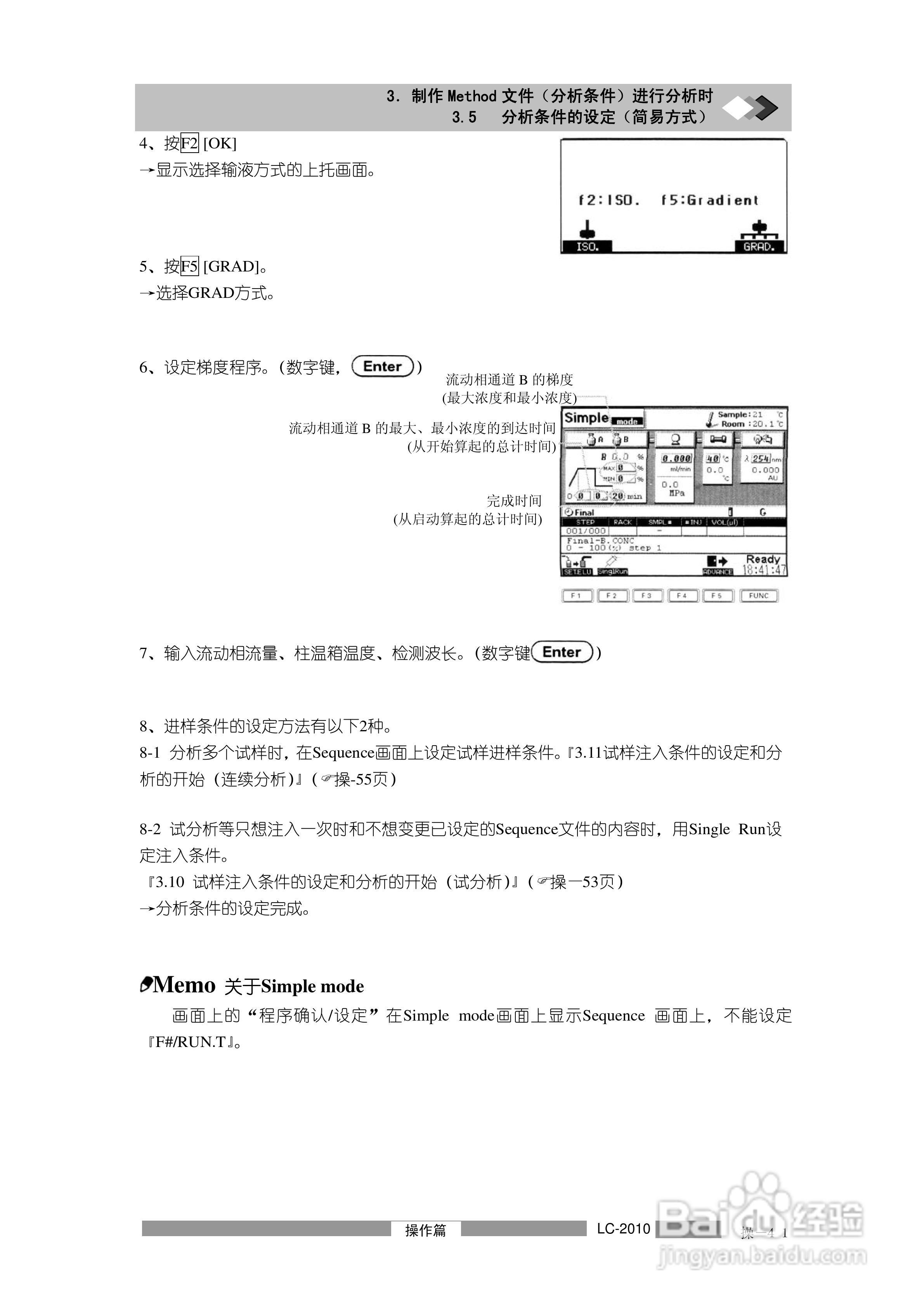
岛津LC2010A高效液相色谱仪操作说明书:[7]
2026-04-08 17:46:29
本篇为《岛津LC2010A高效液相色谱仪操作说明书》,主要介绍该产品的使用方法以及常见故障解决方案。
(共篇)
上一篇:
|
下一篇:
声明:
本网站引用、摘录或转载内容仅供网站访问者交流或参考,不代表本站立场,如存在版权或非法内容,请联系站长删除,联系邮箱:site.kefu@qq.com。
相关推荐
岛津LC2010A高效液相色谱仪操作说明书:[6]
阅读量:22
岛津LC2010A高效液相色谱仪操作说明书:[4]
阅读量:157
岛津LC2010A高效液相色谱仪操作说明书:[5]
阅读量:172
岛津LC2010A高效液相色谱仪操作说明书:[9]
阅读量:59
岛津LC2010A高效液相色谱仪操作说明书:[12]
阅读量:180
猜你喜欢
肥肉怎么做好吃
怎么去霉运
密码忘记了怎么办
络腮胡子怎么去除
女人性冷淡怎么办
ps怎么加水印
手机照片误删怎么恢复
一岁宝宝拉肚子怎么办
爱乐仕锅具怎么样
一年级手抄报怎么写
猜你喜欢
网络不稳定怎么办
小天鹅冰箱怎么样
怎么提高英语成绩
实习手册怎么写
大蒜怎么腌制
授权书怎么写
堵漏王怎么用
显卡怎么超频
电烤箱怎么用
淘宝怎么申请换货