指南生活
首页
美食营养
手工爱好
生活家居
返回
指南生活
首页
美食营养
游戏数码
手工爱好
生活家居
健康养生
运动户外
职场理财
情感交际
母婴教育
时尚美容
知识问答
生活知识
生活百科
搜索
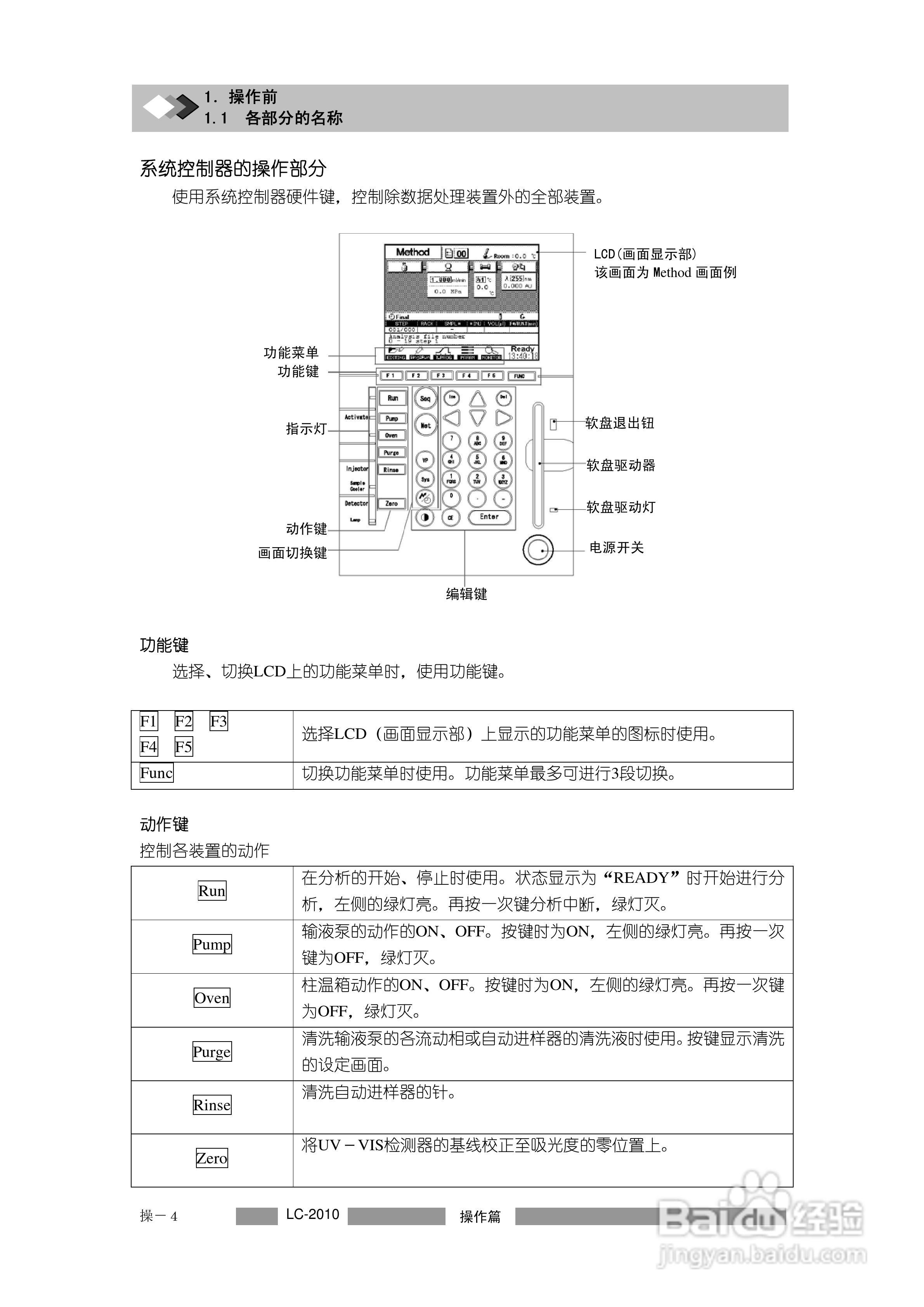
岛津LC2010A高效液相色谱仪操作说明书:[4]
2026-04-08 19:13:56
本篇为《岛津LC2010A高效液相色谱仪操作说明书》,主要介绍该产品的使用方法以及常见故障解决方案。
(共篇)
上一篇:
|
下一篇:
声明:
本网站引用、摘录或转载内容仅供网站访问者交流或参考,不代表本站立场,如存在版权或非法内容,请联系站长删除,联系邮箱:site.kefu@qq.com。
相关推荐
岛津LC2010A高效液相色谱仪操作说明书:[10]
阅读量:66
岛津LC2010A高效液相色谱仪操作说明书:[7]
阅读量:93
岛津LC2010A高效液相色谱仪操作说明书:[8]
阅读量:65
岛津LC2010A高效液相色谱仪操作说明书:[13]
阅读量:192
岛津LC2010A高效液相色谱仪操作说明书:[12]
阅读量:196
猜你喜欢
朋友圈怎么发视频
依视路镜片怎么样
毓婷怎么读
乳头内陷怎么办
维修基金怎么算
阴道干涩怎么办
怎么抠图
地三鲜怎么做
零存整取利息怎么算
红色毛衣怎么搭配
猜你喜欢
怎么制作游戏
嘴唇干燥紧绷怎么回事
wifi密码怎么修改
怎么勾芡
空调扇怎么使用
喉咙痒咳嗽怎么办
疙瘩汤怎么做
妊娠纹怎么消除
腔梗是怎么回事
白血病是怎么引起的