指南生活
首页
美食营养
手工爱好
生活家居
返回
指南生活
首页
美食营养
游戏数码
手工爱好
生活家居
健康养生
运动户外
职场理财
情感交际
母婴教育
时尚美容
知识问答
生活知识
生活百科
搜索
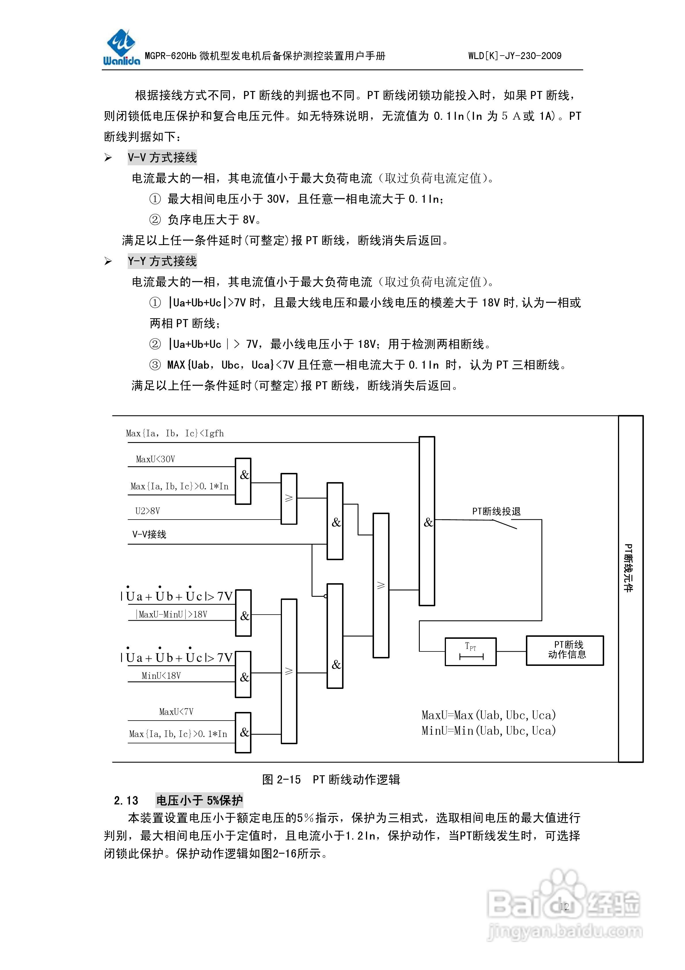
MGPR-620Hb微机型发电机后备保护测控装置用户手册:[2]
2026-04-25 07:52:04
本篇为《MGPR-620Hb微机型发电机后备保护测控装置用户手册》,主要介绍该产品的使用方法以及常见故障解决方案。
(共篇)
上一篇:
|
下一篇:
声明:
本网站引用、摘录或转载内容仅供网站访问者交流或参考,不代表本站立场,如存在版权或非法内容,请联系站长删除,联系邮箱:site.kefu@qq.com。
相关推荐
MGPR-610Hb微机型发电机差动保护装置用户手册:[2]
阅读量:170
MGPR-610Hb微机型发电机差动保护装置用户手册:[3]
阅读量:178
怎样制作发电机(2)
阅读量:120
MGPR-610Hb微机型发电机差动保护装置用户手册:[1]
阅读量:159
MMPR-330Hb-2型微机电动机保护装置用户手册:[1]
阅读量:98
猜你喜欢
游戏开发需要学什么
美人鱼是什么动物
pov什么意思
wifi用户名是什么
客座教授是什么意思
url是什么意思
同工同酬是什么意思
gap什么意思
sorry什么意思
啤酒洗头发有什么好处
猜你喜欢
build是什么意思
电脑卡是什么原因
办健康证需要带什么
什么食物含叶酸
rmb是什么意思
特殊的反义词是什么
demo什么意思
白带什么时候来
什么耳机音质最好
什么时候喝牛奶好