指南生活
首页
美食营养
手工爱好
生活家居
返回
指南生活
首页
美食营养
游戏数码
手工爱好
生活家居
健康养生
运动户外
职场理财
情感交际
母婴教育
时尚美容
知识问答
生活知识
生活百科
搜索
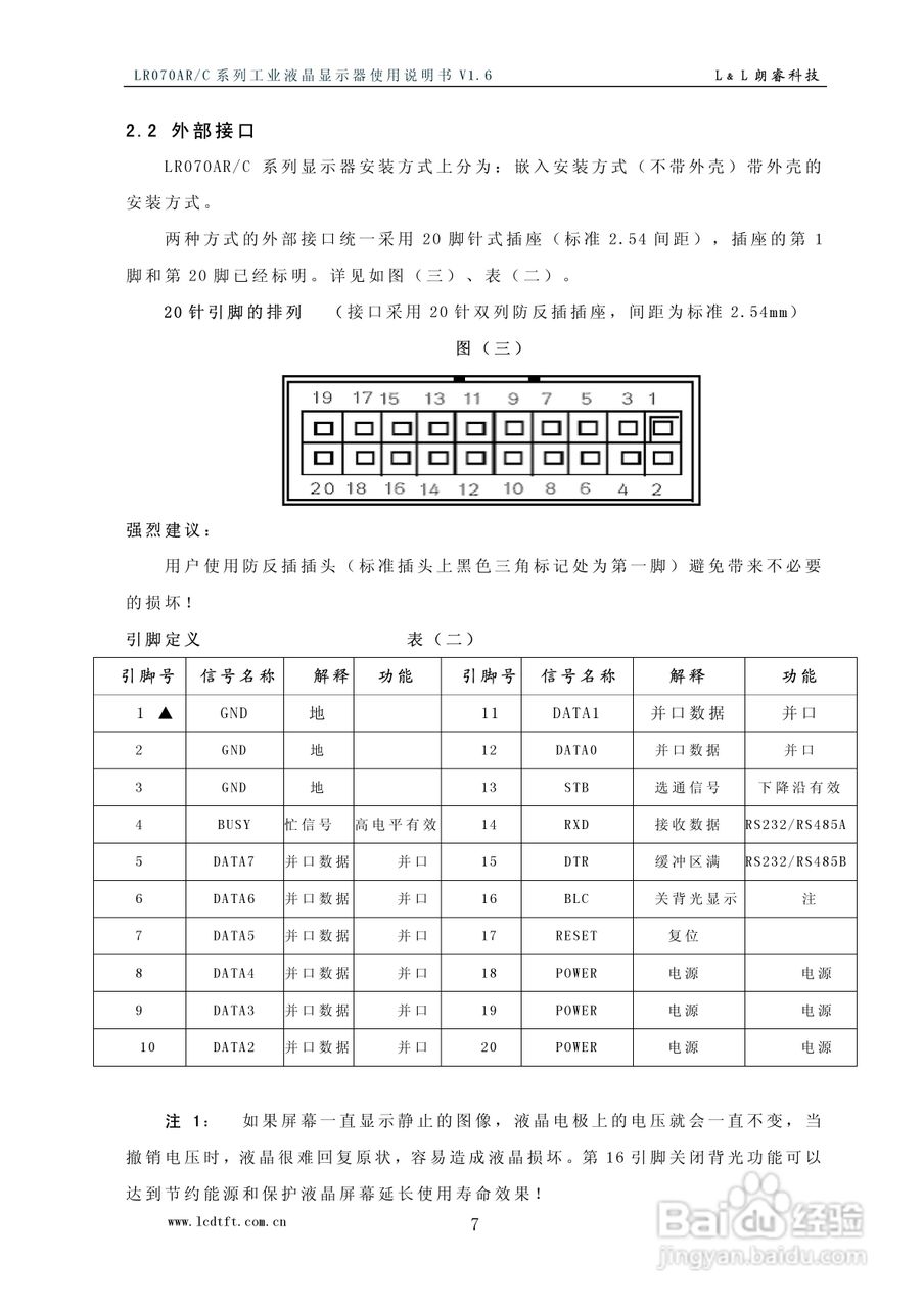
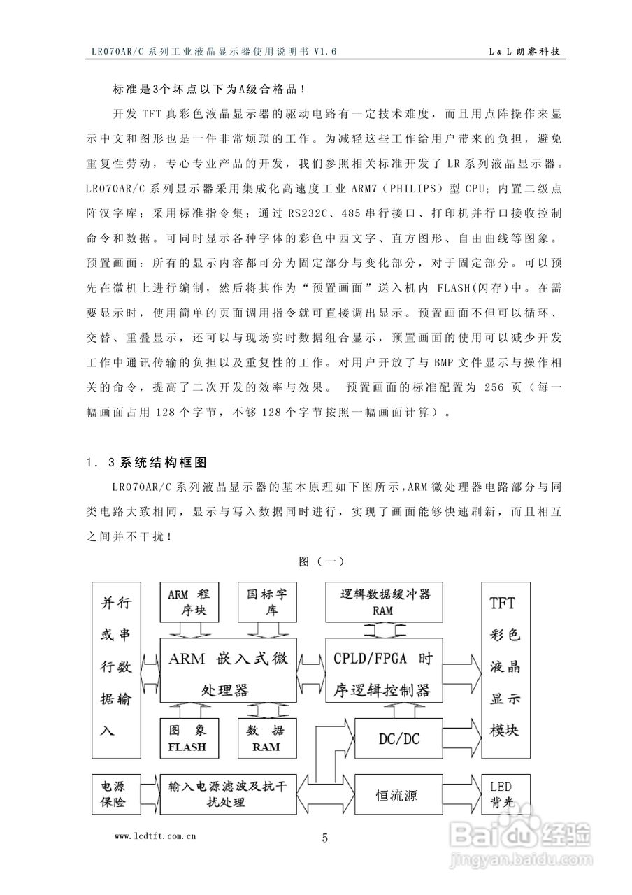
LR070AR/C型彩色工业液晶显示器使用说明书:[1]
2026-05-10 03:13:50
/>
(共篇)
下一篇:
声明:
本网站引用、摘录或转载内容仅供网站访问者交流或参考,不代表本站立场,如存在版权或非法内容,请联系站长删除,联系邮箱:site.kefu@qq.com。
相关推荐
LR070AR/C型彩色工业液晶显示器使用说明书:[3]
阅读量:191
朗瑞LR104AR/B系列彩色工业液晶显示器使用说明书:[1]
阅读量:92
朗睿 LR-064ARM型彩色工业液晶显示器使用说明书:[1]
阅读量:144
朗睿电子LR-080ARM8060型彩色工业液晶显示器使用说明:[1]
阅读量:38
液晶显示器的屏幕擦拭从原理到技巧
阅读量:81
猜你喜欢
苹果手机怎么查定位
数学差怎么办
qq密码怎么改
地贫筛查结果怎么看
小孩缺锌怎么补
金钱草怎么养
小怎么读
兰舍硅藻泥怎么样
怎么除甲醛
泡泡糖咽下去怎么办
猜你喜欢
健身教练证怎么考
卫新洗衣液怎么样
膝盖凉是怎么回事
brush怎么读
怎么发送邮件
怎么给充电宝充电
果郡王怎么死的
六一儿童节怎么过的写几句话
奥迪a3怎么样
右下眼皮跳是怎么回事