指南生活
首页
美食营养
手工爱好
生活家居
返回
指南生活
首页
美食营养
游戏数码
手工爱好
生活家居
健康养生
运动户外
职场理财
情感交际
母婴教育
时尚美容
知识问答
生活知识
生活百科
搜索
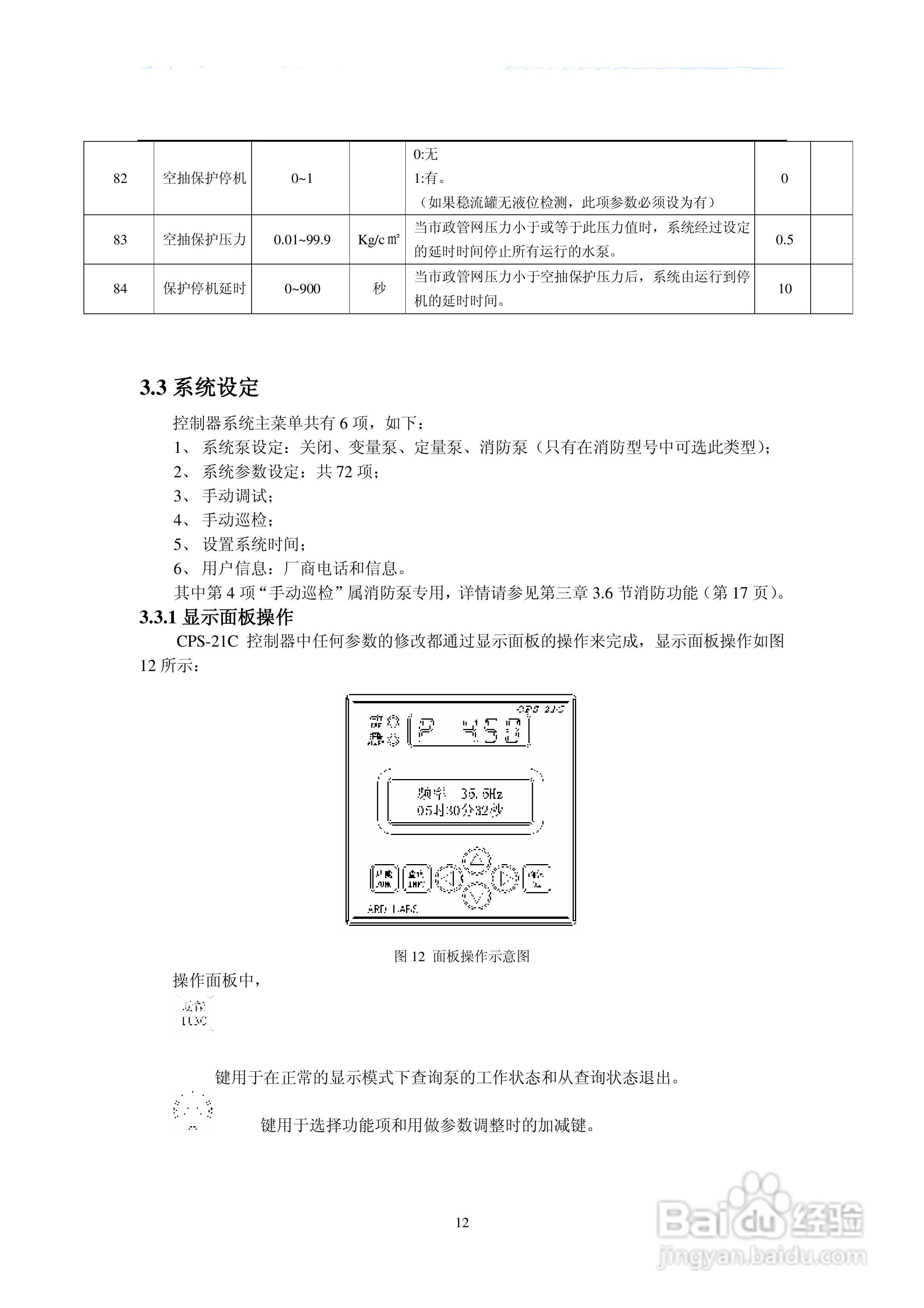
兰利科技CPS-21C变频恒压供水控制器使用说明书:[2]
2026-04-23 14:25:40
本篇为《兰利科技CPS-21C变频恒压供水控制器使用说明书》,主要介绍该产品的使用方法以及常见故障解决方案。
(共篇)
上一篇:
声明:
本网站引用、摘录或转载内容仅供网站访问者交流或参考,不代表本站立场,如存在版权或非法内容,请联系站长删除,联系邮箱:site.kefu@qq.com。
相关推荐
兰利科技CPS-21C变频恒压供水控制器使用说明书:[1]
阅读量:125
HB-CPS646变频恒压供水控制器使用说明书:[2]
阅读量:79
CPC316变频恒压供水控制器V4版使用说明书:[2]
阅读量:61
CPC316变频恒压供水控制器V4版使用说明书:[1]
阅读量:72
CPC316变频恒压供水控制器V4版使用说明书:[3]
阅读量:152
猜你喜欢
icp是什么意思
云盘是什么
imagine是什么意思
性激素六项什么时候检查
买了否冷什么意思
interest是什么意思
大蒜怎么腌制
dm是什么单位的
情不自禁的禁是什么意思
什么是理财产品
猜你喜欢
全蝎养殖
凯美瑞运动版
7月24日是什么节日
乳贴是什么
尿痛是什么原因
kl是什么意思
什么是数据挖掘
大力是什么
望洋兴叹什么意思
送女班主任什么礼物好