指南生活
首页
美食营养
手工爱好
生活家居
返回
指南生活
首页
美食营养
游戏数码
手工爱好
生活家居
健康养生
运动户外
职场理财
情感交际
母婴教育
时尚美容
知识问答
生活知识
搜索
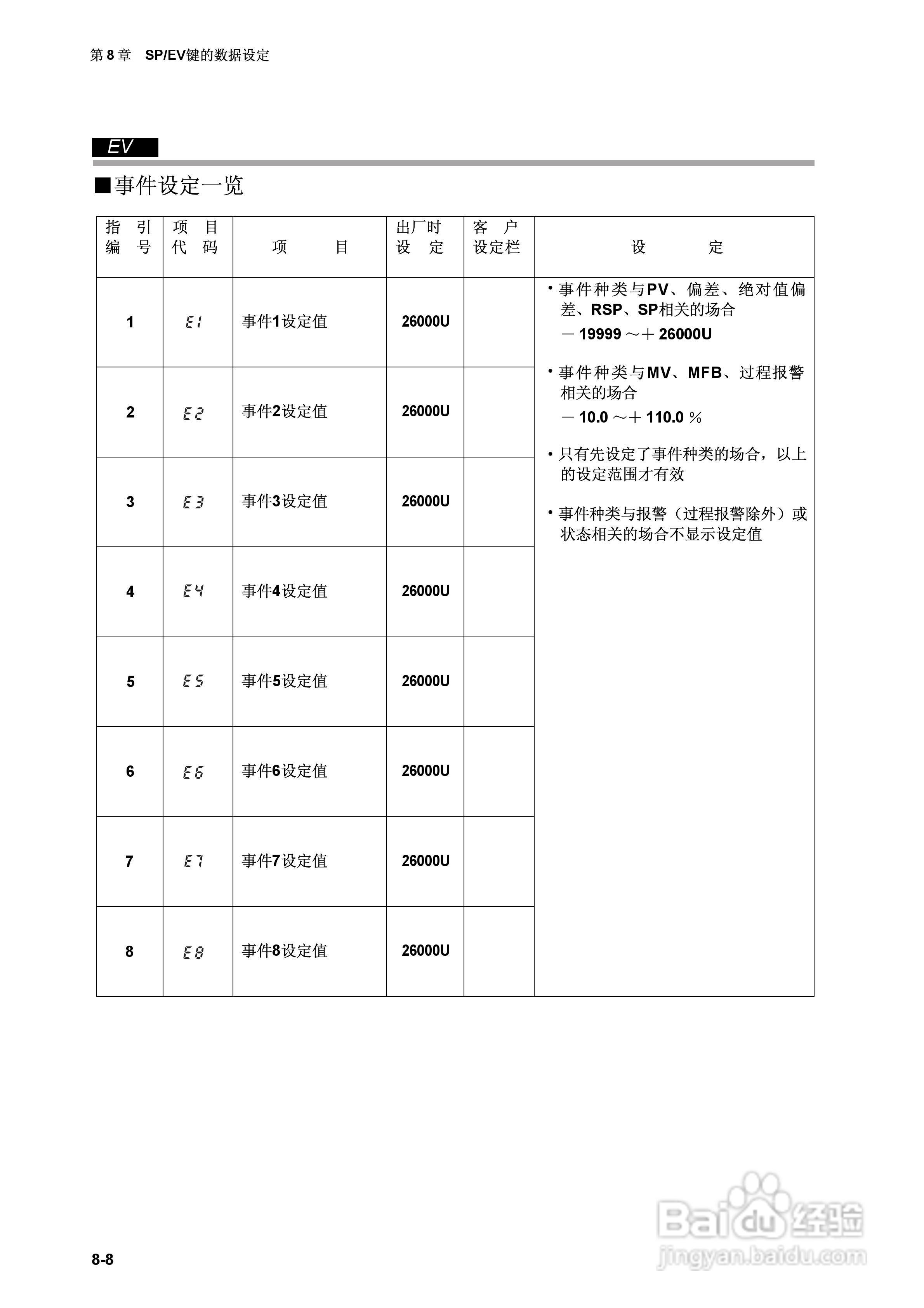
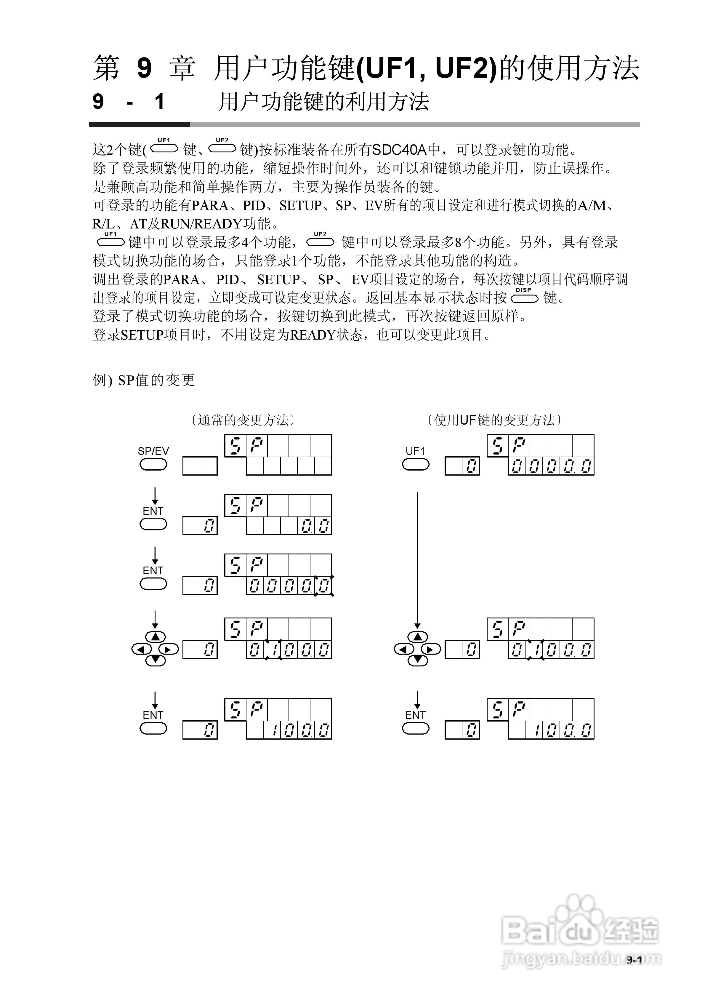
日本山武指示调节器SDC40A使用说明书:[16]
2025-12-30 19:15:30
本篇为《日本山武指示调节器SDC40A使用说明书》,主要介绍该产品的使用方法以及常见故障解决方案。
(共篇)
上一篇:
|
下一篇:
声明:
本网站引用、摘录或转载内容仅供网站访问者交流或参考,不代表本站立场,如存在版权或非法内容,请联系站长删除,联系邮箱:site.kefu@qq.com。
相关推荐
日本山武指示调节器SDC40A使用说明书:[17]
阅读量:70
日本山武指示调节器SDC40A使用说明书:[8]
阅读量:182
使用说明书封面怎么做
阅读量:91
使用说明书wf2651使用指南
阅读量:32
日本山武指示调节器SDC40A使用说明书:[10]
阅读量:97
猜你喜欢
挂号信怎么寄
来大姨妈肚子疼怎么办
车辆保险怎么买划算
黑头怎么去
鱼刺卡在喉咙怎么办
微信怎么转发
佐卡伊钻戒怎么样
sim卡密码怎么设置
西门子冰箱怎么样
美图秀秀怎么去水印
猜你喜欢
小龙虾怎么清洗
冰箱不制冷怎么办
七度空间卫生巾怎么样
电热水器怎么用最省电
怎么才能减肥
tennis怎么读
社保证明怎么开
淘宝怎么加好友
五音不全怎么办
电脑怎么做系统