指南生活
首页
美食营养
手工爱好
生活家居
返回
指南生活
首页
美食营养
游戏数码
手工爱好
生活家居
健康养生
运动户外
职场理财
情感交际
母婴教育
时尚美容
知识问答
生活知识
搜索
富士PXH加热/制冷控制型数字显示式调节器操作手册:[2]
2025-12-17 18:07:17
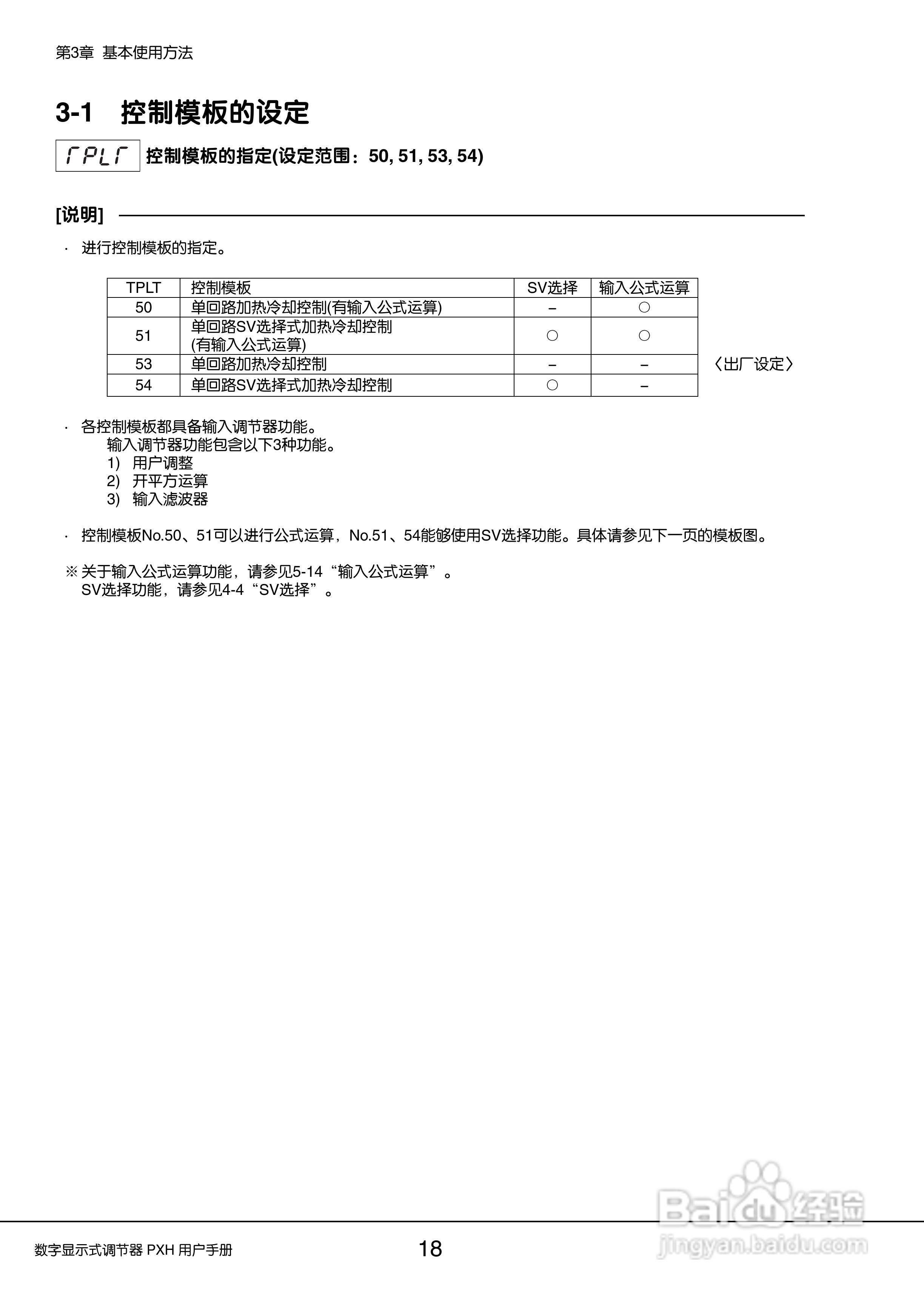
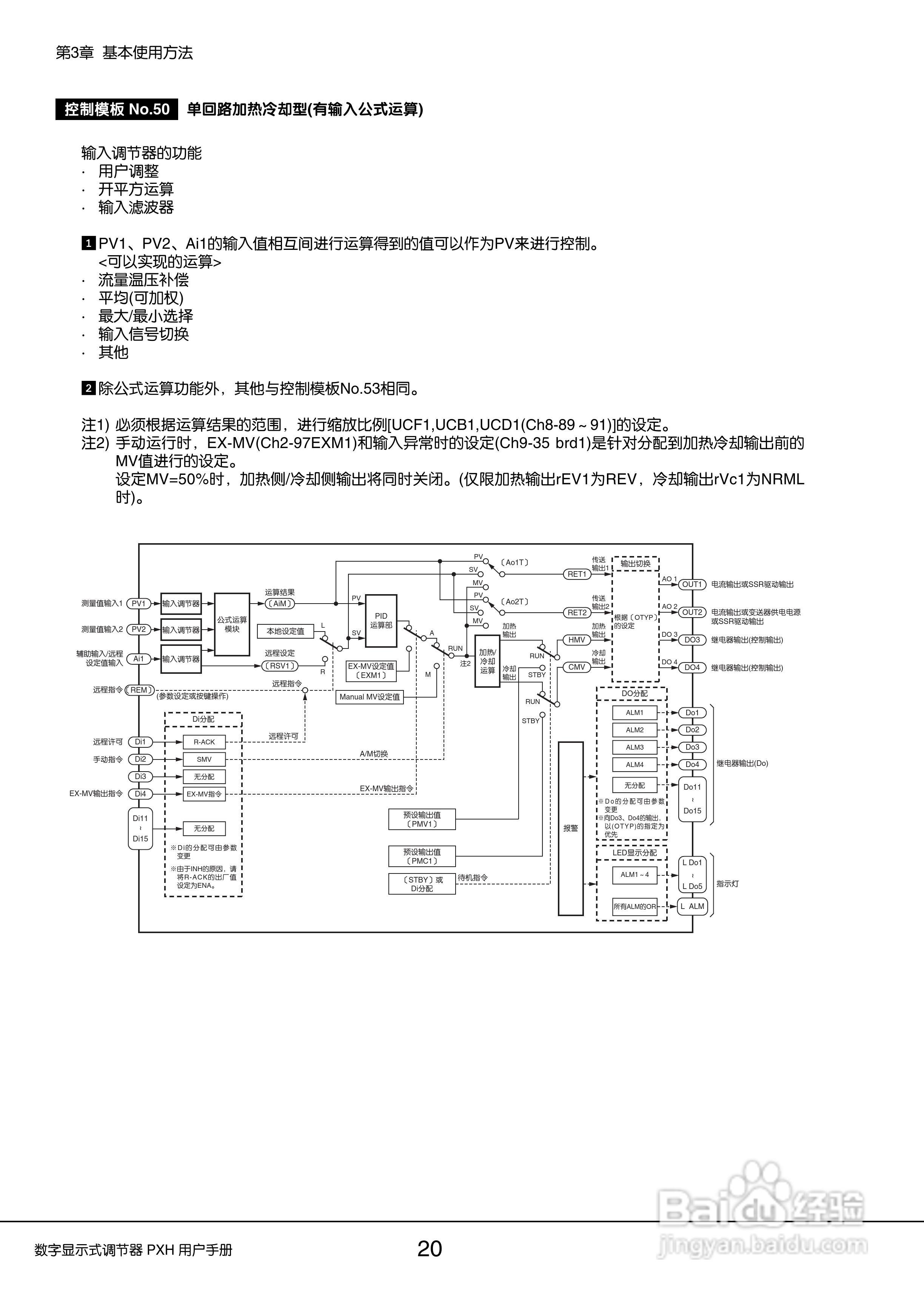
本篇为《富士PXH加热/制冷控制型数字显示式调节器操作手册》,主要介绍该产品的使用方法以及常见故障解决方案。
(共篇)
上一篇:
|
下一篇:
声明:
本网站引用、摘录或转载内容仅供网站访问者交流或参考,不代表本站立场,如存在版权或非法内容,请联系站长删除,联系邮箱:site.kefu@qq.com。
相关推荐
富士PXH加热/制冷控制型数字显示式调节器操作手册:[9]
阅读量:128
富士PXH加热/制冷控制型数字显示式调节器操作手册:[11]
阅读量:153
富士施乐s2110扫描设置
阅读量:144
富士施乐s2520扫描设置教程
阅读量:131
富士施乐硒鼓清零方法
阅读量:188
猜你喜欢
atm是什么意思
m2是什么意思
dct是什么意思
送闺蜜什么生日礼物好
革加斤念什么
码农是什么意思
什么是全网通手机
啤酒浇花有什么好处
oppo和vivo什么关系
煎熬的意思
猜你喜欢
apqp是什么意思
哄堂大笑的意思
验证码的作用
核苷酸的作用
什么是有价证券
宣木瓜的功效与作用
西米的作用
做梦梦到牙齿掉了是什么意思
钓罗非鱼用什么饵料
low是什么意思