指南生活
首页
美食营养
手工爱好
生活家居
返回
指南生活
首页
美食营养
游戏数码
手工爱好
生活家居
健康养生
运动户外
职场理财
情感交际
母婴教育
时尚美容
知识问答
生活知识
生活百科
搜索
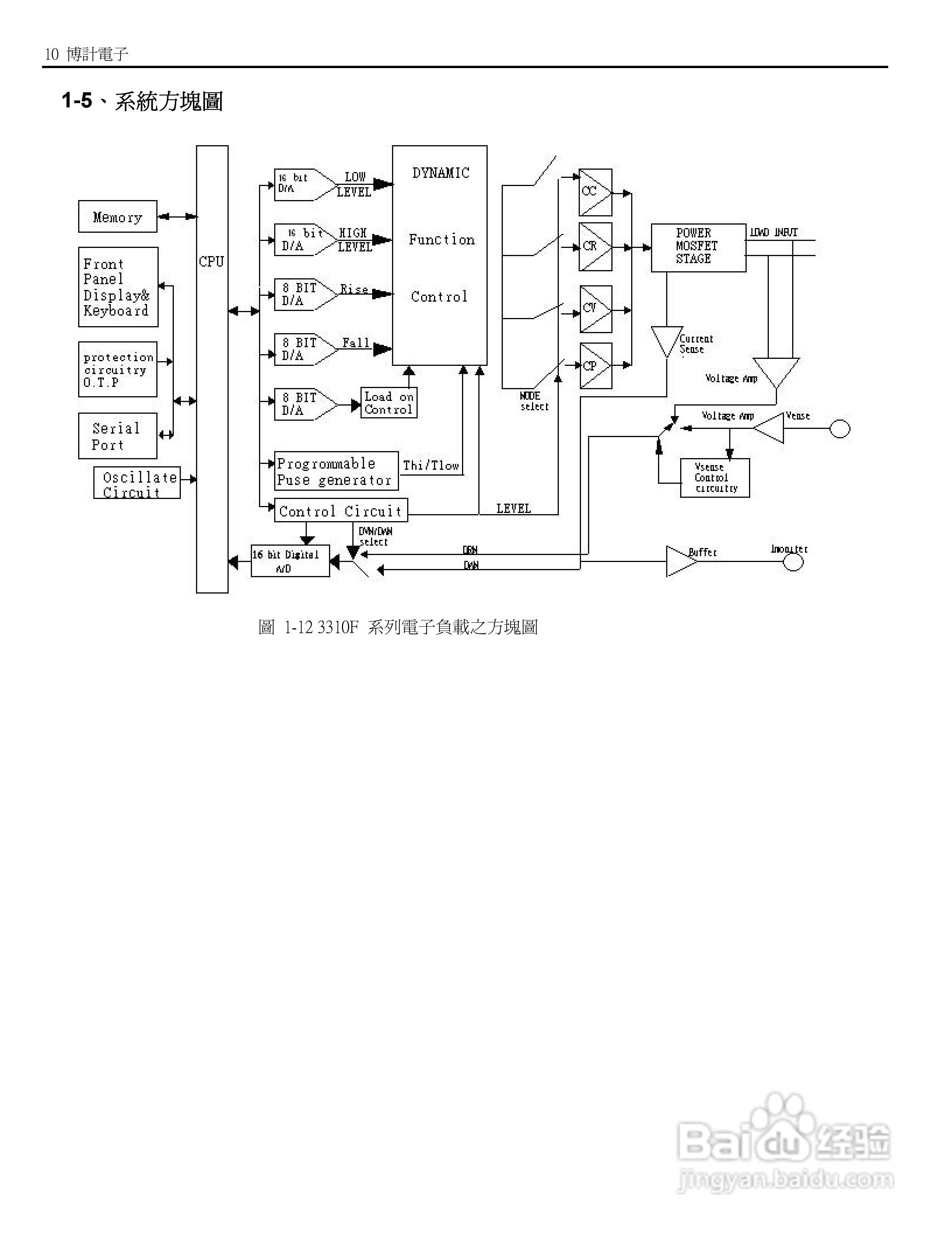
博计3310F系列电子负载使用手册:[2]
2026-04-08 00:24:41
本篇为《博计3310F系列电子负载使用手册》,主要介绍该产品的使用方法以及常见故障解决方案。
(共篇)
上一篇:
|
下一篇:
声明:
本网站引用、摘录或转载内容仅供网站访问者交流或参考,不代表本站立场,如存在版权或非法内容,请联系站长删除,联系邮箱:site.kefu@qq.com。
相关推荐
博计3310F系列电子负载使用手册:[3]
阅读量:156
博计3310F系列电子负载使用手册:[5]
阅读量:25
博计3302F单模组电子负载机框使用手册:[6]
阅读量:84
博计3305F四模组电子负载机框使用手册:[3]
阅读量:169
博计3305F四模组电子负载机框使用手册:[5]
阅读量:73
猜你喜欢
opera浏览器怎么样
新手如何开奶茶店
如何下载游戏
如何练习普通话
有人问我你究竟是哪里好是什么歌
刚刚哪里发生了地震
钱塘湖位于哪里
pokemon go怎么玩
哪里都是你歌词
潮汕站在哪里
猜你喜欢
税务滞纳金怎么算
如何腌制咸鸭蛋
敦煌莫高窟在哪里
桑叶泡水喝的功效
鄂d是哪里的车牌
qq修改密码怎么修改
当归黄芪泡水喝的功效
金桔泡水喝的功效
美国旅游线路
赵本山哪里人