指南生活
首页
美食营养
手工爱好
生活家居
返回
指南生活
首页
美食营养
游戏数码
手工爱好
生活家居
健康养生
运动户外
职场理财
情感交际
母婴教育
时尚美容
知识问答
生活知识
生活百科
搜索
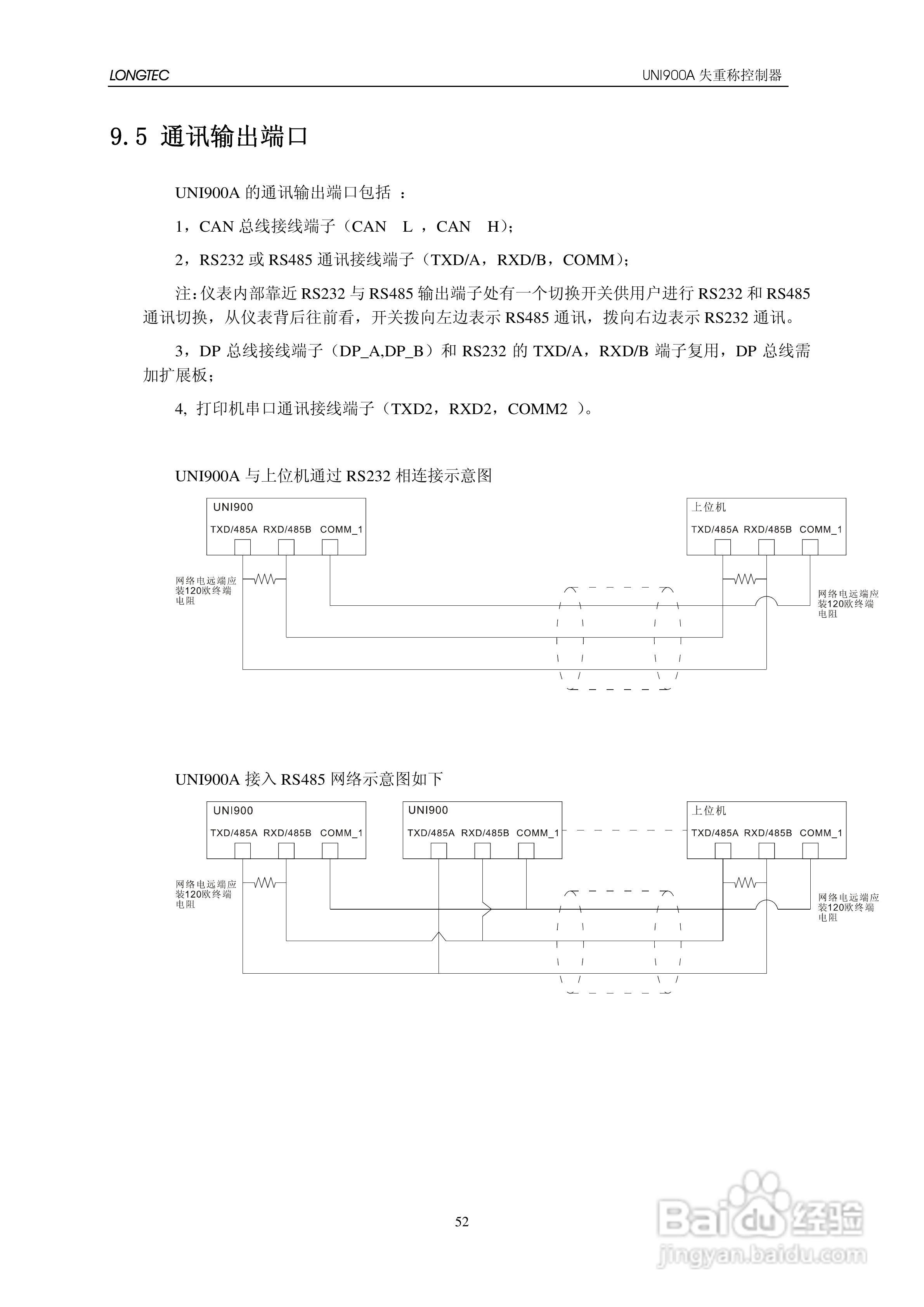
UNI900A失重秤控制器使用说明书:[6]
2026-05-13 05:42:29
本篇为《UNI900A失重秤控制器使用说明书》,主要介绍该产品的使用方法以及常见故障解决方案。
(共篇)
上一篇:
|
下一篇:
声明:
本网站引用、摘录或转载内容仅供网站访问者交流或参考,不代表本站立场,如存在版权或非法内容,请联系站长删除,联系邮箱:site.kefu@qq.com。
相关推荐
DFD—07电动操作器说明书
阅读量:34
欧姆龙(OMRON)3G3XV-A4037-EV2变频器说明书:[2]
阅读量:114
三菱电机 FX2N-16CCL-M/32CCL可编程控制器说明书:[2]
阅读量:137
欣灵HPZ96B-AV-J-M系列可编程电量测量(变送)控制仪表
阅读量:166
#过年#如何延缓电脑的使用损耗
阅读量:107
猜你喜欢
低保是什么
什么是封闭针
名副其实是什么意思
一元复始 万象更新是什么意思
rise是什么意思
什么风残月
蕾丝是什么意思
px是什么尺寸
艮是什么意思
2019年属什么
猜你喜欢
螃蟹和什么不能一起吃
养老保险是什么
sw是什么
天上火命是什么意思
南京有什么好玩的地方
二人同心其利断金什么意思
啤酒洗头发有什么好处
痱子是什么
erp系统是什么
数字货币是什么