指南生活
首页
美食营养
手工爱好
生活家居
返回
指南生活
首页
美食营养
游戏数码
手工爱好
生活家居
健康养生
运动户外
职场理财
情感交际
母婴教育
时尚美容
知识问答
生活知识
搜索
汇川ME320L-4045电梯专用变频器用户手册:[1]
2025-12-20 01:08:01
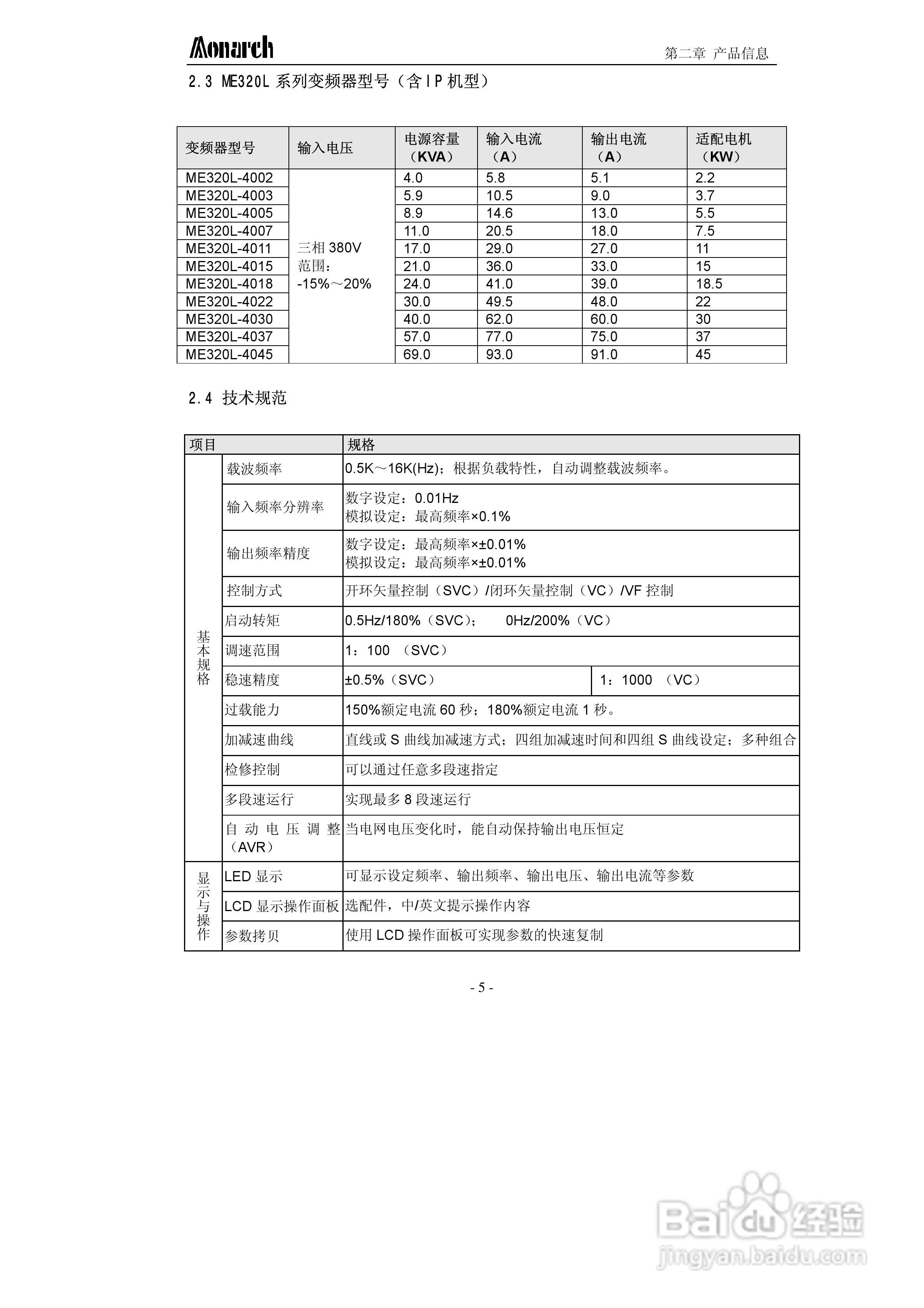
本篇为《汇川ME320L-4045电梯专用变频器用户手册》,主要介绍该产品的使用方法以及常见故障解决方案。
(共篇)
下一篇:
声明:
本网站引用、摘录或转载内容仅供网站访问者交流或参考,不代表本站立场,如存在版权或非法内容,请联系站长删除,联系邮箱:site.kefu@qq.com。
相关推荐
汇川ME320L-4045电梯专用变频器用户手册:[6]
阅读量:94
汇川ME320L-4045电梯专用变频器用户手册:[4]
阅读量:71
汇川ME320L-4045电梯专用变频器用户手册:[5]
阅读量:50
汇川ME320L-4045电梯专用变频器用户手册:[2]
阅读量:51
汇川ME320L-4045电梯专用变频器用户手册:[3]
阅读量:53
猜你喜欢
七夕又叫什么节
葱茏的意思
星罗棋布是什么意思
煤气炉什么牌子好
u盘什么牌子最好
忍无可忍的意思
工会会员卡有什么用
安土重迁的意思
青出于蓝胜于蓝的意思
726是什么意思
猜你喜欢
finally是什么意思
梦见大水是什么意思
自渎是什么意思
past是什么意思
诧异是什么意思
riot是什么意思
force是什么意思
扯淡的意思
嫩模是什么意思
政治掮客是什么意思